QUADRANGLE SERIES, 1:50,000 Kyoto (11) No.39
Geology of the Kyoto-Seinambu District
by
* Institute of Geology and Geoinformation
** Doshisha Girl's Junior & Senior High School
*** Faculity of Education, Kyoto University of Education
+ Faculity of Human Development, Kobe University
++ Kyoto University of Education, ret.
(Written in 2004)
The Kyoto-Seinambu District, of a quadrange between latitudes 35°0′11″6-34°50′11″7N and longitudes 135°29′49″9-135°44′49″8E, is situated in the Kyoto and Osaka Prefectures. Topologically, the district includes the Hokusetsu Mountains. The Kyoto Basin and Osaka Plain are located in the east and south of the Hokusetsu Mountains.
The Kyoto-Seinambu District geotectonically belongs to the Tamba-Mino Belt in the Inner Zone of the Southwest Japan. The main lithologic units of the Hokusetsu area in this district are composed of the Ultra-Tamba Terrane of coherent clastic sequence, and the Tamba Terrane of Triassic to Jurassic sedimentary complex. Granitic rocks and many dikes intruded into these basement rocks in late Cretaceous time. Osaka Plain in the southern part and Kyoto Basin in the eastern part of the district are underlain by a thick sequence of the upper Cenozoic sediments. Many hills around the Hokusetsu Mountains and the Otokoyama hill are composed of the Late Pliocene to Middle Pleistocene Osaka Group, with Pleistocene terrace deposits, while the basins are filled with alluviums. The geology of this district is summarized in Figure 1.

The Ultra-Tamba Terrane in the district is comprised of coherent clastic sequence and is divided into the Yamashita Formation and the Takatsuki Formation. The Yamashita Formation is structurally situated on the Takatsuki Formation, and seems to be fault-bounded to the latter. The Yamashita Formation consists mainly of interbedded sandstone and mudstone, and mudstone with sandy laminae. This formation distributes in narrow area at the western part of the district, and is altered to hornfels by the contact metamorphism of the granite. The radiolarian fossils of Late Permian age are found in this formation of the adjacent area to the district.
The Takatsuki Formation consists of dark green fine-grained calcareous sandstone, interbedded sandstone and mudstone, and black mudstone. Western part of this formation is altered to hornfels by the contact metamorphism of the granite. The age determination by fission track method for clastic zircon indicates Middle to Late Jurassic age. The geologic evidence seems not to be consistent and the true sedimentary age remains uncertain. The formation forms several sets of anticlines and syn-clines.
The Ultra-Tamba Terrane is considered to lie on the Tamba Terrane bounded by a thrust fault and make a synform structure.
The Tamba Terrane in the district is composed of a sedimentary complex derived from an oceanic plate sequence, and co-herent clastic sequence. The sedimentary complex is characterized by mixed rocks of basalt and chert of oceanic origin, and terrigenous clastic rocks of varied size with highly sheared muddy matrix. The coherent clastic sequence consists of sandstone and mudstone with weak deformation.
The sedimentary complex of the Tamba Terrane mainly distributes on the northern flank of the Yamashita Synform, and is divided into two stratigraphic units, the upper Type II Suite and the lower Type I Suite based on the age and lithology. The former lies on the latter by a thrust contact.
The Type I Suite of the district is the Ranzan Complex and distributes in narrow areas of the northwestern and northeastern parts.
The Type II Suite is composed of the Honzanji and Izuriha Complexes of Middle to Late Triassic age, and the Tano, Toshitani-gawa and Karatogoe Complexes of Early to Middle Jurassic age. These complexes generally distribute from south to north respectively having east-west trend, and the younger complex of the north is situated under the older complex of the south, respectively. In the western part of the district, the Karatogoe Complex directly contacts with the Tano Complex. In the eastern part, the Tano Complex is intercalated between the Karatogoe Complex and the Toshitani-gawa Complex.
The Cretaceous granitic rocks of this district can be divided into two types; granodiorite-main rock pluton (the Nose and Hoki granitic complexes) and granite-main rock plutons (the Hara granite and Settsukyo granite). The Nose Pluton is composed of three concentrically arranged units, the outer unit consisting of quartz diorite, the intermediate unit of granodiorite, and the central one consisting of granite. Based on mineral and chemical compositions, the Nose pluton was formed by successive intrusion of magmas derived from fractionation of a single parental magma. A Rb-Sr whole rock age of the Nose pluton is 81.5±0.7 Ma and two data of biotite K-Ar ages are 78.1±1.7 and 77.7±1.7 Ma.
The Hoki granitic complex is comprised of medium-grained hornblende-biotite-granodiorite, medium-grained porphyritic biotite-granite and fine-grained biotite-granite. A hornblende K-Ar age of the Hoki granite is dated at 70.4±2.7 Ma.
The Hara granite is a small granitic body and fine-grained porphyritic biotite-granite and dated at 72.7±2.5 Ma by biotite K-Ar method.
The Settsukyo granite is a fine to medium-grained porphyritic biotite-granite and occurs as a stock-like body, cross-cutting the general east-west trend of the Ultra Tamba Terrane.
The dike rocks are divided into two types, felsic dike and intermediate dike based on chemical composition. The felsic dikes are main dike rocks and composed of granite porphyry and granophyre-rhyolite. Intermediate dike is porphyrite. These dike rocks intruded into Pre-Cretaceous rocks and the granitic rocks with a N-S strike orientation. A biotite K-Ar age of the granite porphyry is dated at 69.2±2.4 Ma. These dikes are the final Cretaceous igneous activity.
The Osaka Group having is more than 1,700m in thickness, is composed of the unconsolidated gravel, sand and clay beds with more than 50 volcanic ash layers. The standerd stratigraphy of the group is divided into four parts; the Lower-most, Lower, Upper and Uppermost parts, in ascending order.
The Lowermost part is mainly composed of gravel and sand layers being deposited more than 1.6 million years ago and is characterized by plant remains rich in the Metasequia flora.
The Lower part is mainly composed of gravel, sand and mud with four marine clay beds; Ma -1, Ma 0, Ma 1 and Ma 2. The survival of Metasequia flora, and the new appearance of the Quarternary flora are recognized in this part. It was deposited between 1.6 million years and 0.85 million years ago.
The Upper and Uppermost parts are composed of the gravel, sand, silt and are intercalated with four marine clay beds. The marine clay beds in the Upper part are named Ma 3, Ma 4, Ma 5 and Ma 6, and in the Uppermost part are Ma 7, Ma 8, Ma 9 and Ma 10. The Upper part was deposited ranging from 850 ka to 600 ka in age and, the Uppermost part was ranging from 600 ka to 200 ka.
The stratigraphy of the group is established in 2 hills groups, the hills around the Hokusetsu Mountains and around the Otokoyama Hill, and underground of the Osaka Plain and the Kyoto Basin. The correlation of the groups in this district with the standard stratigraphy is shown in Fig. 1.
The Osaka Group around the Otokoyama Hill was subdivided into three formations, the Tanabe, Seika and Shodai Formations in ascending order. The Tanabe Formation, no outcrops in this district, is composed of the gravels to the south of this district. The Seika Formation, 30 - 80 m thick, is mainly alternation of gravel and sand, and silt. The Shodai Formation, 60m thick, mainly consists of gravel, sand and mud, and intercalated with three marine clay beds(Ma 5, Ma 6 and Ma 7).
The Osaka Group around the Hokusetsu Mountain was subdivided into three parts, Lower and Lowermost, Upper and Uppermost parts in ascending order. Lower and Uppermost parts are mainly composed of gravels and Upper part is composed of sand and silts. Some marine clay beds(Ma 2, Ma 3 and Ma 6) are interbedded in this district.
Thick strata of the Osaka Group are hidden under the Kyoto Basin. Those are 200-300m in thickness in the northern part, and about 700m in thicknees in the southern part of the basin. The starata interbeded the marine clay beds.(Ma 3, 4, 5, 6and 9).
Terrace deposits are divided into the higher, middle and lower terrace deposits. The terrace deposits develop at the Nishiyama, Takatsuki, Mino and around the Hokusetsu Mountains and around the Otokoyama Hill. The higher terrace deposits formed before the last gracial age. The middle terrace deposits formed during the last intergracial age. The upper part of lower terrace deposits formed several tens of shoutands of years ago.
The alluvium is distributed on the Osaka Plain and Kyoto Basin. The rivers were improved for save the flood. The abondoned river deposits and natural levee deposits are distributed along the former rivers. The river and natural levee deposits are distributed along present rivers.
Several active faults are designated in and around this district. Those are Arima- Takatsuki Tectonic Line Active Fault systems, Katagihara Fault, Haigata Fault, Oinosaka Fault, Otokoyama Fault, Ujigawa Fault, etc.
The Arima- Takatsuki Tectonic Line Active Fault system runs along the northern margin of the Osaka Plain and in the northwestern margin of this district. The Bojima, Magami and Ai Faults belong this falut system. The last activity of this fault system was the Fushimi earthquake occurred in 1595 A.D. The Katagihara, Haigata and Oinosaka Faults run along the western margin of the Kyoto Basin. The Otokoyama Fault runs also along the western margin of the southern part of the Kyoto Basin. The Ujigawa Fault is assumed to run NE-SE trend along the Ujigawa River.
At several places in the Hokusetsu Mountains, sandstone of the Takatsuki Formation are quarried as aggregate for building and road base course. In ancent age, limestone are quarried for mortar in some places.
This district was damaged many times by the earthquakes. The Fushimi Earthquake was caused by the activity of the Arima- Takatsuki Tectonic Line Active Fault system.
Some flooding river disasters were occured at the southern part of the Kyoto Basin. For save the disaster, the tree was planted in the forest, and the rivers were improved from the Edo era to 1910AD. The Oguraike, the retarding basin of the Ujigawa river, was filled up and become the rice field until 1933.
宮地良典*・楠利夫**・武蔵野実***・田結庄良昭+・井本伸広++
* 地質情報研究部門
** 同志社女子中高等学校
*** 京都教育大学教育学部
+ 神戸大学発達科学部
++ 元京都教育大学
地質調査総合センターは,1882年にその前身である地質調査所が創設されて以来,国土の地球科学的実態を解明するために調査研究を行い,様々な縮尺の地質図を作成・出版してきた.その中で5万分の1地質図幅は,自らの地質調査に基づく最も詳細な地質図であり,基本的な地質情報が網羅されている.
1978年に地震予知連絡会によって,近い将来地震の起こる可能性が他より高い地域として全国8カ所の「特定観測地域」が選定され,政府をはじめとする各界からこの地域の地質図幅の早急な整備が要請された.これを受けて1979年から「地震予知のための特定観測地域の地質図幅作成計画(特定地質図幅の研究)」が開始され,現在その第5次計画が実施されている.
「京都西南部」図幅の作成は,特定観測地域「名古屋・京都・大阪・神戸地区」の地質図幅作成計画の一環として行われた.本報告は,平成14-15年度に実施した野外調査及び室内研究の成果に基づいている.現地調査にあたっては,主に超丹波帯と丹波帯を楠・武蔵野・井本が,白亜紀深成岩類及び岩脈類を田結庄が,大阪層群(鮮新―更新統),第四系及び活構造を宮地がそれぞれ分担し,全体のとりまとめは宮地が担当した.
本図幅地域は京都市を中心に都市化が進んでおり,特に平野・丘陵部では都市化に伴う露頭条件の悪化が著しく,調査期間中に観察できる露頭は限られるのが現状である.したがって,本報告書執筆に際しては,数多くの先人の貴重な資料を引用しまとめた.茨木複合花崗岩体の研究では,元地質調査所の野沢保博士から多くの助言・指導を得た.本図幅地域東部,中部の丹波帯・超丹波帯に分布する岩脈類については,大阪府立箕面東高等学校の貴治康夫教諭から資料を提供いただいた.丹波帯の地質に関しては丹波地帯研究グループのご支援を得た.神戸大学大学院生の新井敏夫・金丸竜夫・鈴木淳一の諸氏には野外調査補助や蛍光X線分析にご協力いただいた.京都教育大学の田中里志博士と立命館大学の河角竜典博士には京都府八幡市内里地区で掘削されたボーリングコア(GS-KYH-1)の処理にご協力いただいた.京都盆地の低地及び丘陵地の,主として地方自治体に保管されている公共事業に関するボーリング資料の収集にあたっては,各自治体の担当課にご協力をいただいた.超丹波帯・丹波帯の地質図とりまとめには,産業技術総合研究所企画本部の栗本史雄博士にご協力いただいた.以上の方々に記して感謝の意を表する.
(平成16年度稿)
(宮地良典・楠利夫・武蔵野実・田結庄良昭・井本伸広)
「京都西南部」図幅地域は,北緯35°0′11″6-34°50′11″7,東経135°29′49″9-135°44′49″8(世界測地系;旧日本測地系では北緯34°50′―35°00′,東経135°30′―45′)の範囲を占める.行政的には,京都府亀岡市,京都市,向日市,長岡京市,乙訓郡大山崎町,久世郡久御山町,八幡市,京田辺市,大阪府豊能郡豊能町,箕面市,茨木市,高槻市,三島郡島本町及び枚方市から構成されている(第1.1図).
本図幅地域は近畿地方のほぼ中央部にあたり,大阪湾,琵琶湖,伊勢湾を囲む「近畿三角地帯」(Huzita, 1962)の一部にあたる.近畿地方北部には丹波高地があり,丹波帯や超丹波帯の地層群が分布する.丹波高地の南東縁には琵琶湖を含む近江盆地,京都盆地,大阪平野などの構造盆地がある.丹波高地とこれらの構造盆地は,琵琶湖西岸断層系から有馬―高槻構造線に至る断層系により境される.盆地には第2瀬戸内累層群に属する鮮新―更新統の古琵琶湖層群・大阪層群や沖積層などが堆積している(第1.2図).
本図幅地域の地形を概観すると,西側半分は丹波高地の南東部に位置する摂丹山地が大部分を占め,山地周辺には丘陵地を挟んで京都盆地と大阪平野が広がる(第1.3図).摂丹山地の東縁には西山丘陵,南縁には茨木丘陵,高槻丘陵といった丘陵地が広がる.本図幅地域の北西縁には亀岡盆地の南端部がみられる.さらに山地の東には京都盆地が,南には淀川水系の大阪平野が位置する.本図幅地域の南東縁は生駒山地の北縁にあたり,長尾丘陵の北縁から男山丘陵となっている,京都盆地北部から流入する桂川,琵琶湖を水源とする宇治川,上野盆地などから流れる木津川の三川は男山と天王山の間で合流し,淀川として大阪平野に流下している.
本図幅地域内の最高点は西南部に位置する石堂ヶ岡の680.5mで,西端中央付近の鴻応山(678.9m),中央部にあるポンポン山(678.7m)などがこれに次ぐ.最低部は,図幅南端の淀川河川敷に位置し標高約10mを示す.


等高線間隔は100m.

摂丹山地はおおむね標高400-600mの高原状を呈し,西から東にかけて,黒柄岳(526.9m),明神ヶ岳(523.5m),小塩山(642m)が小規模な山稜を形成しており,また,小塩山とポンポン山を結んで南北方向の山稜が認められる(第1.4図).図幅地域中央部のポンポン山(標高678.7m)から湯谷ヶ岳(標高622m)に超丹波帯と丹波帯三畳系の堆積岩類が分布し,標高500-680mの山地をなしている.その北に丹波帯のジュラ紀付加体の堆積物が分布する.丹波帯の分布域は京都市西京区の小塩山を最高峰として300-640mの尾根を作る.一方,茨木市北部や亀岡市の霊仙ヶ岳(536.3m)などに山陽帯の深成岩類が分布し,堆積岩類からなる地域に比較して谷の開析が進み,起伏のゆるやかな高原状の地形が発達している.山地東端には南北方向に急傾斜の山腹が連なり,三角末端面の発達や善峯寺西方では河川争奪による地形が認められる.さらに,山麓の丘陵に分布する大阪層群が急傾斜を示すことなどから,山地が断層(京都盆地西縁断層系)を境にして隆起したことをうかがわせる.また山地南端は,大阪層群が不整合に覆う丘陵が見られ,丘陵と大阪平野の境界には顕著な断層地形が見られる.
山地内部では高槻市高畑の出灰川や茨木市下音羽の下音羽川などの河川沿いに沖積低地がみられる.

本図幅地域内の丘陵地は,摂丹山地山麓と本図幅地域南東端の男山周辺に見られる.摂丹山地周辺の丘陵としては,京都盆地西縁に西山丘陵が,大阪平野北縁に茨木丘陵及び高槻丘陵が,そして男山から交野山地北縁(図幅地域南東縁)に男山丘陵がある.男山丘陵の標高は約20-90m程度で山地から盆地や平野に向けて標高を減ずる.この周辺は,かつては良質の筍を産出する孟宗竹の竹林や畑地として利用されていたが,現在では開発が進み,住宅団地となっている.茨木丘陵と高槻丘陵は摂丹山地南麓に位置し,それぞれ山地内を流れる安威川,芥川などの出口付近から扇状地状に広がる.標高は約100-300mである.
また,八幡市男山北部の鳩ヶ峰(標高42m)周辺には,丹波帯の付加コンプレックスが,その周辺の丘陵には大阪層群が分布する.いずれの丘陵も山地に近いところでは扇状地,崖錐堆積物,大阪層群の砂礫層,そして盆地に近いところでは段丘堆積物よりなる.
本図幅地域の南西端には,大阪層群の模式地の一つとして知られる千里丘陵(南隣「大阪東北部」図幅)が分布している.この丘陵は,万国博記念公園南西の標高80.2m地点を最高点として,おおむね定高性を保っている.千里丘陵と摂丹山地の間には有馬―高槻構造線活断層系の一部である小野原断層帯(市原ほか,1955)による幅1.5-2kmの低地帯がある.
本図幅地域北縁の亀岡盆地縁辺部の亀岡市篠町王子付近には扇状地地形の丘陵地がみられ,大阪層群上部相当層が分布する.
本図幅地域には山地・丘陵から流下する河川によって形成された扇状地性の段丘面群が広く分布している.段丘は高位段丘,中位段丘及び低位段丘に分けられる.段丘堆積物の分布する地域においては市街化が進み,現在にいたっては原地形面は明瞭ではない.
高位段丘は京都市西京区の北春日町周辺,長岡京市の奥海印寺周辺及び八幡市美濃山周辺に標高50-80mの台地面を形成している.中位段丘は西京区灰方町と箕面市の箕面丘陵の周辺にのみ分布する.これらの地域の標高は60-80mである.京都盆地の低位段丘は向日市や長岡京市の中心街周辺に,男山丘陵西部では枚方市今池周辺,大阪平野北部では茨木市宮田町周辺,箕面丘陵の縁辺部に広く分布する.また亀岡盆地東南部にも低位段丘が認められる.
本図幅地域の低地は,大きく京都盆地の西部と大阪平野の北部に認められる.京都盆地には,丹波山地から流下する桂川,琵琶湖に端を発する宇治川及び鈴鹿山地を源流とする木津川の三川が流れ,大山崎町と八幡市の境で合流し,淀川となる(第1.3図).三川の上流域は,亀岡盆地,近江盆地,上野盆地を含む広域に及び,年間を通して豊富な流量を維持している.本図幅地域北部の亀岡盆地においては,犬飼川・曽我谷川・年谷川・鵜ノ川などの小河川が,大堰川(桂川)に流入している.京都盆地南部は標高10-14mの低地で,上記三河川の旧河道,自然堤防及び氾濫原からなっている.また本図幅地域東縁には,かつて宇治川の遊水池であった巨椋池が広がっていた.約4,000年前にできたこの池は,安土桃山時代には築かれた太閤堤などの堤によって,その形状が固定された.その後,巨椋池は1935-1941年に水田として利用するために干拓された.
また,本図幅地域中央部から南部には大阪平野に流入する淀川水系の芥川・安威川の2水系が認められる.前者は,上流部で外畑から出灰を流下する出灰川と田能を流れる田能川が合流して芥川となる.後者は,上流から下流にかけて,東掛川,柏原川,下音羽川などを併せて安威川となる.両河川は南流し,本図幅地域南方(南隣「大阪東北部」地域)で淀川に合流する.
亀岡市東別院町東掛と西別院町大野の間に位置する東掛川支流と曽我谷川上流部において,小規模な谷中分水界が認められる.
本図幅地域の山地と低地の境界は活構造により境されている.すなわち,京都盆地西縁は京都盆地西縁断層系である樫原断層,灰方断層,円明寺断層が雁行状に配列しており,大阪層群はこれらにより大きく変形している.京都盆地南部はその西縁を男山断層で限られている.また,巨椋池の北縁には北東―南西方向に伸びる宇治川断層が推定されている.一方大阪平野北部は,有馬―高槻活断層系の一部をなす安威断層,真上断層が東西に伸び,大阪平野と摂丹山地を境している(岡田・東郷編,2000など).また,男山丘陵西部には,田口撓曲などの活構造が見られる.田口撓曲は生駒断層の北方延長の一部である(宮地ほか,2001など).
(宮地良典・武蔵野実・楠利夫・田結庄良昭・井本伸広)
「京都西南部」図幅地域の地層・岩体は,大きく見ると古い方から,ペルム紀―三畳紀またはジュラ紀と推定される超丹波帯,三畳紀―ジュラ紀付加体の丹波帯,白亜紀末の山陽帯に属する深成岩類とそれらを貫く岩脈類,それらを覆う鮮新―更新統の大阪層群,更新統中部―上部の段丘堆積物,及び“沖積層”からなる.第2.1図に本図幅地域の層序総括図を,第2.2図に本図幅及びその周辺地域の地質概略図を示す.
超丹波帯は本図幅地域の摂丹山地南部に分布する整然層である.丹波帯は三畳紀からジュラ紀の付加コンプレックスで,後期ジュラ紀に付加したI型地層群と三畳紀から中期ジュラ紀に付加したII型地層群に分けられる.超丹波帯は衝上断層で丹波帯の上位に位置し,丹波帯は摂丹山地の北部及び南縁に超丹波帯を取り囲むように分布する.
深成岩類のうち,茨木複合花崗岩体を構成する能勢岩体が本図幅地域南西部に分布する.そのほかの小岩体として,本図幅地域南部に原花崗岩や摂津峡花崗岩が,北西部に法貴花崗岩が分布する.これらの深成岩類はいずれも白亜紀後期に形成された.
また,これらの超丹波帯,丹波帯及び深成岩類を貫いて,岩脈類が見られる.これらの岩脈の多くは,花崗斑岩で,そのほか文象斑岩―流紋岩及びひん岩に区分される.
以上の基盤岩類を覆って,新生界の大阪層群,段丘堆積物及び沖積層が累重する.大阪層群は鮮新―更新統,段丘堆積物は中期更新統から後期更新統であり,摂丹山地の山麓及び男山丘陵周辺に分布する.また,これら新生界は京都盆地や大阪平野の地下にも厚く堆積している.
沖積層は,京都盆地に広く分布し,本図幅では,ほぼ自然な状態の堆積物を旧河道堆積物,旧自然堤防堆積物,谷低平野堆積物に区分し,特に江戸時代以降の人工的な改変をうけた後の堆積物を,自然堤防堆積物,現河床堆積物,後背湿地堆積物として区分した.これらは京都盆地では桂川,宇治川,木津川の流系による堆積物からなり,大阪平野ではこれらの三川が合流し淀川流系による堆積物が堆積している.さらに全く人工的な改変物である古墳,巨椋池周辺の河道改修や干拓による地盤を人工改変地として区分した.

□:頁岩及び砂岩などの陸源砕屑岩類の堆積年代.
破線:緑色岩・層状チャート・石灰岩・珪質頁岩などの海洋性岩類の年代.

超丹波帯はCaridroit et al.(1985)によって,舞鶴帯と丹波帯の間に新たに設定された地質帯である.地質年代は古生代及び中生代とされたが,中生代については確実な証拠に乏しく,研究者によって解釈が異なっている.
当初設定されたリボン状チャート,泥岩層,砂岩泥岩互層だけでなく,カタクレーサイト組織を示す砂岩も含められ,さらには兵庫県篠山地域,京都西山地域に分布する整然層も含めて超丹波帯とされるに至っている.本図幅地域周辺に分布する先白亜系の地質構造区分を第2.3図に示す.
本図幅地域の超丹波帯構成層は構造的上位を占める山下層と下位の高槻層に区分される.
山下層は砂泥互層及び砂質葉理の発達した泥岩から構成され,花崗岩体によって接触変成を受けホルンフェルス化している.年代は後期ペルム紀と推定される.
高槻層は暗緑灰色を呈する細粒石灰質砂岩,砂岩泥岩互層,黒色―暗灰色の泥岩から構成される.本図幅の西部では花崗岩体の貫入により接触変成を受けている.堆積年代は後期ペルム紀―前期三畳紀または中期ジュラ紀である.

丹波帯は,先白亜系の地質構造区分では西南日本内帯に属し,海洋プレート層序を想定した中生代の堆積岩コンプレックスと整然層から構成されている.堆積岩コンプレックスは,主に変形の著しい頁岩の基質中に,海洋性岩類の玄武岩,チャートと,陸源性砕屑岩の様々な大きさの岩塊が複雑な岩相を呈する混在岩をなしている.整然層は,変形を受けていない陸源の砂岩と泥岩からなる.このうち,地質年代や岩相をもとに構造的上位の堆積岩コンプレックスはII型地層群に,構造的下位の堆積岩コンプレックスはI型地層群に大別され,後の正立褶曲によって前者が向斜状褶曲部に,後者が背斜状褶曲部に分布している(石賀,1983;Imoto, 1984;木村ほか,1989;栗本ほか,1993など).
本図幅地域の丹波帯の地層群は主に桜井向斜状褶曲(桜井シンフォーム:高槻層中の桜井向斜を丹波・超丹波帯を含めた大きな構造と見た場合)の北翼に分布するII型地層群で,I型地層群は本図幅地域北端部でわずかに認められるのみである.II型地層群を構成する各堆積岩コンプレックスとその陸源砕屑岩の年代は,本山寺コンプレックスと出灰コンプレックスが中期三畳紀後期から後期三畳紀,田能コンプレックス,年谷川コンプレックス,唐櫃越コンプレックスが前期から中期ジュラ紀,I型地層群の嵐山コンプレックスが後期ジュラ紀である(第2.1図).このうち,本山寺コンプレックスと出灰コンプレックスは放散虫化石による認定が可能な三畳紀の堆積岩コンプレックスで,他の図幅地域では認められておらず,地史を編む上で注目される.
超丹波帯は衝上断層によって,丹波帯構成岩類の上に載っているものと考えられる.ただし両地帯の境界断層はその後の変動により高角をなすことが多く,本山寺西の芥川の河床に見られる境界断層は垂直に近く幅10m以上の破砕帯となっている.
高槻層は地質図では波長1-2kmほどの褶曲構造が繰り返して見られ,全体としての層厚は薄いと思われる.また採石場などの大露頭で観察すると,波長5-20mほどのゆるい褶曲構造が全体に見られる.
丹波帯は2組の地層群に区分され,各地層群はさらにいくつかの堆積岩コンプレックスに識別されている.この各堆積岩コンプレックスは,地層面にほぼ平行な衝上断層によって画され,構造的上位から下位に向け砕屑岩の年代がより新しいという極性が認められている.この衝上断層は,おおむねジュラ紀における海洋プレートの陸域への運動に伴うデコルマやデュープレックス構造などの形成に起因している.その後の正立褶曲によって現在のような地質構造の特性を持つに至ったと考えられている.
本図幅地域中央部の桜井シンフォーム北翼についてみると,本図幅地域中央部から北部にかけては丹波帯の各堆積岩コンプレックスが,本山寺,出灰,田能,年谷川と,より新しいものが南から北へ帯状に分布する構造を示し,一般的な丹波帯の構造形成と調和的である.一方,本図幅地域北部の帯状構造は,田能,年谷川,田能,唐櫃越,嵐山の順で,田能コンプレックスが繰り返し,唐櫃越コンプレックスの構造的上位に年谷川コンプレックスを欠いた構造になっている.
本図幅地域に分布する深成岩類としては石英閃緑岩から優白質な花崗岩まで,様々な岩相の花崗岩類が分布する.これら深成岩類の活動時期は白亜紀末である.これら深成岩類は超丹波帯や丹波帯の堆積岩コンプレックス中に貫入し,その分布は主に本図幅地域の南西部にみられる.深成岩体としては,茨木複合花崗岩体を構成する能勢岩体が比較的大きな岩体であるが,そのほかはいずれも長径が2.5km未満の小規模な岩株状の花崗岩体である.能勢岩体は,岩体周縁部が石英閃緑岩,中間部が花崗閃緑岩,核部が花崗岩からなる累帯深成岩体をなす.さらに小規模な花崗岩体としては,本図幅地域南部に岩脈状に分布する原花崗岩や摂津峡花崗岩,北西部に分布する法貴花崗岩がある.原花崗岩はSiO2成分が74%前後の均質な細粒斑状黒雲母花崗岩で,南北に1.5km,幅300-400mの岩脈状の産状をなす半深成岩体である.摂津峡花崗岩はSiO2が73%前後の細粒―中粒斑状黒雲母花崗岩で,浅所貫入の半深成岩体である.法貴花崗岩は,長径2.5kmの楕円状の小規模岩体であるが,岩相変化に富み,細粒黒雲母花崗岩,中粒斑状黒雲母花崗岩及び中粒角閃石黒雲母花崗閃緑岩からなる複合花崗岩体である.
本図幅地域には多数の岩脈が発達する.その多くは本図幅地域南西部に分布する.岩脈の多くは花崗斑岩で,ついで文象斑岩―流紋岩,及びひん岩からなる.これらの中で,花崗斑岩や文象斑岩―流紋岩は南北性の貫入方向を有し,花崗岩類と密接に伴い岩脈群をなす.ひん岩は小規模に産し,その貫入方向もやはり南北性である.
近畿地方の鮮新―更新統は,大阪平野,奈良,京都盆地及びその周辺に大阪層群が,近江盆地と上野盆地及びその周辺に古琵琶湖層群が,伊勢湾周辺に東海層群が分布している(第2.2図).古琵琶湖層群・東海層群はすべて非海成の陸成層からなる.これに対して,大阪層群は前期更新世の中頃から堆積盆地にしばしば海が浸入したため,上半部が海成と陸成の地層の繰り返しからなる.
大阪層群は,河湖成層を主とし,12枚の海成粘土層を挟む.これらの海成粘土層は下位よりMa-1,Ma0,Ma1……Ma10と名付けられている(市原・亀井,1970など).また,連続性の良い火山灰層を多数挟んでいる.これらの海成粘土層や火山灰層を鍵層として大阪層群の詳細な層序が確立され,房総半島の上総層群や新潟堆積盆の魚沼層群と並んで,日本の代表的な鮮新―更新統としての地位を占めてきた(大阪層群研究グループ,1951;市原・亀井,1970;市原編,1993など).
大阪層群の最大層厚は1,500-2,000mであり,その標準層序は,第2.4図に示すように下位より最下部,下部,上部及び最上部に分けられている(市原編,1993).最下部は福田火山灰層の上限よりも下位の地層を指し,約175万年前より古い地層で,メタセコイア植物群繁栄期を示す植物遺体を含む河湖成層からなる.下部は福田火山灰層の上限から,アズキ火山灰層を挟む海成粘土層(Ma3層)層準直下の砂礫層までを指し,約160万年前から約85万年前のメタセコイア植物群消滅期の地層である.下部は河湖成層からなり,下部の上部には海成粘土層を挟む.上部はアズキ火山灰層を挟む海成粘土層(Ma3層)の下限からMa6層の上限までの地層で,約85万年前から約60万年前の地層である.最上部は,Ma6層の上限より上位の地層で,約60万年前から約20万年前の地層を指す.上部及び最上部の地層は,河成・湖沼成層と海成粘土層が互層する.各地の大阪層群の層序区分や全体的な対比については市原ほか(1991)や市原編(1993)にまとめられている.
本図幅地域の大阪層群は,主に摂丹山地の山麓部の京都市西京区から長岡京市周辺と高槻市周辺に分布し,男山丘陵周辺にも分布する.また,京都盆地や大阪平野の地下にも厚く堆積している.現在男山丘陵周辺にはほとんど露出がないが,三田村(1992)や宮地ほか(2001)にあわせてこの地域の大阪層群を田辺累層,精華累層及び招提累層に区分した.一方,京都盆地西縁の丘陵地と大阪平野北部の丘陵地に分布する大阪層群を,標準層序に基づき,最下部及び下部,上部及び最上部に区分した.最下部及び下部は礫層・砂礫層を中心とし,上部は砂層とシルト層の互層よりなり海成粘土層(Ma3,4,5層)を挟む.最上部層は再び礫層・砂礫層を主とする層相に移り変わる.
京都盆地地下の大阪層群は京都市の一連の活断層調査・地下構造調査で詳細に解明されつつある.これらによると,京都盆地は宇治川沿いに想定される宇治川断層を境にして北部と南部に分けられる.丹波帯の基盤岩を大阪層群がアバット不整合に覆い,その層厚は盆地北部では200mで南部では700mに及ぶ.

本図幅地域の段丘及び段丘堆積物は,主に摂丹山地周辺の西山丘陵・高槻丘陵及び本図幅地域南東端の男山丘陵周辺に分布する.これらはおおむね高位,中位及び低位に区分できる.高位段丘堆積物は,赤褐色に風化した礫層や砂礫層よりなる.中位段丘堆積物は西山丘陵の大原野周辺にのみ分布する.低位段丘堆積物は本図幅地域北縁の亀岡盆地にもみられる.京都盆地地下に段丘堆積物相当層が広く分布する.また,大阪平野北縁にある有馬―高槻構造線は大きく2列の断層群からなりその間に小野川低地帯(南隣「大阪東北部」図幅地域)から茨木低地帯の陥没地形を作るが,ここにも低位段丘堆積物が分布する.
本図幅地域の沖積層は,人工的な影響のより少ない扇状地堆積物,旧自然堤防堆積物,旧河道堆積物,谷低平野堆積物と,ある程度人工的な河川改修などの影響を受けた現河床堆積物,自然堤防堆積物及び埋立地に区分した.京都盆地南部は宇治川,桂川及び木津川の三川の河川成の堆積物とその後背湿地の堆積物よりなる.特に三川合流地点周辺は安土桃山時代以降宇治川の治水と大坂への街道整備,木津川の逆流防止のため付け替えられ,顕著な旧河道及び自然堤防跡が八幡市大住(東隣「京都東南部」地域)から伏見区淀にかけて見られる.一方,京都盆地北西部は桂川の自然堤防とその後背湿地により特徴づけられる.人工改変地としては,大阪平野の北部の古墳と宇治川の遊水池であった巨椋池の干拓地を地質図に示した.
本図幅地域の活断層としては,京都盆地西縁活断層系,男山断層,及び有馬―高槻構造線活断層系の一部がみられ,それぞれ断層地形を形成している.また,宇治川に沿った位置に北東―南西方向の宇治川断層が近年の物理探査調査などで明らかになってきている.
有馬―高槻構造線活断層系は,大阪平野の北縁を限って東北東―西南西方向に延びており,本図幅地域内にはその一部のみが分布する.この断層系は,右横ずれ成分の卓越する活動を示しており,川西市,茨木市などで東西性の細長い低地帯を作っている.この断層系に属する断層としては,花屋敷低地帯北縁断層,坊島断層,真上断層,安威断層などがある.
摂丹山地東麓の西山丘陵周辺には,京都盆地西縁断層系に属する樫原断層,灰方断層,老ノ坂断層などが雁行状に分布する.
男山断層は男山丘陵の東縁に南北に顕著な断層地形を作り,さらに南東へ延びると考えられる.高位段丘堆積物を50-60m変位させている.
宇治川断層は反射法探査などから想定される断層で,北東―南西方向に延びる断層と考えられている.この断層は,約40万年前の地層を30m程度変位させている.
(武蔵野実・楠利夫・井本伸広)
本図幅地域の超丹波帯構成層は中村ほか(1936)によって秩父古生層e層としてはじめて記載された.下部は輝緑凝灰岩から始まり,粘板岩を伴う砂岩層からなっており,層厚は900mないし1,800m以上であるとされた.e層中に化石含有層準があるとされているが記載はされていない.
次いで坂口(1958)は中村ほか(1936)の区分をほぼ踏襲し,e層基底部の輝緑凝灰岩を除く,砂岩を主とし頁岩を挟む部分について高槻層と命名した.厚さは1,700mに及び砂岩は中・粗粒,暗青色ないし灰色を呈するとした.ただし粗粒砂岩は坂口(1958)の示す高槻層のごく一部であり,大部分は細粒から中粒の暗灰色から暗緑灰色の砂岩である.なお粗粒部分の一部は本報告では,丹波帯本山寺コンプレックスに含めている.
安養寺ほか(1987)は本図幅地域に超丹波帯氷上層に類似したカタクレーサイト組織を示す砂岩を見出し,また高槻層が本図幅地域北西方「篠山」地域の味間層砂岩に類似していることを示して,本地域に超丹波帯が存在する可能性を示唆した.さらに安養寺ほか(1987)は,島本町東大寺北北西約1kmの採石場跡地に分布する高槻中の赤褐色―灰色珪質泥岩から,後期ペルム紀のNeoalbaillella ornithoformis群集の放散虫を報告した.なおカタクレーサイト組織を示す砂岩は中江(1987)により東条層,楠・武蔵野(1991)により浄土谷層とされ,ともに超丹波帯氷上層に対比された.その後Nakae(1993)は同砂岩を含む岩相について超丹波帯の浄土谷コンプレックスとし,安養寺ほか(1987)が後期ペルム紀の放散虫を報告した採石場跡地に分布する岩相も浄土谷コンプレックスとして,その年代をペルム紀とした.
武蔵野・丹波地帯研究グループ(1993)及び丹波地帯研究グループ(1995)は浄土谷層の砂岩と同様にカタクレーサイト組織を示すが同時にやや石灰質な砂岩が高槻層分布域の北側に広く見出されることを指摘し,これを本山寺層とした.ただし本山寺層から中期三畳紀の放散虫が産出したことから,超丹波帯に帰属させるかについては言及を避けた.楠ほか(1998)は,本山寺部層とした部分は超丹波帯氷上層に類似した砂岩を含むが,同時にチャート・緑色岩等のブロックを含むメランジが発達しており,その生成年代も中期三畳紀であり,構造的下位のTIIdユニットが後期三畳紀であって,丹波帯の場合構造的下位ほど時代の新しいユニットが位置するという一般性とも矛盾しないことから,丹波帯構成要素でありその最上位であるとした.
本図幅の西に隣接する「広根」地域では,超丹波帯構成要素は構造的上位の山下層及び下位に位置する長尾山層が分布する(松浦ほか,1995).それらは本図幅ではそれぞれ山下層と高槻層に対比される(第3.1表).

縦線部分は上下の地層が直接断層で接していることを示す.
本地域の超丹波帯構成層は構造的上位を占める山下層と下位の高槻層に区分される.
山下層は砂泥互層及び砂質葉理の発達した泥岩から構成され,花崗岩体によって接触変成を受けホルンフェルスとなっている.年代は後期ペルム紀と推定される.
高槻層は暗緑灰色を呈する細粒石灰質砂岩,砂岩泥岩互層,黒色―暗灰色の泥岩から構成される.本図幅地域の西部では花崗岩体の貫入により,接触変成を受けている.本層は「篠山」地域の味間層に対比され,また化学組成からは,綾部地域の十倉層砂岩泥岩互層に対応する可能性がある.本層下部には後期ペルム紀の放散虫を含む珪長質凝灰岩が含まれているが,高槻層の堆積年代を示すものかは不明である.一方,砕屑性ジルコンのフィッショントラック年代はほぼ中・後期ジュラ紀を示す.この年代が堆積年代を示すのか,それともその後の熱的変動を示すものかも不明である.
本層はSakaguchi(1961)の命名による.Sakaguchi(1961)は能勢地域に分布する丹波層群の最上部を構成する砂岩,泥岩について山下層と呼んだ.本地域の超丹波帯のうち,上位のユニットである.山下層の主要な分布域は西隣「広根」地域であり,本図幅地域での分布は狭く,露出も少ない.
大阪府豊能郡豊能町南部の石堂ヶ岡付近にのみ分布する.北端は茨木花崗岩体に貫入されている.南端は本図幅地域内では不明であるが,西隣「広根」地域では高槻層と断層で接するとされている.
中粒ないし細粒の砂岩及び泥岩から構成される.数cm―十数cmの細粒砂岩と泥岩の互層を示す部分が多く,葉理も明瞭に認められる(第3.1図).露頭条件が悪く,層厚は不明である.花崗岩により接触変成を受け砂質ホルンフェルス,泥質ホルンフェルスとなっている.

スケールは最小目盛りが1mm.
命名は坂口(1958)による.
本図幅地域内では西部ほど分布が広く,東部に向かって狭くなる.東端は大山崎町の名神高速道路の天王山トンネル西出口付近に見られる.本図幅地域の西部では箕面市北部から亀岡市西別院町南部にまで分布しているが,茨木花崗岩体の貫入を受けて東西に分割されている.分割された西南端部では山下層が上位に重なる.相互の関係は露頭では不明であるが西隣「広根」地域では断層関係である.
茨木花崗岩体の周辺では,接触変成を受けており,暗灰色緻密なホルンフェルスとなっている.
暗灰色ないし暗緑灰色の細粒から中粒の成層砂岩を主体とし,暗灰色の泥岩が挟在される.模式地の高槻市川久保集落の谷から成合にかけての層序では,全層厚1,250mである(第3.2図).最下部は丹波帯の本山寺コンプレックスと断層関係で接している.本層は主に細粒石灰質成層砂岩からなるが,淡緑色珪質の珪長質凝灰岩が挟在されており,芥川本流沿いで露頭が観察される.ただし,後述のように珪長質凝灰岩より後期ペルム紀の放散虫化石が産する(菅森,2004)が,珪長質凝灰岩が砂岩層に整合的に挟在されるかは不明である.下部には900mほどの厚さで泥質互層部がある.下部の砂岩泥岩互層は典型的なタービダイトとしての堆積構造を有しており,木村ほか(1970),井内ほか(1971)によって記載されている.中部は成層砂岩を主体とし部分的に砂岩泥岩互層となる.数cmの葉理が発達する部分も見られる(第3.3図).これらの互層の泥岩は黒色ないし暗緑灰色であるが,まれに赤褐色を呈する部分がある.赤褐色部分は数メートルまでの大きさで不規則な形状を示し,周囲の暗緑灰色ないし黒色泥岩に漸移的に変わっている.高槻層上部は層状砂岩が多く,中に暗灰色泥岩層が挟まれる.模式地付近では層厚50m程度であるが,本図幅地域西部では泥岩がより多くなる傾向がある.
なお,高槻層分布域とした中には桜井シンフォーム軸部付近に強く変形を受けた粗粒砂岩が分布するが,周囲の典型的な高槻層の中・細粒砂岩との関係は不明である.後の丹波帯の項で触れるように,粗粒砂岩は本山寺コンプレックスの砂岩に類似する.


写真の幅50cm.
本層の砂岩は高槻層の砂岩と類似するとされ(楠・武蔵野,1991),第3.4図の砂岩の鉱物組成図においても両者はほぼ重複して示されている.三角図を高槻層砂岩組成と比較しながら詳細に見ると,Q-P-K三角図において斜長石が少ない傾向があり,Q-F-R三角図においては長石がやや少ない傾向がある.ここで分析された山下層の砂岩は泥岩と互層する細粒砂岩についてのものである.中粒砂岩についてはその組成が見かけ上高槻層砂岩とはかなり異なっていて,超丹波帯の大飯層の砂岩に類似する.また中粒砂岩についての化学組成も大飯層のものとよく一致している(第3.2表).

山下層の砂岩試料は広根図幅内で採取したもの.
Q:石英,F:長石,R:岩片,P:斜長石,K:アルカリ長石.

数字は各砂岩の平均組成値と標準偏差を示す.単位は%.
本地域の高槻層砂岩は細粒石灰質であり,粒子組成ではカリ長石よりはるかに斜長石が多い点に特徴がある(第3.4,3.5図).楠・武蔵野(1991)によれば,基質を21-41%含むワッケであり,石英は13-18%含まれ,そのうち単結晶石英が多結晶石英の約2倍含まれている.長石は18-26%含まれ斜長石が多い.火山岩片では珪長質・中性火山岩片が14-25%と多い.堆積岩片は細粒砂岩・泥岩が多く4-10%含まれている.また含まれる重鉱物は緑れん石,白雲母,チタン石,電気石,ざくろ石,ジルコンなどで,その他に海緑石が認められる.化学組成では鉄・マグネシウム量が多く,Al2O3/SiO2-Basicity Index図では未成熟な島弧由来の砂岩に近い組成を示し,K*/Al*-(Fe*+Mg*)/(Al*+K*)図ではAnDi(安山岩・閃緑岩)領域に多くプロットされる(第3.6図).このような特異な組成を示す砂岩は日本の中・古生界にはまれである.なお高槻層砂岩は北西方「篠山」図幅の味間層に類似することは従来から指摘されており(安養寺ほか,1987;楠・武蔵野,1991;松浦ほか,1995),化学組成も類似する(第3.2表).
超丹波帯構成要素のうち「綾部」地域において木村ほか(1989)が命名した十倉層は,それまで大飯層として一括されていたものであるが,岩相上は大飯層の砕屑岩とは異なり砂泥互層で特徴付けられる.この十倉層の砂岩も鉄・マグネシウムに富み,その化学組成は味間層や本図幅中の高槻層の砂岩に類似する(第3.2表).

A:クロスニコル,A':平行ニコル.q:石英,pl:斜長石,r:岩片.スケールは0.25mm.

A:Al2O3/SiO2-Basicity Index[(FeO + MgO)/(SiO2 + K2O + Na2O)]図(君波ほか,1992)にプロットした超丹波帯および丹波帯砂岩の化学組成.
B:K*/Al*-(Fe* + Mg*)/(Al* + K*)図.*はそれぞれの元素についての原子存在量を表す.
この図は砂岩の原岩の組成を推定するためのもので,軸の2要素は風化によって大きくは変化しない原子比を採っている.RhGr,AnDi,BaGbはそれぞれ流紋岩・花崗岩領域,安山岩・閃緑岩領域,玄武岩・斑れい岩領域を表している.
本図幅中では化石の産出は無いが,西隣「広根」図幅の出版以降,楠ほか(1997)によって山下層から放散虫化石の産出が報告されたので,以下に記述する.
化石が産出したのは西隣「広根」地域内の兵庫県川西市猪名川支流の露頭で,珪長質凝灰岩とリボン状珪長質凝灰岩を含む黒色泥岩である.前者からは,中・後期ペルム紀の放散虫化石Follicucullus japonicus, Follicucullus sp., cf. F. ventricosus, Nazarovella infrata, Pseudotormentus kamigoriensis等の群集が,後者からはFollicucullus japonicusを含まないAlbaillella levis, Albaillella triangularisを主とする後期ペルム紀の群集が産出した(楠ほか,1997).後者のリボン状珪長質凝灰岩は周囲の泥岩と互層し,黒色泥岩からも同様の放散虫化石群集が産出することから,山下層の年代を後期ペルム紀としている.
安養寺ほか(1987)は,大阪府島本町東大寺北北西約1kmの砕石場跡地に分布する赤褐色―灰色珪質泥岩から後期ペルム紀のNeoalbaillella ornithoformis群集の放散虫を報告しており,本研究でも同様の放散虫化石が産出した(第3.7図).前述したように,高槻層にはまれに赤褐色を呈する泥岩がレンズ状に含まれることがあるが,灰色ないし淡灰緑色の珪質泥岩はまれである.露頭ではこれらの泥岩部分と高槻層の典型的な灰緑色砂岩との間には小断層が認められ,高槻層堆積時の年代を示すものとは確定できない.
また,芥川中流の丹波帯との境界より約200m南(第4.21図,地点69)にはチャート様の珪質凝灰岩のブロックがあり,ペルム紀の放散虫化石が報告されている(菅森・八尾,2004).ただし菅森・八尾(2004)ではこれらのペルム紀の珪長質凝灰岩を含む岩相は,超丹波帯のUT2ユニットであるとして,高槻層とは別のものとしている.
なお安養寺ほか(1987)は京都府長岡京市浄土谷集落付近の砂質泥岩より前期ジュラ紀前期の化石を報告し,当該砂質泥岩は味間層に類似しているとしている.味間層は本地域の高槻層に対比されている(栗本ほか,1993)ので,この化石は高槻層のものということになるが,化石産出地点は本図幅では丹波帯とした地域内にあり,高槻層中の化石ではなく,年代も異なることが明らかとなっている(楠,1994).
前述したように兵庫県篠山地域の味間層は高槻層に対比されており,栗本ほか(1993)は兵庫県山南町阿草の篠山川右岸に見られる味間層の赤色泥岩よりNassellariaを抽出し,これを中生代型の放散虫化石と判断している.また味間層との対比で中生界とする考えもあるが,その後味間層の化石産出露頭からの再抽出には成功しておらず,中生代化石として確定的であるとは言えない.
以上のように本地域の高槻層の黒色―暗灰色泥岩からは時代決定に有効な化石は産出していない.
本図幅調査に関わって,高槻層砂岩の砕屑性ジルコンについてフィッショントラック年代測定を行なった.試料採集位置等を第3.3表に示す.この結果によれば年代は中・後期ジュラ紀となる.Nakae(1993)は安養寺ほか(1987)の浄土谷での後期ジュラ紀化石の産出報告をもとに,高槻層及び味間層が後期ジュラ紀に超丹波帯の古生界基盤上に堆積した前弧盆堆積物であるとしている.ただし,前述のように化石は高槻層のものではない.砕屑性ジルコンのフィッショントラック年代が堆積年代に近いものであるとすれば,Nakae(1993)の考えを支持する.一方,ジルコン粒子の年代はよく集中しており,堆積後の熱的変動によってリセットされた可能性も残されている.
なお本図幅地域の超丹波帯の地質年代をまとめると第3.8図のようになる.

スケールは100μm.
1.Neoalbaillella ornithoformis Takemura and Nakaseko
2.Follicucullus charveti Caridroit and De Wever
3.Albaillella(?) sp.
4.Ishigaum trifustis De Wever and Caridroit


本図幅地域の超丹波帯は衝上断層によって,丹波帯構成岩類の上に載っているものと考えられる.ただし両地帯の境界断層はその後の変動により高角をなすことが多く,本山寺西の芥川の河床に見られる境界断層は垂直に近く10m以上の破砕帯を伴っている.
高槻層は地質図では東側に閉じた向斜構造を成し,波長1-2kmほどの褶曲構造が繰り返して見られる.全体としての層厚は薄く,フェンスターとして丹波帯本山寺コンプレックスが認められる部分もある.また採石場などの大露頭で観察すると,波長5-20mほどのゆるい褶曲構造が全体に見られる.
(楠利夫・井本伸広・武蔵野実)
本地域の丹波帯についての本格的な地質研究は大正末期に始まり,それらの成果は,地質調査所の7.5万分の1「伏見」図幅(石井,1932)や「京都西山の地質」(中村ほか,1936)として結実した.戦後,坂口重雄らは丹波帯の広い範囲について精力的に調査を行い,本地域についても層序区分を行った(坂口,1958;Sakaguchi, 1961, 1963 ; Sakaguchi and Yamagiwa, 1958, 1963).従来,丹波帯での地質年代の検討は,主に緑色岩に伴って産する小規模な石灰岩に含まれる紡錘虫やさんご化石などに基づいてなされてきた経緯があり,そのため石灰岩にとどまらず化石を産しない砕屑岩やチャートの年代もすべて後期古生代とみなされてきた.
1960年代末頃から,三畳紀や後期古生代の有効な示準化石としてコノドントが注目されるようになり,本図幅地域においてもHalobia化石と共に三畳紀コノドントの産出が報告され(Nakazawa and Nogami, 1967),丹波帯における中生界の存在を示唆するさきがけとなった.さらに1970年代から80年代には,いわゆる本州地向斜堆積相の地質年代を検討するうえで,コノドントに加えて放散虫化石が脚光を浴びるようになり,丹波帯についても,チャートや頁岩など普遍的に分布する岩相の年代が石炭紀からジュラ紀に及ぶことが明らかとなってきた.そうした面で,本地域においていくつかの先駆的な研究がなされた(Isozaki and Matsuda, 1980;Takemura and Nakaseko, 1981).
1990年代には,放散虫化石による本図幅地域の層序の再検討が始まり,地帯区分を含めた活発な議論がなされるようになった(第4.1表).
一方,構造発達史については,1970年代後半に入ると日本においても,それまで主流を占めていた地向斜造山論に代わって,プレートテクトニクスに依拠した論議がなされるようになってきた.丹波帯でも1980年代になって,基本的な構造として,岩相や年代の組み合わせを異にする2組の地質体(suite, unit, complexなど)がナップを形成しているとする考えが提起された(石賀,1983;Imoto, 1984).現在では,こうした構造はさらに細分化され,過去における海洋プレートの断続的な沈み込みによる付加作用に起因するとみなされている.さらに,付加作用の進行に伴う後背地の変遷について,砂岩の鉱物組成の変化をとおして解明する試みもなされてきている(楠・武蔵野,1991,1992).
さらに,丹波帯の構造的上位にナップとして重なる「超丹波帯」の存在が明らかにされた(Caridroit et al., 1985;Ishiga, 1990).その相当層は南部においても認められており,西隣「広根」図幅の山下層・長尾山層,本報告においては前述のように山下層・高槻層として記述されている.
丹波帯を含む5万分の1地質図幅の刊行は「小浜」地域(広川ほか,1957)に遡るが,プレート論に立脚した図幅は,「京都西北部」地域(井本ほか,1989),「綾部」地域(木村ほか,1989)に始まり,本図幅に隣接する図幅として北西隣「園部」地域(井本ほか,1991),西隣「広根」(松浦ほか,1995)及び北東隣「京都東北部」(木村ほか,1998)が既刊である.

各ユニット・コンプレックスの境界(▲印)は衝上断層.
丹波帯は,かつて地向斜堆積物とみなされていたが,最近では放散虫化石層序の確立に伴って,その大部分が海洋プレートの沈み込みによって形成された付加体ととらえられ,近隣の「広根」地域や「篠山」地域において図幅調査と再検討がなされた(例えば,栗本ほか,1993;松浦ほか,1995など).さらに,現世の付加体堆積物の研究が進むにつれて,丹波帯の堆積物についても沈み込み帯から離れた前弧海盆堆積物の存在も想定されるようになった(武蔵野・楠,1989;Nakae, 1993;栗本,1994など).
丹波帯の地層群は,石賀(1983)やImoto(1984)らによって年代の異なるI型地層群(後期ジュラ紀)とII型地層群(前期―中期ジュラ紀)に大別された.そして,現在ではこれら両地層群は,いずれも本来緑色岩・チャートに代表される海洋起源の物質と陸源砕屑岩からなる付加体で構成され,それらが順次付加混合してできた堆積岩の集合地質体(堆積岩コンプレックス)から成り立っているとみなされている(中江,2000a,bなど).
この堆積岩コンプレックスの理想的な基本層序は,下位から海洋底基盤岩の緑色岩,次に遠洋性堆積物を代表するチャート,そして陸源の砂岩・頁岩が年代順に順序よく重なる海洋プレート層序を示すとされている(井本・八尾,1986;Isozaki and Maruyama, 1992;中江,2000aなど).このような一連の海洋プレート層序を付加体の基本的ユニットと見なす.こうした基本的なユニットは,付加体形成時の褶曲や断層運動によって地層が繰り返したり混在岩を形成したりするため,野外調査で一連の海洋プレート層序を確認することはほとんど不可能である.したがって,断片的な海洋プレート層序構成岩と砕屑岩の年代などを総合することによって,一つのまとまった地質体として認識できるものを堆積岩コンプレックスと定義する.
一般に,海洋プレート層序が陸域に到達する際に,先に到着した海洋プレート層序の下底に後続のユニットが底付け付加される.したがって,各堆積岩コンプレックスの上下は断層で画され,構造的下位の堆積岩コンプレックスほど砕屑岩の年代が新しいという極性が認められる.
本図幅地域の各コンプレックスと他地域のそれらとの対応を第4.2表に示す.このうち三畳紀堆積岩コンプレックスの一部は,表中には記載されていないが,以前から「京都西北部」図幅の周山ユニット(井本ほか,1989)や「篠山」図幅の藤岡コンプレックス(栗本ほか,1993;高城山団体研究グループ,1993)の各シンフォーム最上部付近において断片的に認められていた.
本図幅地域における丹波帯の特徴は,桜井シンフォーム軸部に分布する超丹波帯を挟んで両翼にII型地層群の三畳紀堆積岩コンプレックスが分布する点にある.それらは構造的上位から本山寺コンプレックスと出灰コンプレックスの2種に区分される.その外側にはジュラ紀堆積岩コンプレックスが位置する.さらにジュラ紀堆積岩コンプレックスはII型地層群の田能コンプレックス,年谷川コンプレックス,老ノ坂北側に分布する唐櫃越コンプレックス,I型地層群の嵐山コンプレックスの4種に細分される.これらの各堆積岩コンプレックスは,ほぼ東西性の褶曲や衝上断層で繰り返している.
また,本図幅地域西北部の西別院から犬飼川周辺にかけて分布するコンプレックスは,貫入岩体による変成や変形を受けているため,微化石によるコンプレックスの対比が困難である.しかし,岩相や石灰岩レンズに含まれる化石や砂岩の岩相から,南側地域が田能コンプレックスに,中央部が唐櫃越コンプレックスに,北側が嵐山コンプレックスにそれぞれ対応可能である.

武蔵野・丹波地帯研究グループ(1993)の本山寺層を再定義.坂口(1958)の出灰層のうち,主にPV,PVIに相当する.また,Nakae(1993)が超丹波帯の浄土谷コンプレックスとした地質体は,本コンプレックスの中・上部にほぼ相当する.本コンプレックスの砂岩は,後に示すように丹波帯のジュラ紀砂岩とは異なる特徴的な岩相と鉱物組成を示す.このコンプレックス中には,構造的位置から見て中江(1987)の東条層,楠・武蔵野(1990,1991,1992)によって浄土谷層とされた地層を含んでいる.
芥川上流及び水無川上流の川久保から北のポンポン山登山口に至るルート(第4.1図A・B,第4.2図).

A:本山寺コンプレックス-高槻層ルート,B:田能・出灰コンプレックスルート.

東西性の桜井シンフォーム中央部に分布する高槻層を挟んでその両翼と,シンフォーム東端部に分布する.
桜井シンフォーム北翼側で最も広く分布する地域は,車作北部から田能に至る断層の東側で,ポンポン山―釈迦岳方面から高槻層に至る南北約2km×東西約6kmの範囲である.また,南北性の西山断層の東側で分布域は南東方向へ大きく移行し,浄土谷及び天王山地域にも分布する.南翼側では砂岩の発達が悪い.
桜井シンフォーム東端では,尺代南方の若山神社付近から桜井台西部の地域に,小規模ではあるが粗粒な砂岩主体の本コンプレックスが分布している.
なお,桜井シンフォーム軸部付近には,フェンスターとして本コンプレックスが認められるところもある.
第4.3図に地質柱状図を示す.見かけの厚さは桜井シンフォーム北翼の川久保―ポンポン山ルートで約1,600m,芥川沿いルートで約700mである.

A:芥川沿いのルート,B:ポンポン山-川久保のルート,H:本山寺コンプレックス,I:出灰コンプレックス
本コンプレックスは頁岩を主体とし,砂岩・緑色岩・チャートを含む.特に従来の丹波帯には見られなかった特異な岩相を呈し,本山寺砂岩AタイプとBタイプに区分した2種類の砂岩を含んでいる.次に下部から上部へ岩相ごとにその特徴を記述する.
下部の頁岩は,砂岩やチャートの岩塊を含み,剥離性を有することが多く(第4.4図A),混在岩の様相を呈している(第4.4図B).また,灰黒色珪質ノジュールもしくは灰黒色珪質礫を含んでいる部分も認められ,大きいものでは直径約30cmに達するものもある(第4.5図A).
下部から上部に向かって,次第に本山寺砂岩(Aタイプ,Bタイプ)が発達していく.本山寺砂岩は岩相と岩質によって下部―中部の本山寺砂岩Aタイプと上部の本山寺砂岩Bタイプに分けられる.本山寺砂岩Aタイプは黒灰色を呈し,淘汰が悪く,基質がやや多い石英長石質砂岩である.稀に角閃石や輝石などの副成分鉱物が多く残っているものが認められる(第4.6図A,A').本山寺砂岩Bタイプは主に暗緑灰色を呈し,層理が不明瞭で塊状をなす(第4.7図).一般に淘汰が悪く,基質と方解石脈が多い.細粒砂岩では,露頭においては高槻層砂岩の岩相に類似しているが,両者の砂岩は岩片の量比が大きく異なるため,鏡下において区分できる.特に,超丹波帯高槻層周辺の砂岩の薄片観察では,石英や斜長石に圧力溶解が認あられる(第4.8図A,A').
チャートは,黒灰色,灰色,赤褐色で,単層の厚さは1-5cm,見掛けの全層厚は100m以下である.走向方向の連続性は悪いが,同様な岩相を示すチャートは側方の同層準に認められることが多く,地質図においては比較的長いレンズ状に表現している.
緑色岩は,玄武岩溶岩あるいは玄武岩火砕岩で暗緑色を呈し,発泡痕の見られるものが多い.本山寺コンプレックス最上位で高槻層の境界となる緑色岩は,本山寺参道において顕著な枕状構造を呈する部分も認められる(第4.5図B).これらの緑色岩の走向方向の連続性は悪く,地質図においてはレンズ状に表現している.

A:頁岩ノジュールあるいは頁岩礫の産状.
B:混在岩.

A:本山寺コンプレックス中のノジュール.
B:本山寺コンプレックス最上部の玄武岩溶岩露頭.

A:クロスニコル,A':平行ニコル,ho:角閃石.スケールは0.1mm.

尺代の旧採石場における塊状砂岩の露頭.

A:クロスニコル,A':平行ニコル.圧力溶解が認められる.
q:石英,pl:斜長石,k:アルカリ長石.スケールは0.5mm.
Nakae(1993)の出灰コンプレックスを再定義.本コンプレックスの最下部は,坂口(1958)の田能層最上部(PIII)とHalobia化石を産出する石灰岩ブロックを含む緑色岩層を含み,その北側に発達する緑色岩層を基底とする.本コンプレックスの最上部は出灰町付近で典型的に認められ,坂口(1958)の出灰層の下部(PIV)に相当する.Nakae(1993)の出灰コンプレックスとは上下の層準が異なっている.
主に桜井シンフォーム北翼に分布し,南翼には成合の車方でわずかに認められる.本コンプレックスは,図幅地域のほぼ中央部において西北西から東南東方向に幅約13kmで分布している.本山寺コンプレックスと本コンプレックスの境界に分布する中期三畳紀のチャートが認められない場合は,本コンプレックスは本山寺砂岩が分布する層準までとしている.また,西山断層の東側では走向が南東に大きく変化する.
出灰コンプレックスには2種類の石英質砂岩が含まれている.これらのうち最上部に分布する石英質砂岩は他の砂岩と岩相が異なるため“ポンポン山砂岩”と呼ぶ.“ポンポン山砂岩”は,出灰南西の黄竜寺北付近を通って芥川を横切り,ポンポン山,釈迦岳を経て柳谷の北部にかけて幅約1kmで,東西方向に分布する.西山断層を挟んで東側は,大きく走向方向が南東に変化する.この地域は主に頁岩のみからなる.本コンプレックスと構造的下位の田能コンプレックス最上部には,緑色岩やチャートを含む混在岩が多く見られ,剪断帯が発達する.
黒色頁岩を主とし,砂岩やチャート,石灰岩の小岩塊を含み,剥離性を有する.頁岩は砂質なことが多く混在岩の様相を呈している.下部及び中部の頁岩は,細粒砂岩頁岩互層やハイアロクラスタイトの薄層を挟んでいる.特に,最上部の頁岩層は塊状の頁岩で,細粒砂岩やシルトからなる平行な葉理が発達する.また,砂岩のボールが含まれたり,黒灰色珪質頁岩のノジュールも認められるが,チャートや緑色岩のレンズなどは認められない.頁岩層の上位には“ポンポン山砂岩”が分布する.
砂岩は一般に細粒―中粒で,頁岩と互層することが多く,基質の少ないやや石英質な砂岩である.中部層上部と上部層には,砂岩部の層厚が20cm前後の砂岩頁岩互層が発達する(第4.11図).
本コンプレックス最上部には,楠・武蔵野(1990,1991,1992)による“ポンポン山砂岩”や楠ほか(1998)による“ポンポン山砂岩”部層が発達している.“ポンポン山砂岩”は,暗灰色―淡灰色を呈し,淘汰の良い緻密な中粒の石英質アレナイトである.ただし,出灰コンプレックス内のTIIdタイプ砂岩の基質が少なくなると,基質のやや多い“ポンポン山砂岩”の岩相に似た岩相を示すことがあり,野外での識別が難しい場合がある.砂岩は頁岩と互層し,頁岩層の厚さに変化は認められないが,砂岩の上下方向での層厚変化は著しく,南上位で上方ほど層厚を増す傾向がある.また,出灰コンプレックスの一般傾斜が60°前後の南傾斜であるのに対して,ポンポン山周辺の“ポンポン山砂岩”の傾斜は20-40°前後の南傾斜を示し,周辺の地層の傾斜よりやや低角な傾向がある(第4.11図).また,“ポンポン山砂岩”は破断や変形が小さく,海洋起源のチャートや緑色岩を含まず,スランプボールと成層頁岩,砂岩頁岩互層からなっている.これに対し他の石英質砂岩はそれらとは異なり,特有の変形を受けておりチャート・緑色岩と混在するなど,典型的な付加体の岩相を呈している.
チャートは,黒灰色,灰色,赤褐色を呈する凝灰質ないし泥質なもので,単層の厚さは数cm-10cm強の層状チャートで,見掛けの全層厚は100m以下である.走向方向で膨縮が激しく連続性に乏しい.このため地質図ではレンズ状に表現している.しかし,同様の岩相を呈するチャートは,側方の同層準に認あられることが多い.
緑色岩は,玄武岩溶岩あるいは玄武岩火砕岩が多く,一般に暗緑色を呈しているが,赤褐色―赤紫色を呈するものもある.層厚は変化に富んでいるが,東西の走向方向での連続性は良く,主に2層準に発達する.比較的厚い緑色岩(坂口(1958)のg3,g5)には多数の石灰岩レンズを伴っている.
石灰岩は,緑色岩中に数m―十数mの厚さのレンズ状岩体やハイアロクラスタイト中の角礫として産出するが,Halobia化石を含む石灰岩のように,頁岩中にレンズ状岩体として産出するものもある.芥川上流の両国橋付近の凝灰岩には層厚数cm―十数cmの石灰岩レンズが認められ,灰緑色の細粒な凝灰質フィルムを挟んでいる(山田ほか,1977).長岡京市走田付近の石灰岩レンズ(地点37)には魚卵状の石灰岩が含まれる.
なお,1m×1mの礫岩の転石が芥川沿いの本山寺コンプレックスと高槻層の境界付近の河床において見いだされた.礫岩中には拳大の石灰岩を含んでおり,本山寺コンプレックスや高槻層において石灰岩は認められていないことから,この礫岩は出灰コンプレックスなどから由来したものと判断される.

A:薄い砂岩頁岩互層を挟む.
B:大沢奥のポンポン山登山道.
Nakae(1993)の田能コンプレックスを再定義.本コンプレックスは,坂口(1958)の命名した田能層下部―中部(PI,PII)に相当し,主たるコンプレックスの岩相層序が田能層に属することからその名称とした.中江(1987)のT-1,Nakae(1993)の田能コンプレックスとは上限の層準が異なる.
田能より東方の中畑,外畑北の厚いチャートから出灰川沿いに大原野を経て出灰町に至るルート.
分布幅約2-3.5kmで,西から西別院町,東別院町,田能,大原野,小塩山付近へと帯状に分布する.また,王子付近から鵜ノ川上流地域にも分布する.箕面地域については,化石や砂岩の特徴は不明であるが,構造的位置関係から田能コンプレックスの分布域を推定した.
見かけの厚さは外畑―出灰川沿いで約1,800mである(第4.12図).黒柄岳や明神ヶ岳には,最下部に属する石炭紀―ペルム紀の厚いチャートが分布する.小塩山から明神ヶ岳の南には小褶曲が認められ,層厚がやや厚く見える.中・上部には頁岩を主体とする砕屑岩層が重なる.田能コンプレックスは,基底部の厚いペルム紀チャートと下位の砕屑岩層との間に認められる小塩山衝上断層によって,下位の年谷川コンプレックスと画される.この関係は,篠北東の田能コンプレックスと唐櫃越コンプレックスとの関係と同様である.また,上位の出灰コンプレックスとの境界は,出灰コンプレックスの石灰岩小レンズを伴う緑色岩下底部とする.

出灰川沿い.
頁岩は灰黒色で,全体に砂岩やチャートの小岩塊を含み,剥離性がある.頁岩中には,シルトサイズ以上の砕屑粒子をほとんど含まない,塊状で均質な緑灰色の珪質頁岩が砂岩層に挟まれて産出する部分もある.中・上部の黒色頁岩中には,白色―灰白色の珪長質凝灰岩が挟まれており,放散虫化石を多産する.最上部の頁岩は砂質なものが多い.
砂岩は,頁岩中のブロックとして産出するものと砂岩頁岩互層を成して東西に良く連続するものとに区分できる.本コンプレックス下部では前者が,中部―上部では後者が卓越する.両方の砂岩共に,かつて坂口ほか(1970)によって“グレイワッケ”として記載されたもので,黒灰色をした基質と岩片の多い緻密なTIIcタイプの砂岩(楠・武蔵野,1989,1990など)である.
チャートは,主に下部に連続性の良い層状チャートとして分布する.本コンプレックス基底部のチャートは,分布幅は最大約1kmで,西隣「広根」地域から東方へ西別院,春日部,桜峠,小泉,黒柄岳,明神ヶ岳へと南北性の断層でずれながら連続する.この基底部のチャートは,主に黒灰色―灰白色,赤色の層状チャートで単層の癒着が強く塊状に見えることが多く,劈開の発達が著しい.このうち,春日部付近のチャートは赤褐色で,ドロマイトと互層し,石炭紀の微化石を含んでいる.小塩山周辺にも,東西方向の連続性に富むチャートが2層準に認められるが,小褶曲が著しい.中・上部のチャートは頁岩中に認められ,連続性に乏しく走向方向に尖滅する小岩塊として含まれる.
緑色岩は,顕著なものでは田能より東部地域で2層準に,西部地域で1層準に認められる.摂丹山地東部地域の緑色岩は,東西の連続性に比較的富むもので,外畑付近で最大層厚をなし小塩山へ続き,奥海印寺北部で尖滅する.下部の緑色岩は,枕状構造を有し発泡の著しい玄武岩溶岩あるいは玄武岩火砕岩が多く,一般に暗緑色を呈している.一方,上部の緑色岩は赤褐色―赤紫色を呈す.これらの緑色岩には石灰岩のレンズを含んでいる.西部地域の緑色岩は,二料の北北東約1.5kmでチャートを伴っている.
石灰岩は,頁岩中の小岩塊あるいはレンズとして認められるものと,緑色岩に伴う岩塊の2種認められる.
次に,王子付近から鵜ノ川上流地域に分布する田能コンプレックスについて,岩相の特徴を中心に記述する.
砂岩は,上部で砂岩頁岩互層が認められるが走向方向の連続性が悪く,レンズ状である.その砂岩は,細粒から中細粒で淘汰が良く,黒灰色をした基質の少ない緻密な石英質砂岩である.一方,走向延長にあたる老ノ坂東方の砂岩は,砂岩頁岩互層をなす黒灰色をした緻密で基質と岩片の多い砂岩である.鵜ノ川上流地域の砂岩は,細粒―中粒の基質の多いワッケで頁岩と互層する.
チャートは僅かにレンズ状のブロックとして含まれるにすぎない.
老ノ坂付近の緑色岩は,レンズ状の小岩体の玄武岩溶岩あるいは頁岩中のハイアロクラスタイト薄層であるが,老ノ坂峠を挟んで厚さ約80mで北東―南西に延びる暗緑色の緑色岩は,玄武岩溶岩である.
石灰岩はブロックとして僅かに含まれるのみで,亀岡市王子の北東約700mの林道の緑色岩に伴うレンズがある.鵜ノ川上流域の石灰岩は緑色岩を伴って僅かにブロックとして含まれるのみである.
新称.本コンプレックスは,本図幅地域東部の鵜ノ川沿いのルート及び本図幅地域中央部の西川沿いに典型的な地層が分布する.坂口(1973)が汁沢池層(P4),年谷川層(P5)とに区分し命名した地層に相当する.Nakae(1993)の老ノ坂コンプレックスとは上限の層準は同じであるが,下限の層準が異なる.
年谷川沿い中流の矢田町から上流の杉尾の西に至るルート.
年谷川や西川上流では塊状砂岩,礫岩,砂岩頁岩互層が主体となり,本図幅地域北部において幅約3kmで東西方向に分布する.
本コンプレックスは,主に塊状砂岩,砂岩頁岩互層,礫岩,頁岩層よりなり,わずかにチャートを挟んでいる.
砂岩は,塊状なものを主とする.西川と年谷川河床での堆積構造の観察では,一見塊状に見えるが,パッチ状の頁岩を多く含み,頁岩のクラストを挟みながら厚さ数十cm規模で級化を繰り返していることから,下位の頁岩を削り込んだために砂岩頁岩互層が癒着し塊状に見えると考えられる.
年谷川中流の砂岩3試料にっいての砂岩組成は,基質が約17%で,Q-F-R三角図においてはTIIbユニットの砂岩組成の領域にプロットされる.
砂岩頁岩互層は,砂岩層の厚さが5―数十cmあり,級化と平行葉理の認められるものがある.
礫岩は,田能の北,杉尾北東の林道沿いの河床で観察でき,上部の厚い砂岩層基底部に多く認められる.基質が中粒―極粗粒の砂岩で,円礫及び頁岩の偽礫を含む不淘汰礫岩である.
頁岩は,雲母を多く含み葉理が顕著な黒色頁岩が多い.東別院町小泉の北約400mの地点43(第4.21図)の頁岩には珪長質凝灰岩の薄層が認められ,放散虫化石を産出する.
チャートや緑色岩類は,砂岩中で数m―十数mのブロックとして認められるにすぎない.
鵜ノ川中流地域にも衝上断層によって挟まれて年谷川コンプレックスが分布する.この地域の砂岩は,淘汰が悪く中粒―粗粒の基質の少ない石質アレナイトで,頁岩のパッチ状岩片が多く,風化すると花崗岩質に見える.砂岩層の基底部には礫岩層を挟んでおり,岩相は前述の杉尾北東の礫岩に類似している.
新称.西芳寺川右岸沿い(西南側)の唐櫃越にかけて分布する.坂口(1973)の山本層(P2)の下部に分布する唐櫃越砂岩と西芳寺層(P1)を含んでいる.Nakae(1993)の老ノ坂コンプレックスの下部と西芳寺コンプレックスの上部に相当する.
西芳寺川に沿う断層を境とし,断層の西南側で西芳寺川中流の北東―南西方向に延びる谷のルート.
唐櫃越に分布する厚い砂岩頁岩互層と王子付近の出灰コンプレックスのチャートとの境界にある断層から北東方向へ,西芳寺川に沿う断層までの地域に分布する.同様の地層は走向方向の保津川上流沿いにも分布する.また,本図幅地域西北端の犬飼川周辺にも類似した岩相の分布が認められる.
頁岩を主とし,緑色岩やチャートの小岩塊をレンズ状に含む部分や,スランプボール様の砂岩を含む頁岩からなる部分がある.頁岩は全体に砂質であるが,一部に放散虫化石が密集して含まれる緑灰色珪質頁岩の薄層を伴う.
砂岩は,灰色を呈し石英質な中粒―細粒な粗粒砂よりなる砂岩で,砂岩頁岩互層を構成しており,唐櫃越周辺に厚く分布している.王子北東の中ノ谷林道奥に分布する砂岩頁岩互層は,露頭観察では上方厚層化しており,層理が明瞭で級化や平行葉理などの内部堆積構造が発達する(第4.15図).砂岩の鏡下における観察では,II型地層群の砂岩に特徴的なざくろ石を多く含み,I型地層群の砂岩に特徴的な円磨された紫色ジルコンや白雲母をほとんど含まない.緑色岩は,西芳寺川の西側に沿って薄い層厚で分布する.方解石の放射状集合体(菊花石)をなすレンズ状石灰岩が認められる.

A:上方厚層化している.
B:級化層理や平行葉理が明瞭.
新称.坂口(1973)による西芳寺層(P1)の下部に相当し,Nakae(1993)の西芳寺コンプレックスの下部に当たる.井本ほか(1989)ではI型地層群とされている.
コンプレックス境界は西芳寺川に沿う断層で,断層より北東側で西芳寺川中流の北東―南西方向に延びる谷のルート.
西芳寺川に沿う北西―南東の断層から北東側の地域に分布する.同様の地層は保津川下流域にも分布する.また,本図幅地域西北端の犬飼川周辺にも類似した岩相の分布が認められる.
頁岩は剥離性を有し,チャートや砂岩がレンズ状に含まれる.白雲母を多く含む典型的なI型地層群の砂岩(楠・武蔵野,1989)が認められる.保津川の中流域の“壁岩”や“屏風岩”付近の岩相と類似し,保津川下流付近の下底部には厚さ約250mの緑色岩が認められている(Isozaki and Matsuda, 1980).
三畳紀堆積岩コンプレックスとりわけ本山寺コンプレックスの砂岩については,丹波帯の砂岩としては特異な岩相・岩質を示すことから,超丹波帯や丹波帯の他のコンプレックスに含まれる砂岩との関係を検討する上で重要と考えその組成について詳細に記述する.

A及びB:クロスニコル,A’及びB’:平行ニコル.上段はAタイプ砂岩,下段はBタイプ砂岩.
q:石英,pl:斜長石,k:アルカリ長石.スケールは0.5mm.
川久保奥で中期三畳紀後期から後期三畳紀前期の放散虫化石を産出する本砂岩は,級化構造から判定すれば南上位で,下部の砂岩単層の層厚は40-50cmで,南に向かって次第に薄くなり,逆に泥質部が厚くなる.上部の砂岩頁岩互層中には帯緑色の頁岩層も認められ,上部の泥質部でやや多く挟まれている.砂岩は,黒灰色の不淘汰砂岩で,基質を40%近く含むワッケである(第4.16図A,A').藤原(1977)の重鉱物型はざくろ石A型である.
楠・武蔵野(1990,1991,1992)が浄土谷層とした砂岩がこのタイプに含まれる.この砂岩のうち尺代付近の採石場砂岩は,単層が不明瞭で互いに癒着していることが多く,塊状に見えるが,内部堆積構造の観察できるところでは単層の層厚が数10cm-1.5m強と変化に富み,級化構造は不明瞭である.高槻層に近づくと砂岩の層理は明瞭となり,単層の層厚も20-60cmと薄くなる傾向が認められる.このタイプの砂岩は,石灰質で緑灰色の頁岩を伴う.岩質は淡緑灰色でAタイプよりもさらに不淘汰の花崗岩質砂岩である.砂岩は,基質を約37%含むワッケである(第4.16図B,B').
本山寺砂岩のAタイプとBタイプの基本的な鉱物組成はあまり異ならないが,岩片の量においてはBタイプに多いものが認められる.石英は25~30%含まれ,このうち単結晶石英が18-25%と多結晶石英よりかなり多い.長石は斜長石が多く,アルカリ長石の約1.5倍である.両タイプともに岩片のほとんどが花崗岩質岩片である.藤原(1977)の重鉱物型ではざくろ石A型,もしくはざくろ石B型である.
出灰のHalobia化石を産出する石灰岩周辺の砂岩
北東隣「京都西北部」地域の周山シンフォームや,そのシンフォーム延長で「園部」図幅の中山峠などに分布する砂岩で,楠・武蔵野(1990,1991,1992)がTIIdタイプとした三畳系のものがこの砂岩に相当する.基質の平均が18.7%のワッケである(第4.17図A,A').長石は斜長石がアルカリ長石よりやや多く,アルバイト集片双晶を呈するものが多い.岩片は珪長質―中性火山岩のものが多い.重鉱物は,緑れん石,ざくろ石,ジルコン,チタン石,ルチル,電気石,白雲母や不透明鉱物よりなる.このほか海緑石をわずかに含んでいる(楠・武蔵野,1992).藤原(1977)の重鉱物型ではざくろ石A型である.

A:クロスニコル,A’:平行ニコル.q:石英,pl:斜長石,r:岩片.スケールは0.5mm.
各砂岩についてQ-P-K三角図とQ-F-R三角図で比較するとその違いはさらに明瞭となる(第4.19図).出灰コンプレックスの砂岩は,丹波帯の三畳紀砂岩の鉱物組成でTIIdタイプとした砂岩の範囲に入っているが,本山寺コンプレックスの砂岩(本山寺砂岩A,Bタイプ)と“ポンポン山砂岩”の多くはその範囲から外れることから,丹波帯プロパーの鉱物組成とは異なっている.
Q-P-K三角図における“ポンポン山砂岩”の鉱物組成は,本山寺砂岩(A,Bタイプ)の組成範囲限界のQ-K端への偏りが見られ,斜長石が少ない.しかし,Q-F-R三角図では“ポンポン山砂岩”の組成は,本山寺砂岩(A,Bタイプ)の組成範囲のほぼ中央部に含まれており,本山寺砂岩と区別できない.また,各砂岩組成をQ-F-R三角図で比較すると,本山寺コンプレックスの砂岩は,Aタイプでは岩片と石英が多く,Bタイプではそれらが少なく長石が多い.各砂岩全体のまとまりをQ-P-K三角図で比較すると,“ポンポン山砂岩”の石英量が多く,成熟度が高いことを示している.このように各砂岩は,岩相ばかりでなくその組成的特徴も異なっている.
鉱物組成と年代変化の関係について見ると,中期三畳紀から後期三畳紀へ,そして前期ジュラ紀へと岩片質な組成へと変化し,火成活動の再開などに伴うルーフィングが認められる.
なお丹波帯のジュラ紀堆積岩コンプレックスの砂岩については第4.20図にその組成を示す.ジュラ紀堆積岩コンプレックスは,II型地層群の前期ジュラ紀TIIcユニット,前期ジュラ紀後期―中期ジュラ紀前期のTIIbユニット,中期ジュラ紀中期―後期のTIIaユニット,後期ジュラ紀のI型地層群(TI)に区分されている(楠・武蔵野,1989).これらの各ユニットや地層群に含まれる砂岩の岩相や鉱物組成・化学組成においてそれぞれ特徴のあることが知られている.特に鉱物組成は,Q-F-R三角図において,岩片の多いTIIcユニットから石英の多いTIへとユニットの年代順で系統的に変化し,後背地の削剥による深部露出と考えられ明瞭なアンルーフィングが認められる.

Q:石英,F:長石,R:岩片,P:斜長石,K:アルカリ長石.

Q:石英,F:長石,R:岩片,P:斜長石,K:アルカリ長石.
本図幅地域からは,主に紡錘虫,さんご,二枚貝,腕足貝,コノドント,放散虫などの化石の産出が報告されている(Sakaguchi and Yamagiwa, 1958;坂口,1958;Sakaguchi, 1961 ; Sakaguchi and Yamagiwa, 1963;坂口,1965;Nakazawa and Nogami, 1967;山田ほか,1977;吉田,1977;同志社香里高校地学研究会,1979;Isozaki and Matsuda, 1980 ; Takemura and Nakaseko, 1981;井本ほか,1989;本田・丹波地帯研究グループ,1991;楠,1994;中沢,1994;丹波地帯研究グループ,1995;楠・井本,1996;井本ほか,1997;谷本ほか,2003;菅森・八尾,2004;菅森,2004など).さらに,今回新たに数地点のチャートおよび頁岩から放散虫化石を得ることができた.本報告では,これまで報告された化石産出地点をまとめるとともに,今回新たに得られた化石産出地点を含めて第4.21図に示す.また,各コンプレックスに特徴的な化石とその年代,産出する岩相について概略を記載し,各コンプレックスの地質年代について検討する.なお,本図幅地域から新たに産出した主な放散虫化石を第4.22図に示す.

▲:頁岩・珪長質凝灰岩からの微化石,●:チャートからの微化石,◎:石灰岩からの化石,○:転石からの化石.

スケールは全て50μm.
1.Dictyomitrella(?)kamoensis Mizutani and Kido:地点40
2.Tricolocapsa plicarum Yao:地点40
3.Tranhsuum maxwelli(Pessagno):地点40
4.Parahsuum simplum Yao:地点47
5.Gigi fustis De Wever:地点50
6.Bagotum sp.:地点50
7.Parahsuum ovale Holi and Yao:地点46
8.Canoptum triassicum Yao:地点49
9.Latium sp. cf. L.paucum:地点41
10.Gorgansium sp.:地点41
11.Triassocampe deweveri(Nakaseko and Nishimura):地点57
12.Pseudostylosphaera spinulosa(Nakaseko and Nishimura):地点18
13.Sarla sp. cf. S. sp. C of Yeh:地点57
14.Betraccium sp.:地点55
15.Parentactinia nakatsugawaensis Sashida:地点13
16.Triassocampe coronata Bragin:地点7
17.Pseudoalbaillella fusiformis(Holdsworth and Jones):地点19
18.Follicucullus scholasticus Ormiston and Babcock:地点68
19.Albaillella levis Ishiga,Kito and Imoto:地点64
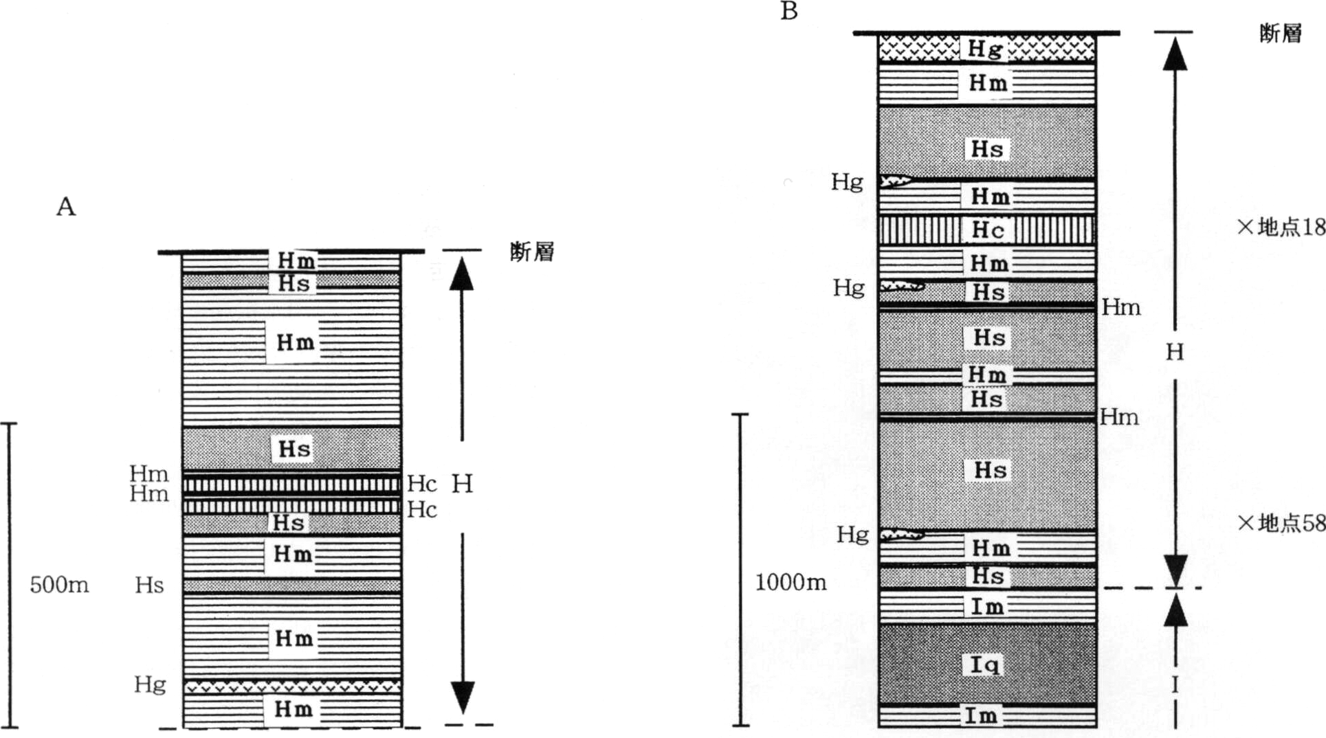
ポンポン山の南約1kmの地点58では,本山寺砂岩Aタイプと緑色岩との境界付近の数個の凝灰質赤色頁岩試料からTriassocampe deweveri, Pseudostylosphaera japonica, Capnuchosphaera sp.などの中期三畳紀後期―後期三畳紀前期を示す放散虫化石が産出した.地点58の露頭は,本山寺砂岩の年代を示すと考えられることから,岩相の特徴について記述する(第4.23図).
赤色頁岩は,シルト質の泥質部と互層しており,緑灰色を示す部分も認められる.化石産出層は,砂岩及び黒色頁岩からなる本山寺砂岩Aタイプの岩相とはやや異なるが,シルト層と互層していることから,本山寺砂岩Aタイプに対応するものと判断される.赤色頁岩層のうち塊状で珪質な部分からは放散虫化石として多量のSupumellariaとともに少量のNassellariaが産出する.やや剥離性に富んだ赤色頁岩層からは,Supumellariaはわずかに産出するがNassellariaは認められない.また,灰緑色の石灰質頁岩部分からは放散虫化石を見いだしていない.
島本町尺代南のゴルフ場の東側林道に露出する本山寺砂岩Bタイプに伴う頁岩及び頁岩に含まれる珪質ノジュールから,Eptingium nakasekoiなどの中期三畳紀アニシアン期の放散虫化石が産出した(菅森・八尾,2004:地点62).
地点18のチャートからTriassocampe deweveri, Pseudostylosphaera japonica, Eptingium sp.などの中期三畳紀の放散虫化石が産出した.地点17の赤褐色のチャートからTriassocampe sp. aff. T. deweveri, Triassocampe sp. cf. T. postdeweveri, Pseudostylosphaera japonicaなどの中期三畳紀後期―後期三畳紀前期を示す放散虫化石が産出する.また,地点19の頁岩中にブロック状で認められるチャートからは,Albaillella levis, Follicucullus scholasticus, Pseudoalbaillella longicornisなどの中期―後期ペルム紀の放散虫化石が,地点63のチャートからはParentactinia nakatsugawaensis, Pseudostylostaphela sp. cf. P. spinulosa, Pegoxystris sp.など前期三畳紀後期―中期三畳紀前期の放散虫化石が産出した.
東別院町の地点13に産する砂質頁岩中のブロック状チャートから前期三畳紀の放散虫化石Parentactinia nakatsugawaensis及びコノドントNeospathodus triangularis, Gondolella jubataなどが産出した(楠・井本,1996;井本ほか,1997).本露頭の概略は次のようである(第4.24図,第4.3表).
露頭Aでは,明瞭な緑灰色頁岩層が2層準に認められる.灰黒色チャートと緑灰色の珪質頁岩層とはF1の断層で接している.中部の珪質頁岩層は,チャートと互層しながら上位に向かってその層厚を増し,塊状の珪質頁岩に移行する.本露頭における保存良好なコノドント及び放散虫化石は,主にF1とF2の断層で挟まれた灰黒色のチャートから産出した.
露頭Bは,中部及び下部に珪質頁岩を挟み,上部には走向断層が認められる.年代決定に有効な放散虫化石は,下部と上部から産出した.
桜井シンフォーム南翼側の地点64のチャートからは,Follicucullus scholasticus, Albaillella levisなどの後期ペルム紀の放散虫化石が産出した.
以上のチャートや頁岩の放散虫化石年代から,本コンプレックスの砂岩や頁岩の年代を推定すると次のようになる.
本コンプレックス下部―中部の本山寺砂岩Aタイプ周辺の砕屑岩の年代は,チャートの示す最も若い年代(中期三畳紀後期―後期三畳紀前期)よりやや若く,Capnuchosphaera sp.の示す後期三畳紀前期と考えられる.また,上部の本山寺砂岩Bタイプを含む地層は中期三畳紀で,下部の本山寺砂岩Aタイプを含む地層の年代よりやや古い.本コンプレックス内の年代の異なる2種の砂岩を含む堆積岩コンプレックスの岩相境界についての詳細は,今後の検討を待たねばならない.


番号は試料位置,F1,F2は断層.

地点55の砂質頁岩からSarla sp., Betraccium sp., Capnuchosphaera(?) sp.を含む後期三畳紀の放散虫化石が産出する(本田・丹波地帯研究グループ,1991).田能川と出灰川の合流地点から300-400m下流の芥川の川原で,後期三畳紀を示すMysidiella? n. sp.を含む石灰岩の転石が発見されている(中沢,1994:地点38).この転石が発見された地点の南側の頁岩露頭(“ポンポン山砂岩”の分布する層準より北側の露頭:第4.25図)からPseudostylosphaera spinulosa, Eptingium manfredi robustum, Triassocampe deweveri, Pseudostylosphaera japonicaなど中期三畳紀ラディニアン期の放散虫化石が見いだされている(丹波地帯研究グループ,1995:地点57).しかし,それらはノジュールまたは礫として含まれる黒色珪質頁岩からの産出であると考えられ,黒色頁岩からはSarla sp. cf. S. sp. C of Yehなどの後期三畳紀の放散虫化石が産出した.
西山断層東側の浄土谷林道脇の砂岩頁岩互層の頁岩から後期三畳紀を示すJaponicampe nova群集に属する放散虫化石が産出した(楠,1994:地点60).また,二料の地点49の頁岩層から後期三畳紀ノーリアン後期のCanoptum triassicumを含む放散虫化石が産出した(井本ほか,1997).
そのほか,地点14,15,16などのチャートからはコノドントNeogondolella sp.が産出した(同志社香里高校地学研究会,1979).
一方,緑色岩に含まれる石灰岩レンズ(地点29,31,33,34,35)からは,中期ペルム紀後期ないし後期ペルム紀前期のWaagenophyllum indicum亜帯のさんご化石や腕足類の化石が産出しているが(坂口,1958),それらには紡錘虫化石を伴わないという特徴がある(清水,1967).また同様な産状で層準の異なる石灰岩レンズからはWaagenophyllum tambenzeのさんご化石が報告されている(Sakaguchi and Yamagiwa, 1963).頁岩中の石灰岩レンズからはNeoschwagerina craticulifera亜帯のSchwagerina japonica , Pseudofusulina tambensisなどの紡錘虫化石が,緑色岩に含まれる小石灰岩レンズからはGladigondolella tethydisが,地点32の頁岩中の石灰岩レンズからはGladigondolella tethydisやHalobia sp.などの後期三畳紀前期のカーニアン期と考えられる化石が産出した(Nakazawa and Nogami, 1967;同志社香里高校地学研究会,1979).また,芥川上流の両国橋,出灰バス停付近の凝灰岩中に挟まれる小石灰岩レンズ(地点36)からは,Gladigondolella tethydis, Neogondolella sp. aff. N. navicula, Neogondolella sp. cf. N. constrictaなどの中期三畳紀後期―後期三畳紀前期のコノドントや魚の歯・サメの盾鱗の化石が産出していることから(吉田,1977;同志社香里高校地学研究会,1979;山田ほか,1977),石灰岩にはペルム紀と三畳紀の少なくとも時代の異なる2種の石灰岩が存在する.
これらの産出化石より,本コンプレックスのチャートや石灰岩の最も新しい年代は中期三畳紀後期―後期三畳紀前期である.また,頁岩から産出する化石より,模式地付近における本コンプレックスの砕屑岩の地質年代は,チャートや石灰岩の示す年代よりやや若く,後期三畳紀中期―後期と考えられる.
次に上記以外からの化石産出地点について記述する.
地点5,6の沓掛北方のチャートから,Gondolella spp.やcompound-typeのコノドント(Isozaki and Matsuda, 1980)が,また王子の東北東,地点7のチャートからはTriassocampe colonata, Triassocampe deweveri, Pseudostylosphaera spinulosaなどの中期三畳紀前期の放散虫化石が産出した.
地点20の石灰岩レンズからはPseudofusulina vulgaris subzoneの紡錘虫やさんご化石が産出した(Sakaguchi and Yamagiwa, 1958 ; Sakaguchi, 1961).この地点の他に亀岡市西別院町犬甘野から杉原に至る道路から西へ入る林道奥(西隣「広根」地域)に位置する旧石灰岩採石場のレンズからPseudofusulina vulgarisが産出する.
その他,小塩山北へ約1.5kmの砂岩頁岩互層中のブロック状石灰岩(地点21)からはStaffella sp., Nagatoella ellipsoidalis var. orientalis, Misellina sp.などの紡錘虫化石が産出する(坂口,1973).

放散虫化石は,サンプル21–25で多数産出した.
田能から中畑の南を経て小塩山南方に至る頁岩層の地点46,51,52から前期ジュラ紀を示すParahsuum simplum, Parahsuum ovale, Parahsuum sp., Bagotum sp., Canoptum sp.などの放散虫化石を産出する(本田・丹波地帯研究グループ,1991).また,地点47,50の珪長質凝灰岩からはGigi fustis, Parahsuum longiconicumなどの前期ジュラ紀を示す放散虫化石が産出した(本田・丹波地帯研究グループ,1991).春日部の地点42では,珪質頁岩の表面に多数のParahsuum sp.のエッチング像が認められた.田能の東,地点48の珪質頁岩からはCanoptum sp.とともにDictyomitrella sp. C of Yao, Parahsuum(?) sp.などの前期ジュラ紀と考えられる放散虫化石が産出した.
ところで,小塩山北部の約500mの位置には,チャートに挟まれて田能コンプレックスが認められ,地点44と地点45のチャート直上の淡緑色珪質頁岩と灰色泥質チャートからCanoptum triassicumを含むCanoptum群集が産出した.さらに,王子の北東中ノ谷林道において砂質頁岩中の泥質チャート礫からLatium sp. cf. L. paucum, Gorgansium sp.など後期三畳紀ノーリアン中期―後期の放散虫化石を得ている.Canoptum triassicumは後期三畳紀後期とされている(Yao,1990)が,前者のようなCanoptum群集で産出する場合は,後期三畳紀後期から前期ジュラ紀中期まで産出することが知られている(鈴木,1993,1995).このことから,さらに上位に重なる砕屑岩層は前期ジュラ紀である可能性が高い.後者の後期三畳紀の放散虫化石はチャート礫からの産出であり,チャートの上位に重なる砕屑岩層は前期ジュラ紀である可能性が高い.
これらの産出化石から,本コンプレックスの砕屑岩の地質年代は前期ジュラ紀と考えられる.
チャートからは春日部の地点8において石炭紀やペルム紀の放散虫化石Pseudoalbaillella u-forma, Pseudoalbaillella simplexやコノドント化石Gondolella sp. aff. G carvata, Streptognathodus elongatus, Idiognathodus delicatusなどの微化石が産出した(井本ほか,1997).黒柄岳の地点9においては,後期ペルム紀のNeoalbaillella ornithoformis, Neo. gracilis, Neo. optimaなどの放散虫化石が産出した(Takemura and Nakaseko, 1981).田能の地点10においては三畳紀のNeogondolella cf. excelsa, Neogondolella. sp. aff. N. constrictaなどが,金蔵寺西方の地点12においてはNeogondolella sp. cf. N. excelsaなどのコノドントが産出した(吉田,1977).灰谷集落入り口の橋下の転石(地点39)から大型魚類の歯の化石(石炭紀―三畳紀)が発見されている(谷本ほか,2003).これらは出灰コンプレックスからの転石の可能性がある.
緑色岩に伴う石灰岩の小岩塊からはTriticites montiparus亜帯の紡錘虫化石が報告されている(Sakaguchi, 1961).
東別院町小泉付近の地点43の黒色頁岩からはTranhsuum hisuikyouense, Hsuum sp., Archeodictiyomitra sp.など,また珪長質凝灰岩からはBagotum sp., Parahsuum sp., Archicapsa pachydermaなどが産出した.これらの放散虫化石が示す年代は前期ジュラ紀―中期ジュラ紀前期で,珪長質凝灰岩の年代の方が黒色頁岩よりやや古いと考えられる.したがって,本コンプレックスの砕屑岩の地質年代は,前期ジュラ紀後期―中期ジュラ紀前期と考えられる.
砂岩頁岩互層中のブロック状石灰岩(地点65)からはStaffella sp., Nagatoella ellipsoidalis var. orientalis, Misetlina sp.などの紡錘虫化石が産出した(坂口,1973).
西芳寺川中流の地点41の緑灰色珪質頁岩から,中期ジュラ紀後期のTricolocapsa plicarum, Tricolocapsa sp. cf. T. conexa, Dictyomitrella(?) kamoensis, Transhsuum maxwelliなどの放散虫化石が産出した.また,本コンプレックスの北西延長部には後期ジュラ紀とされるI型地層群が分布している(井本ほか,1989).
チャートからは,西芳寺川沿いの地点1,2,3,4で後期三畳紀のEpigondolella bidentata, Misikella hernstein, Gondolella spp.のコノドントが産出した(Isozaki and Matsuda, 1980).
地点67のドロマイトからコノドント化石Gondolella spp.が見いだされている(Isozaki and Matsuda, 1980).
これらの産出化石から,砕屑岩の地質年代は中期ジュラ紀後期から後期ジュラ紀で,三畳紀のチャートなどをブロックとして含んでいるものと考えられる.
これまでのところ,本地域の頁岩層やチャートからは年代決定に有効な化石は産出していないが,走向方向に位置する保津川中流から上流地域に分布する本コンプレックス相当層からは,Tricolocapsa sp. cf. T. parvipora, Tricolocapsa sp. cf. T. rusti, Stichocapsa convexa, Stichocapsa japonica, Mirifusus(?) sp., Archaeodictyomitra sp., Dictyomitra sp.などの放散虫化石が産出した(Isozaki and Matsuda, 1980;田辺・丹波地帯研究グループ,1982).このことから本コンプレックスの砕屑岩の地質年代は後期ジュラ紀と推定される.
本図幅地域の摂丹山地南端付近に桜井シンフォームが認められている.桜井シンフォームは西部では,茨木複合花崗岩体によって大きく北西へ湾曲し分断されている.また,桜井シンフォームの東部は,数本の南北性の断層によって切られ,ずれながら徐々に軸が閉じている.したがって,超丹波帯高槻層の層厚は東で薄くなっていると考えられる.地質図上では表現できないが,軸部付近において下位の丹波帯本山寺コンプレックスがフェンスターとして現れていると見なしうる所(例えば,中江(1987)が原の南東地域で東条層とした地層)もあり,シンフォームの軸部はやや複雑な構造を呈している.一方,成合北の桜井シンフォーム軸部付近では,地層の走向がほぼ東西,傾斜が10°前後と緩やかで断層もなく,比較的落ち着いた構造となっている.
丹波帯の各堆積岩コンプレックスは,主に桜井シンフォーム北翼に分布しており,地層面にほぼ平行な衝上断層によって画され,構造的上位から下位へと年代が若くなっている.しかし,西山断層を挟んで北東側ではこうした極性を示さない部分が認められる.このうち,鵜ノ川―小塩山にかけては,田能コンプレックス(前期ジュラ紀:TIIc)の中央部に低角の衝上断層で挟まれるように,構造的下位の年谷川コンプレックス(前期ジュラ紀後期―中期ジュラ紀前期:TIIb)が現れている.また,この北側の唐櫃越コンプレックス(中期ジュラ紀後期―後期ジュラ紀前期:TIIa)は,田能コンプレックス(前期ジュラ紀:TIIc)のチャート下底に認められる衝上断層を挟んで直接しており,年谷川コンプレックス(前期ジュラ紀後期―中期ジュラ紀前期:TIIb)を欠いている.後者と同様の構造関係は,西別院町地域にも認められる.
この構造形成過程は次のように考えられる.田能コンプレックスのチャート基底の衝上断層(中村ほか(1936)は“小塩山衝動”と呼んだ)の規模が大きいこと,田能コンプレックスの頁岩には劈開が発達していること,田能,年谷川の両コンプレックスには褶曲構造が認められること,田能コンプレックスは泥質基質主体で基底部にペルム紀の厚いチャートと緑色岩が発達しているという地質特性があることから,流動性に富む田能コンプレックスが衝上断層によって年谷川コンプレックスを越えて唐櫃越コンプレックスに直接したためと想定される.
本図幅地域の丹波帯の構成岩類について,チャート・石灰岩・珪質頁岩・頁岩などの岩相とそれぞれの地質年代の関係をもとに,海洋プレート層序を復元する(第4.26図).堆積岩コンプレックスについて見ると,最も構造的上位に位置する本山寺コンプレックスの頁岩の年代は,中期三畳紀後期―後期三畳紀前期と考えられ,他のコンプレックスより明らかに古い.一方,構造的最下位に位置する嵐山コンプレックスの頁岩の年代は,後期ジュラ紀で最も若い.このように構造的上位から下位に向かって,本山寺,出灰,田能,年谷川,唐櫃越,嵐山の各コンプレックスの順に年代が若くなる傾向が認められる.
なお,頁岩の放散虫化石年代は,各コンプレックスの付加体形成年代を示しているものと考えられ,堆積岩コンプレックスは構造的上位の中期三畳紀後期から順に海洋プレートの沈み込みにともない付加体を形成していったことを示しているが,その後の正立褶曲の形成によって南系列(海側)に若くなるような極性は保たれていない.
本図幅地域内には,出灰コンプレックスの“ポンポン山砂岩”や唐櫃越コンプレックスなどに石英質砂岩が分布している.これらは,よく成層した非変形の砂岩で,上方厚層化の堆積サイクルが認められ,栗本(1994)による整然層の特徴を備えており,周辺の堆積岩コンプレックスの岩相とは明らかに異なる.こうした砂岩層は,陸棚斜面の構造的凹地(斜面盆地)などに堆積したものと考えられる.

(田結庄良昭)
本図幅地域の白亜紀火成岩類は,花崗岩類と岩脈類に大きく区分でき,その多くは本図幅地域南西部に分布する.花崗岩類は岩脈類に貫入されている.これらは放射年代が測定されており,いずれも白亜紀末である.花崗岩類としては,茨木複合花崗岩体の能勢岩体が最も大きく,そのほかに小規模な花崗岩体として,法貴花崗岩,摂津峡花崗岩や原花崗岩がある.能勢岩体と法貴花崗岩は岩相変化を有し,花崗閃緑岩が主体をなす.摂津峡花崗岩と原花崗岩は岩相変化に乏しい半深成岩体である.また,本地域の特徴として,多くの岩脈が分布することがあげられる.これらの岩脈は比較的規模が大きく,多くは南北性の貫入方向をもち,花崗斑岩や文象斑岩―流紋岩が多い.
茨木複合花崗岩体は,詳細な地質図や岩石記載に基づき(田結庄,1971),様々な地球科学的手法を用いて総合的に研究された花崗岩体である.そして,本岩体は共通の試料で検討が行われ,岩石の化学組成(田結庄,1971,川野・野沢,1972),希土類元素の検討(Masuda et al. 1972),鉱物の検討(田結庄,1973a,b;Tainosho, 1974 ; Tainosho and Banno, 1974;仲井ほか,1973),Rb-Sr年代測定(Ishizaka, 1971;田結庄ほか,1999),K-Ar年代測定(柴田,1971;田結庄,2001),酸素同位体(Matuhisa et al. 1973),重力測定(鍋谷ほか,1972),岩石の帯磁率や密度(金谷ほか,1984a,b)など総合的に検討され,その成因が検討されてきた.本報告ではこれらの成果も考慮して報告する.
茨木複合花崗岩体は,能勢岩体と妙見岩体の2岩体からなり,いずれも超丹波帯や丹波帯の地層群を貫き,ほぼN30°Wの方向に伸びた細長い楕円状に分布する(田結庄,1971).そして後者が前者を貫く.両岩体の分布構造は,中・古生界の構造に非調和的に分布する.
本地域には妙見岩体は分布せず,能勢岩体のみが分布する.妙見岩体は西隣「広根」図幅(松浦ほか,1995)で詳細に記載されているので,本報告では省略する.また,能勢岩体も松浦ほか(1995)により一部記載されているので,本報告では累帯深成岩体の特徴に重点を置いて記載するほか,その構造や岩体の形態,貫入様式についても報告する.
田結庄(1971)による.
本地域と西隣の「広根」地域との境界にまたがって分布する.大阪府豊能町余野や切畑から,茨木市桑原にかけて分布し,長径約10km,短径5.5kmの楕円状に分布する.
能勢岩体は超丹波帯や丹波帯の堆積岩コンプレックスを貫き,ほぼN30°Wの方向に延びた細長い楕円状に分布する(田結庄,1971).本岩体内では,暗色包有物や有色鉱物が弱く配列する.
能勢岩体は本地域の花崗岩類の主体をなし,主に4つの岩型よりなる複合岩体である.各岩型は,地質図上ではほぼ同心円状に分布する(第5.1図).各岩型よりなる複合岩体の貫入順序は古い順から,中粒石英閃緑岩中に捕獲岩状に分布する粗粒石英閃緑岩,能勢岩体の最外部を占める中粒石英閃緑岩,能勢岩体の大部分を占め,中央部の細粒斑状花崗岩との間に分布する粗粒花崗閃緑岩,さらに,能勢岩体の核部をつくる細粒斑状花崗岩である.本岩体の鉱物容量組成を第5.1表と第5.2図に示す.また,代表的な岩相の化学組成を第5.2表に示す.これらの岩石は,種々の点からみて,結晶分化作用を行いながら連続的に貫入することにより形成されたものと考えられる(田結庄,1971).これらに加えて,この岩体を南北方向に貫く2本の花崗斑岩脈がある.

英字は化学分析試料採取地点を示す.
1:沖積層,2:大阪層群,3:花崗斑岩,4:細粒桃色花崗岩,5:微細粒斑状桃色花崗岩,6:微細粒斑状花崗岩,7:細粒斑状花崗岩,8:中粒斑状花崗岩,9:粗粒斑状花崗閃緑岩,10:粗粒花崗閃緑岩,11:粗粒花崗閃緑岩(苦鉄質岩相),12:中粒石英閃緑岩,13:粗粒石英閃緑岩,14:超丹波帯や丹波帯の堆積岩コンプレックス,15:断層.



23-S:粗粒石英閃緑岩,21-S:中粒石英閃緑岩,79-S:粗粒花崗閃緑岩,72-S:粗粒斑状花崗閃緑岩,43-S:細粒斑状花崗岩,83-S:微細粒斑状花崗岩,7-S:妙見岩体の細粒桃色花崗岩,9:妙見岩体の細粒斑状桃色花崗岩.
能勢岩体は顕著な累帯深成岩体をなすのが特徴である.能勢岩体内の累帯配列は,岩体周縁部に中粒石英閃緑岩が,中間部に粗粒花崗閃緑岩が,核部に細粒斑状花崗岩が配列し,多くが粗粒花崗閃緑岩からなる(第5.1図).各岩型間の貫入関係をみると,粗粒石英閃緑岩は中粒石英閃緑岩中に捕獲岩状に産し,接触部では後者から派生した優白質脈に貫かれている(第5.3図A).中粒石英閃緑岩と粗粒花崗閃緑岩の貫入関係は,粗粒花崗閃緑岩が岩脈状に中粒石英閃緑岩を貫き,接触部では花崗閃緑岩がアプライト質になるなど,貫入関係にあり,漸移関係を有しない(第5.3図B).一方,粗粒花崗閃緑岩は細粒斑状花崗岩により脈状に貫かれ,接触部では細粒斑状花崗岩はアプライト質となるが(第5.3図C),一部地域では細粒斑状花崗岩が中粒弱斑状へと岩相が変化し,漸移関係にある(田結庄,1971).これら相互関係から判断して,能勢岩体は岩体周縁部が早期に貫入し,核部がやや遅れて貫入した岩体である.また,周縁部と中間部の岩相はすべて貫入関係にあるので,両者でやや貫入時期に差があるとみられる(田結庄,1971).一方,中間部と核部は一部では貫入関係であるが,漸移することも多いので,ほぼ連続的に貫入したものである.
このように,茨木累帯深成岩体は重複貫入により形成されたものである(Tainosho, 1974).

A:粗粒石英閃緑岩(CQD)と中粒石英閃緑岩の貫入関係を示す図.
粗粒石英閃緑岩(CQD)が中粒石英閃緑岩から派生した優白質花崗岩脈(Igr)や石英脈(QZ)およびミロナイト質脈(m)に貫かれる.
B:中粒石英閃緑岩(QD)が粗粒花崗閃緑岩(GrD)に貫入される図.
粗粒花崗閃緑岩は接触部でアプライト質(Ap)となっている.
C:粗粒花崗閃緑岩(GrD)が細粒斑状花崗岩(Ada)に脈状に貫かれる図.
細粒斑状花崗岩から派生した花崗岩質脈が粗粒花崗閃緑岩を貫く.
能勢岩体の年代については,Rb-Sr法の全岩及び鉱物年代がIshizaka(1971)により,黒雲母のK-Ar年代が柴田(1971)によって報告されている.それらによれば,能勢岩体の黒雲母のK-Ar年代は73.8±3.0Ma,75.6±3.0Maで(柴田,1971),Rb-Sr年代は全岩―カリ長石アイソクロン法で96.2±2Maである(Ishizaka, 1971).しかし,このRb-Sr年代は北摂周辺の花崗岩類がおおよそ70-80Maを示すのに比べ,かなり古い.
最近,田結庄ほか(1999)や田結庄(2001)は,本岩体のRb-Sr全岩年代,黒雲母のK-Ar年代,及びジルコンのフィッショントラック年代について再検討を行い,先のIshizaka(1971)とやや異なる年代結果を得た.本報告では主に上記の新しい年代値に基づいて検討を行った.中粒石英閃緑岩,粗粒花崗閃緑岩,細粒斑状花崗岩を含むRb-Sr全岩アイソクロン年代は,81.5±0.7Maで,誤差も小さく,MSWD値も低くより正確な年代を示し,周辺の花崗岩体とほぼ同じ値をもつことが明らかとなっている(田結庄ほか,1999).一方,黒雲母のK-Ar年代は,粗粒石英閃緑岩で78.1±1.7Ma,粗粒花崗閃緑岩で77.7±1.7Ma(田結庄,2001),柴田(1971)の年代値とほぼ同じかやや古い結果を得た.また,粗粒花崗閃緑岩のジルコンのフィッショントラック年代は80.6±1.6Maである(田結庄,2001).なお,粗粒花崗閃緑岩では,黒雲母のK-Ar年代がジルコンのフィッショントラック年代よりやや若く,次に述べる閉鎖温度との関係では矛盾する.この原因の一つとして,粗粒花崗閃緑岩の黒雲母はしばしば劈開に沿って緑泥石化しており,それによるアルゴンの逸散が考えられる.実際,黒雲母のK含有量(wt%)は5.856±0.117とやや低く,緑泥石化の影響がでており,そのため,黒雲母のK-Ar年代は実際の年代でなくやや若い年代を示したのであろう.
なお,これら測定された放射年代の閉鎖温度はそれぞれ異なっており,Rb-Sr全岩年代は約700℃,黒雲母のK-Ar年代は約300℃,ジルコンのフィッショントラック年代はさらに低温の約300℃以下とされている(Dods on and McClelland-Brown, 1985 ; Yuhara and Kagami, 1996).これらを考慮すると,能勢岩体は,マグマが貫入し約700℃から約300℃まで冷却するまで約100万年から数100万年と極あて短時間に貫入固結したことを示している.
試料番号「23-S」(大阪府豊能郡能勢町大円,第5.4図の1,2)
肉眼的特徴は,優黒色,粗粒,塊状であるが,部分的に普通角閃石が弱く配列をなすところもある.径数cm前後の暗色包有物がところどころでみられるが,その配列の規則性は弱い.半自形粒状で,主成分鉱物は斜長石,黒雲母,石英,普通角閃石,単斜輝石,斜方輝石である.石英は肉眼で淡く黄褐色に色づいているのを特徴とする.副成分鉱物はジルコン,アパタイト,チタン石,イルメナイトが存在する.
斜長石は半自形―自形,長柱状でアルバイト双晶,カールスバッド双晶,ペリクリン双晶をなし,弱い累帯構造がみられる.なお,粒径によってわずかにその化学組成が変化する.黒雲母は単体で産するものと輝石反応縁の角閃石をさらに縁どって産するものとがあり,後者はごく少量にすぎない.単体で産する黒雲母は半自形,鱗片状から板状で,一部は緑泥石化がみられる.粗粒の黒雲母は普通角閃石や斜長石をポイキリティックに包有する.Z軸の色は赤褐色である.普通角閃石を縁どる黒雲母は単体で産する黒雲母よりMgに富み,ときに弱い累帯構造を示す.石英は他形を呈し,包有物は少なく,波動消光は見られない.普通角閃石は主に半自形で,長柱状をなすが,他形で輝石の反応縁として産するものも多い.なお,普通角閃石の核部に単斜輝石から変質した無色―淡緑色のアクチノ閃石質角閃石を有するものが多い.輝石の反応縁として産する普通角閃石は,輝石に近づくにつれ少しMgに富む累帯構造を示し,また,単体の角閃石より少しCaに乏しくFeに富む.Y=Z軸の色は淡緑色である.単斜輝石は半自形,短柱状,周縁部は融食されて普通角閃石の反応縁によって縁どられる(第5.5図B).劈開が発達しており,周縁部や劈開に沿って一部アクチノ閃石質角閃石に変質している.累帯構造をもち,角閃石付近の組成は少しAlが富みCaが乏しくなる.斜方輝石は半自形,X=淡紅色,Z=淡褐色で,多色性は弱い.その結晶周縁は融食を受け,普通角閃石の反応縁に縁どられ,弱い累帯構造を示す.イルメナイトは不規則な形をなし,すべて黒雲母中に包有されて産する.アパタイトは柱状で比較的多くみられ,黒雲母中に包有されることが多い.チタン石はまれに存在する.
試料番号「21-S」(大阪府豊能郡豊能町崩尻,第5.4図の3,4)
緑灰色で,暗色包有物による弱い流理構造がみられるほか,一部普通角閃石の弱い配列構造が認められる.暗色包有物を含むが,粗粒石英閃緑岩に比べて少ない.本岩は半自形粒状組織をなす.主成分鉱物は斜長石,石英,黒雲母,普通角閃石,単斜輝石及び少量のカリ長石からなる.副成分鉱物はジルコン,チタン石,イルメナイト,アパタイトを含む.
斜長石は中粒で長柱状のものから,細粒で短柱状のものまで粒度の不均質がみられ,粒径によって組成が少し異なる.いずれも,アルバイト双晶,カールスバッド双晶をなす.累帯構造がみられ,核部は絹雲母化作用を受けていることがある.石英は他形,新鮮,包有物は少なく,一部波動消光がみられる.黒雲母は半自形,鱗片状―板状で,粗粒結晶には普通角閃石等を包有することが多い.Z軸の色は暗褐色である.普通角閃石は半自形,柱状であるが,不規則な形をなすものも多い.普通角閃石の核部には,単斜輝石を交代してできたと思われる針状,淡緑色のアクチノ閃石質角閃石を有する.また,結晶周縁部は黒雲母にとりまかれることが多い(第5.5図C).化学組成は核部に近づくにつれMgに富みFeに乏しくなり,累帯構造をもつ.Y=Z軸色は淡緑色である.単斜輝石は半自形―他形である.融食を受け不規則な形をなす場合が多い.劈開はよく発達している.累帯構造を示す.周縁部は普通角閃石の反応縁によって縁どられていることが多い.また,劈開に沿って網目状にアクチノ閃石質角閃石に置換されていることが多い.カリ長石は他形で結晶間隙にわずかに晶出している.比較的新鮮で普通角閃石や斜長石等をしばしばポイキリティックに含む.パーサイト組織はアルバイトラメラの幅も狭く,あまり発達していない.イルメナイトは他形で大部分黒雲母中に包有されるが,まれに普通角閃石中にも包有される.アパタイトは比較的多くみられ黒雲母中に多く含まれる.チタン石は半自形で,存在はまれである.
試料番号「79-S」(大阪府茨木市馬場,第5.4図の5,6)
緑灰―淡緑灰色で,暗色包有物による弱い流理構造がみられるほか,一部普通角閃石の配列による弱い構造が認められる.半自形粒状組織で,主成分鉱物は斜長石,石英,カリ長石,黒雲母,普通角閃石で,ときに単斜輝石を含む.副成分鉱物はイルメナイト,ジルコン,アパタイト,チタン石が含まれる.
斜長石は粗粒で自形長柱状のものと中粒で半自形短柱状のものに区分される.いずれも,アルバイト双晶,カールスバッド双晶をなす.粗粒結晶は累帯構造が発達しており,核部と周縁部に明瞭に区別される.核部は振動累帯構造をなし,一般に絹雲母化作用を被り,一部周縁部による融食を受けている.周縁部は正累帯構造を呈し,比較的新鮮である.中粒の斜長石は粗粒なものに比べ,累帯構造の発達が悪い.石英は半自形,粒状組織をなし,粒度の不均質がある.新鮮で包有物は少なく,弱い波動消光がみられる.カリ長石は中粒結晶と粗粒結晶に区分され,いずれもカールスバッド双晶をなす.粗粒結晶は半自形で,ポイキリティックに斜長石や石英を包有し,常にパーサイト組織を示す.パーサイト組織はアルバイトラメラの幅が20-40μmと広く,発達している.一部格子状構造を呈する部分もある.中粒結晶は半自形,短柱状で,少し変質が見られ汚濁していることが多い.黒雲母は半自形,鱗片状―板状をなし大部分普通角閃石とともにクロットをなすが,一部比較的粗粒で独立して産するものもある.黒雲母の周縁部あるいは劈開面に沿った部分では緑泥石化が認められる.Z軸の色は暗赤褐色である.普通角閃石は一般に粗粒で,多くの場合核部に単斜輝石から変化したアクチノ閃石質角閃石を産する.両者の境は明瞭でなく,結晶学的に同一軸にある.結晶の最周縁部はさらに黒雲母の集合によってとりまかれクロットをなす(第5.5図D).核部のアクチノ閃石質角閃石に近づくにつれMgが増え,Fe,Alが減少し顕著な累帯構造を示す.Z軸の色は淡緑色である.アクチノ閃石質角閃石は淡緑色―無色,針状の集合体をなし,普通角閃石の核部にのみ存在する.化学組成は中心部に分布するものほどMgに富みFe,Alに乏しくなる.アパタイトは副成分鉱物の中では比較的多く,黒雲母中に包有されることが多い.イルメナイトは半自形―他形で黒雲母中に包有される.
試料番号「72-S」(大阪府茨木市箕山,第5.4図の7,8)
本岩は灰色―灰白色を呈する.暗色包有物の配列による弱い流理構造がみられる.中粒の粒状組織を有する部分に粗粒の鉱物が散在し,弱い斑状組織がみられる.有色鉱物は一般にクロットをなして産する.斑晶鉱物(平均粒径5-10mm)の量は斜長石>カリ長石≫石英>普通角閃石で,石基鉱物(平均粒径1-4mm)の量は石英>斜長石>カリ長石>黒雲母で,いずれもこの順で多く含まれる.斑晶と石基の容量比をみると前者がわずかに多い.副成分鉱物はチタン石,ジルコン,褐れん石,イルメナイト,アパタイトである.
斜長石の斑晶は自形で柱状,アルバイト双晶,カールスバッド双晶をなす.累帯構造をもち,核部と周縁部に明瞭に区別される.核部は振動累帯構造をなす.周縁部は一部融食を受けている.周縁部は正累帯構造をなす.石基斜長石は半自形,累帯構造を示し,容量比は粗粒斜長石より少ない.核部の振動累帯構造の発達も悪い.石英は半自形,一部斑晶をなすが,大部分は石基鉱物をなす.いずれも新鮮で,一部に波動消光がみられる.包有物は少ない.カリ長石の斑晶は柱状,自形でカールスバッド双晶をなす.パーサイト組織が発達するが,アルバイトラメラの幅は30μmと広く,一部格子状溝造もみられる.包有された石英が同心円状に分布し,同一の光学的方位を示す.周縁部ではミルメカイトがみられるカリ長石の石基は半自形,斑晶カリ長石に比べ容量は少ない.黒雲母は半自形,鱗片状―板状で,普通角閃石とともにクロットをなして産する.Z軸の色は暗褐色である.普通角閃石は半自形,長柱状―粒状,核部にアクチノ閃石質角閃石をもつが,粗粒花崗閃緑岩のそれにくらべ少量である.周縁部はしばしば黒雲母にとりまかれクロットをなす.Z軸の色は緑―淡緑色である.アクチノ閃石質角閃石は普通角閃石の核部にのみ分布する.色は淡緑色―無色で,弱い多色性をもつ.化学組成は中心部のものほどMgに富みFeに乏しくなる.ジルコンやイルメナイトは大部分黒雲母中に包有される.褐れん石は累帯構造を有する.
試料番号「43-S」(大阪府豊能郡能勢町多留見第5.4図の9,10)
本岩は灰色―灰緑色を呈し,少量の暗色包有物や有色鉱物及びカリ長石の配列による弱い流理構造がみられる.細粒の粒状組織を有する部分に粗粒の鉱物が散在し,弱い斑状組織がみられる.斑晶鉱物(平均粒径7.2×4.1mm)の量は,斜長石>カリ長石>石英及び少量の普通角閃石で,石基鉱物(平均粒径1.3×0.8mm)の量は石英>カリ長石>斜長石>黒雲母で,いずれもこの順で多く含まれる.斑晶と石基の容量比をみると後者がわずかに多い.副成分鉱物はイルメナイト,ジルコン,アパタイト,褐れん石,チタン石である.
斜長石の斑晶は自形,柱状で,アルバイト双晶,カールスバッド双晶,ペリクリン双晶をなし,顕著な累帯構造をもつ.核部は振動累帯構造をなし,一部絹雲母化作用を受けており,一部周縁部に融食がみられ,まれに単斜輝石を包有している.多くの斑晶の周縁部は顕著な正累帯構造をもち新鮮である.斜長石の石基は累帯構造があまり発達せず,核部と周縁部の区別は明瞭でない.石基の容量は斜長石の斑晶に比べ少ない.石英は半自形粒状で,その大部分は石基鉱物をなしている.これらは比較的新鮮で波動消光はほとんどみられない.カリ長石の斑晶は柱状,自形で粒状の石英の石基で縁どられる.また,石英や斜長石などの包有物を含むことが多い.パーサイト組織は顕著で,アルバイトラメラの幅も広い.まれに明瞭な格子構造がみられる.カリ長石の石基は半自形で,角のとれた短柱状,パーサイト組織はあまり発達していない.黒雲母は半自形,鱗片状―板状で普通角閃石とともにクロットをなして産するが,単独でも存在する.Z軸の色は赤褐色である.イルメナイトは黒雲母中に包有される.普通角閃石は半自形,長柱状,核部にアクチノ閃石質角閃石を有しない場合が多い.結晶周縁は融食を受けており,黒雲母とクロットをなして産する.顕著な累帯構造をもち,周縁部は核部に比べかなりFeに富みアルカリに乏しくなる.Z軸の色は淡緑―緑色である.褐れん石は顕著な累帯構造をもつ.アパタイトも黒雲母中に包有されることが多く,ときに大きな結晶をなす場合もある.
試料番号「7-S」(大阪府茨木市下谷,第5.4図の11,12)
塊状,粒状組織を呈する微細粒部に中粒の斑晶鉱物が散在する顕著な斑状組織をなす.有色鉱物は集合せず独立して産することが多い.斑晶鉱物(平均粒径3.9×2.4mm)の量は斜長石>石英>カリ長石及び少量の普通角閃石で,石基鉱物(平均粒径0.4×0.2mm)の量は石英>カリ長石≫斜長石>黒雲母で,いずれもこの順で多く含まれる.斑晶と石基の容量比をみると後者の方が多い.副成分鉱物は褐れん石,ジルコン,チタン石,イルメナイト,アパタイトである.
石英は半自形,粒状,大部分は石基鉱物を形成する.新鮮で,波動消光を示さない.斑晶石英はしばしば融食を受け,包有物としてカリ長石を含む場合が多い.斑晶斜長石は自形,柱状でアルバイト双晶,カールスバッド双晶,ペリクリン双晶をなす.一般に,石基鉱物に縁どられ融食を受けている.累帯構造は発達しており,核部は振動累帯構造を呈し,周縁部は正累帯構造をなす.石基斜長石は量的には少量である.累帯構造は弱い.斑晶カリ長石は自形―半自形で柱状をなし,カールスバッド双晶をなす.石英や斜長石等をポイキリティックに包有することが多い.パーサイト組織はアルバイトラメラの幅も狭く,あまり発達していない.格子状構造もまれにみられる.石基カリ長石は半自形,角のとれた柱状,量的にはカリ長石の大部分を占める.パーサイト組織は鏡下ではみられないが,X線マイクロプローブ分析では細いアルバイトラメラが検出される.黒雲母は半自形,鱗片状―板状.クロットをなさず,単独で産するものも多い.Z軸の色は赤褐色である.粒度によってその化学組成がわずかに異なり,粒径の小さいものほどFeに富む傾向をもつ.普通角閃石は一般に角のとれた粒状であるが,しばしば黒雲母とクロットをなす.ときに核部にアクチノ閃石質角閃石がみられる.Z軸の色は淡緑色である.イルメナイトは黒雲母中に包有されず,独立して産する.チタン石,褐れん石は他の岩型に比べ多い.

1・2:粗粒石英閃緑岩,
3・4:中粒石英閃緑岩,
5・6:粗粒花崗閃緑岩.
7・8:粗粒斑状花崗閃緑岩,
9・10:細粒斑状花崗岩,
11・12:微細粒斑状花崗岩.
顕微鏡写真はいずれもクロスニコル.

A:暗色包有物,B:粗粒石英閃緑岩,C:中粒石英閃緑岩,D:粗粒花崗閃緑岩.単斜輝石(Cpx),斜方輝石(Opx),普通角閃石(Ho),アクチノ閃石質角閃石(Ac),黒雲母(Bi).
法貴花崗岩は,主な岩型の鉱物容量組成,一部化学組成や記載の概略のみが貴治(2003)により報告されたが,地質図は示されていない.
貴治(2003)による.
京都府亀岡市曽我部町上谷
本地域の西北部の霊仙ヶ岳南部に,長径約2km,短径約0.8kmとやや東西に延びた楕円状に小規模に分布する.
基盤の丹波帯のジュラ紀堆積岩コンプレックスを明瞭に切って貫入している.なお,法貴花崗岩の北縁部の丹波帯との接触部では,丹波帯の砂岩層が顕著な熱変成を受けている.
法貴花崗岩体東部の中粒角閃石黒雲母花崗閃緑岩の普通角閃石のK-Ar年代値が測定された(第5.3表).その結果は70.4±2.7Maで,周辺の花崗岩体である妙見岩体(74.0±3.6Ma)(柴田,1971)や剣尾山岩体(72.7±3.6Ma)(松浦ほか,1995)などとほぼ同じ年代である.

年代測定はジオクロノロジージャパン社による.418–11:法貴花崗岩の中粒角閃石黒雲母花崗閃緑岩の普通角閃石,425–10A:花崗斑岩の黒雲母,425–11A:原花崗岩の細粒斑状黒雲母花崗岩の黒雲母.
本花崗岩体は岩相変化に富み,細粒黒雲母花崗岩(GHf),中粒斑状黒雲母花崗岩(GrH),及び中粒角閃石黒雲母花崗閃緑岩(GdH)に区分した.これらの中で中粒斑状黒雲母花崗岩が主体である.3岩型の関係をみると,細粒黒雲母花崗岩が中粒斑状黒雲母花崗岩に移化するが,一部脈状に侵入する部分もある.中粒斑状黒雲母花崗岩と中粒角閃石黒雲母花崗閃緑岩の関係は,本花崗岩地域の大部分がゴルフ場であるため,貫入関係を示す露頭がなく不明である.そのため岩相境界はおおよその境界を示した.これら岩型の化学組成を第5.4表に示す.
中粒角閃石黒雲母花崗閃緑岩は岩相変化が著しく,岩体東部ではカリ長石や石英が減少し,斜長石が増加し,石英モンゾ閃緑岩質となる(第5.6図).また,暗色包有物も含まれ,その付近ではさらに優黒色となり,石英閃緑岩質となる(第5.7図).このように,この岩型は岩相変化が著しいが,花崗閃緑岩が主体をなすため,本報告では岩型として中粒角閃石黒雲母花崗閃緑岩を使用する.なお,石英モンゾ閃緑岩の化学組成はSiO2%が55-56%で,CaOが8.4%であり,Al2O3が21%と富むのを特徴とする.
中粒斑状黒雲母花崗岩は,岩体の西部,特に地形的に高い霊仙ヶ岳南部から上地にかけて広く分布する.この中でも岩相が変わり,細粒黒雲母花崗岩付近ではやや優白質に,中粒角閃石黒雲母花崗閃緑岩に近づくと有色鉱物が多くなり,普通角閃石を含むものもある.化学組成はSiO2%が70%で,MgOが0.6%,CaOが2.3%と低い(第5.4表).
細粒黒雲母花崗岩は本岩体南部の上地付近に少量分布する.一部脈状に中粒斑状黒雲母花崗岩中にも産する.本岩は黄褐色を呈し,粒径は2-3mmで,ときに弱い斑状組織をなす.

風化作用が著しく,新鮮な岩石は玉石状に分布.(亀岡市法貴南方500m).


法貴花崗岩;418-11A:石英閃緑岩,418-10A:中粒石英モンゾ閃緑岩,418-9:中粒角閃石黒雲母花崗閃緑岩,030305-2:中粒角閃石黒雲母花崗閃緑岩,030305-1:中粒斑状黒雲母花崗岩,030305-5:細粒花崗岩.原花崗岩;425-11A:細粒斑状黒雲母花崗岩,425-11B:細粒斑状黒雲母花崗岩.摂津峡花崗岩;425-3:細粒-中粒斑状黒雲母花崗岩.花崗斑岩脈;306-4,425-10A,425-10B:花崗斑岩.
試料番号[418-11A]亀岡市法貴南方1km
測年試料(角閃石K-Ar年代)
中粒,自形―半自形粒状組織をなす.花崗閃緑岩質部の主成分鉱物は斜長石,石英,カリ長石,黒雲母,普通角閃石からなるが,石英モンゾ閃緑岩質部では単斜輝石,斜方輝石も含み,石英,カリ長石がごく少量となる.副成分鉱物として,イルメナイト,アパタイト,ジルコンがみられる.
斜長石は自形―半自形,累帯構造が発達し,ときに核部がパッチ累帯構造をなす(第5.8図).石英は他形で,波動消光はみられない.また,一部カリ長石と微文象組織をなすものがある.カリ長石は他形で,弱いパーサイト組織をもつ.黒雲母は褐色から赤褐色で,単体で産することが多い.Z軸の色は褐色である.変質して緑泥石に変わっているものが多い.普通角閃石は緑色―褐緑色で,Z軸の色は緑褐色である.また,核部にはときに単斜輝石から変わった淡緑色のアクチノ閃石質角閃石が見られる.石英モンゾ閃緑岩質部の斜方輝石は,半自形,短柱状で,多色性は弱い.ときに離溶ラメラがみられる.単斜輝石は多くが淡緑色のアクチノ閃石質角閃石に変化している.
試料番号「030305-1」亀岡市霊仙岳南部
弱い斑状組織がみられる.斑晶の多くは石英,一部カリ長石である.主成分鉱物は石英,斜長石,カリ長石,黒雲母であるが,ときに普通角閃石を含む.副成分鉱物としては,イルメナイト,アパタイト,ジルコンがみられる.
石英は半自形粒状で,一部大型結晶となる.斜長石は半自形―自形で,累帯構造がみられる.カリ長石は半自形で,パーサイト組織が発達する.黒雲母は半自形から自形で,単体で生じることが多いが,ときに集合してクロットをなす.Z軸の色は暗褐色で,一部劈開に沿って緑泥石化している.
試料番号「030305-5」亀岡市霊仙岳南部1km
細粒アプライト質の組織を有することが多いが,ときに弱い斑状をなす.斑晶はカリ長石や石英である.主成分鉱物は石英,斜長石,カリ長石及び黒雲母からなる.副成分鉱物はイルメナイト,アパタイト,ジルコンである.
石英は粒状で,一部集合して集斑状をなす.波動消光やサブグレイン化はみられない.斜長石は半自形で,弱い累帯構造がみられ,ときに核部が絹雲母化している.カリ長石は半自形から一部他形で,弱いパーサイト組織を示す.黒雲母は半自形,単体で産することが多い.Z軸の色は褐色.劈開に沿って緑泥石化していることが多い.

(亀岡市法貴南方500m)クロスニコル.
新称.
高槻市原西方.
岩体東縁で,超丹波帯や丹波帯の堆積岩コンプレックスに貫入し,接触変成作用を与えている.原から萩谷に抜ける林道で採取した試料の黒雲母のK-Ar年代は72.7±2.5Maで(第5.3表),法貴花崗岩とほぼ同じK-Ar年代を有する.
岩相変化はほとんどなく均質で(第5.10図),超丹波帯の堆積岩コンプレックスとの接触部付近でのみ微細粒となる.化学組成は第5.4表に示したように,SiO2が74-75%と珪長質で,K2Oが4.5%前後と高いのに対し,MgOが0.2%と低いのが特徴である.なお,摂津峡花崗岩と似た岩相であるが,組織や化学組成がやや異なることから,本報告では別岩体として区分した.

試料番号「425-11A」高槻市原西方
測年試料(黒雲母K-Ar年代)
斜長石やカリ長石が斑晶となる斑状組織を示す.主成分鉱物は石英,カリ長石,斜長石及び黒雲母からなる.副成分鉱物はアパタイト,ジルコン,イルメナイトからなる.
石英は半自形―自形,粒状で,ときに集合して集斑状となる(第5.11図).カリ長石は半自形,柱状で,弱いパーサイト組織がみられる.斜長石は半自形,短柱状,弱い累帯構造を有し,核部は絹雲母化していることが多い.黒雲母は半自形―自形で,単体で産することが多い.Z軸の色は暗褐色である.

(高槻市原西方400m)クロスニコル.
摂津峡花崗岩はこれまで,別所・貴治(1998)により,巡検案内書に簡単な地質図と一部岩石の産状が記載されているのみである.
別所・貴治(1998)による.
高槻市摂津峡付近.
摂津峡入り口から塚脇北部まで幅約400m,南北約700mの楕円状の比較的狭い範囲に分布する.
岩体東縁と北部で,超丹波帯や丹波帯の堆積岩コンプレックスに貫入し,接触変成作用を与えている.貫入角度は約70°東と急角度で接し,接触面において花崗岩は細粒アプライト質となるほか(第5.12図),一部脈状に超丹波帯の堆積岩を貫いている.また,超丹波帯の堆積岩の一部は珪化作用を受け,白く変質している場合がある.

点:超丹波帯堆積岩,プラス:花崗岩,小プラス:アプライト質相.(高槻市摂津峡入口).
露頭では均質で岩相変化に乏しいが(第5.13図),超丹波帯との接触部付近では,より細粒となり斑状組織が顕著となる.暗色包有物はほとんど含まれない.化学組成はSiO2が73%,CaOが0.8%,MgOが0.2%と低く,K2Oが4.4%,Na2Oが2.9%とやや高い(第5.4表).

高槻市摂津峡
斜長石やカリ長石,一部石英が斑晶となる弱い斑状組織を示す(第5.14図).主成分鉱物は石英,カリ長石,斜長石及び黒雲母からなる.副成分鉱物はアパタイト,ジルコン,イルメナイトからなる.
石英は半自形,粒状で,ときに集合して産する.カリ長石は半自形,柱状で,斑晶をなす場合が多く,弱いパーサイト組織がみられる.斜長石は半自形,長柱状,弱い累帯構造を有し,斑晶をなすことが多い.黒雲母は半自形―自形で,単体で産することが多い.Z軸の色は暗褐色である.劈開に沿って緑泥石化していることが多い.

(高槻市摂津峡入口)クロスニコル.
本図幅地域内には,多数の岩脈が発達しているのが特徴である.同じ岩石種の岩脈は本図幅地域南西部の花崗岩類を切っていることから,岩脈類の貫入は,花崗岩類以後のものである.最も多い岩脈は花崗斑岩で規模も大きい.ついで文象斑岩―流紋岩で,丹波帯では主にひん岩が分布する.岩脈の多くは本図幅地域南西部の花崗岩体周辺に産し,その大部分の貫入方向は南北性である.
花崗斑岩の大きな岩脈としては能勢岩体を貫いて貫入するものと,原花崗岩の西部に超丹波帯を貫いて分布するものがある.いずれも顕著な南北性の貫入方向を有する.能勢岩体に貫入するものは,豊能町切畑から天狗岩に至るものと,茨木市銭原から佐保に至るものの2本が認められる.特に前者は一部ひん岩脈が花崗斑岩の周縁に分布し,複合岩脈をなす.いずれの花崗斑岩も東西約10数mから約50mの幅で,南北に約5-6kmと良く連続して分布する.本岩は斑晶として,自形のカリ長石,石英,斜長石及び少量の黒雲母がみられる.
原花崗岩の西方に分布する花崗斑岩は,東西約10数m―約200mの幅で,南北約1.2kmと規模が大きい.斑晶は自形のカリ長石,石英,斜長石などからなる.さらに,摂津峡付近には幅約数mで,南北約200-300mの規模の小さいものも見られる.これら小規模岩脈付近では,超丹波帯に鉱化作用を与えている所があり,ときに黄銅鉱などの鉱染がみられる.
原岩体西方のものは,超丹波帯の地層に貫入し,弱い接触変成作用を与えている.原から萩谷に抜ける林道で採取した試料の黒雲母のK-Ar年代は69.2±2.4Maで(第5.3表),周辺の原花崗岩とほぼ同じK-Ar年代を有する.
岩相変化はほとんどなく均質であるが,超丹波帯との接触部付近では緻密となり,流理を有する.化学組成は第5.4表に示したように,SiO2が75-76%と珪長質で,K2Oが4.6-5.2%前後と高い.一方,MgOは0.06%,CaOは0.6-0.9%ときわめて低いのが特徴である.
試料番号「425-10A」高槻市原西部の林道
測年試料(黒雲母K-Ar年代)
石英,カリ長石,斜長石及び黒雲母を斑晶とする顕著な斑状組織を示す.石基は微細粒で,主に石英,カリ長石などの珪長質鉱物からなる.副成分鉱物はアパタイト,ジルコンなどからなる.
石英の斑晶は自形,粒状で,ときに融食現象がみられる.カリ長石の斑晶は自形,変質して粘土化し,汚濁している.きわめて弱いパーサイト組織がみられる.斜長石の斑晶は自形,累帯構造はみられない.変質していることが多い.黒雲母の斑晶は自形で,緑泥石化していることが多い.Z軸の色は暗褐色である.
流紋岩及び文象斑岩は主に高槻市摂津峡や萩谷付近に分布する.これらは超丹波帯や丹波帯の堆積岩コンプレックスを貫いて南北から北北東―南南西方向に貫入している.このほかに,能勢岩体付近の茨木市車作や箕面市栗生岩坂付近にも少量みられる.流紋岩及び文象斑岩は肉眼では緻密で,少量の斜長石や黒雲母などの斑晶鉱物を含む.石基は珪長質,緻密で肉眼では鉱物が同定できない.摂津峡のものは塚脇西部で,東西約数cm―数十cmの幅である.高槻市萩谷付近では幅約数十cm-2mのものが南北性の方向で分布している.この岩脈は肉眼では緻密なため確認は難しいが,鏡下では微文象構造が見られる.流紋岩岩脈が摂津峡の芥川流域や高槻市萩谷でみられる.いずれも幅約数10cm-3m程度で,南北に分布している.いずれも白色,緻密で,ときに有色鉱物の斑点がみられる.変質していることが多い.
高槻市塚脇西部
斑晶は主に斜長石,黒雲母からなる.石基はカリ長石,石英が連晶し,微文象組織をなし,一部はこれら連晶が放射状となり球顆をなしている.鉱物の多くは変質している.
高槻市摂津峡
大部分珪長質の石基からなり,少量の斜長石の斑晶がみられる.石基は微細,緻密で,石英―斜長石が放射状をした球顆がみられるほか,少量の黒雲母がみられる.
高槻市摂津峡やその北部の出灰や亀岡市東部,さらに茨木市木代付近に小規模に分布する.木代付近のものは花崗斑岩と複合岩脈をなす.いずれも花崗岩や超丹波帯や丹波帯の地層に貫入している.脈幅は約50cm-1mで,連続性は良くない.貫入方向はおおよそ南北である.摂津峡のものは,斑晶斜長石が貫入方向に配列する流理構造がみられる.また,摂津峡の岩脈においては,岩脈中央部で粗い斜長石が多く濃集するのに対し,周縁部では細粒になるなど,マグマの流動に伴う流動分化作用がみられる.
高槻市摂津峡
斑晶は主に斜長石や斜方輝石からなり,石基は主に短冊状の斜長石や微細な隠微晶質鉱物からなる.斜長石の斑晶は自形で,結晶周囲で累帯する弱い累帯構造をもつ.また,核部にはパッチ累帯構造がみられる.斜方輝石の斑晶は自形で,その周囲では微細な鉄鉱が生じている.X=淡橙赤色,Z=淡緑色のきわあて弱い多色性がみられる.
能勢岩体の花崗岩類の成因,岩体の形態及び貫入様式を検討するため,全岩及び鉱物の化学分析を行った.次に岩相相互の貫入関係,岩体の内部構造,重力調査,丹波帯との関係から,詳細に能勢岩体の構造の検討を行った.
能勢岩体の花崗岩類の化学組成をみると(金谷ほか,1984a)(第5.15図),全岩の主化学組成がスムースに曲線にのり,Rayleighの分布則に基づくモデルで近似される.このことはこれら3岩型が同一マグマの分化作用の産物であることを示している(田結庄,1971).同位体の性質をみても,各岩型が同じRb-Srアイソクロン上にプロットされる(Ishizaka, 1971;田結庄ほか,1999).また,全岩及び鉱物の酸素同位体や希土類元素も各岩相で類似した値を持つ(Matuhisa et al., 1973 ; Masuda et al., 1972).
次に,鉱物の化学組成をみると,各花崗岩類の斜長石の核部組成はAn60前後と共通した値を有するのに対し(田結庄,1973b),周縁部An組成は減少する(第5.16図).また,有色鉱物の(100Mg/Mg+Fe)(mg値)をみると(Tainosho, 1974),普通角閃石のmg値は石英閃緑岩から花崗岩に向かうにつれ減少し,特に周縁部のmg値の減少が著しい(第5.17図).また,黒雲母のmg値は母岩が珪長質になるにつれ,系統的に減少する(田結庄,1973a).これらのことは,能勢岩体の各花崗岩類が同じマグマからの結晶分化作用から生じたことを示している(田結庄,1971;Tainosho, 1974).このように,能勢岩体の各花崗岩類は同一マグマから形成されたものである.花崗岩体の化学組成と高圧での実験データの比較から推測すると,能勢岩体の貫入,固結は約0.5Kb(田結庄,1971)と,きわめて浅い貫入場である.このことは,放射年代データが示すように能勢岩体が短時間に貫入,固結した岩体であること(田結庄,2001)と矛盾しない.すなわち,能勢岩体は浅所に貫入し,短時間のうちに急速に冷却したことを示している.

×:粗粒および中粒石英閃緑岩,○:粗粒および粗粒斑状花崗閃緑岩,+:細粒および微細粒斑状花崗岩.

A:粗粒石英閃緑岩の暗色包有物,B:粗粒石英閃緑岩,C:中粒石英閃緑岩,D:粗粒花崗閃緑岩,Ea:粗粒斑状花崗閃緑岩の斑晶斜長石,Eb:粗粒斑状花崗閃緑岩の石基斜長石,Fa:細粒斑状花崗岩の斑晶斜長石,Fb:細粒斑状花崗岩の石基斜長石,Ga:微細粒斑状花崗岩の斑晶斜長石,Gb:微細粒斑状花崗岩の石基斜長石.分析はEPMAによる.

A:粗粒石英閃緑岩,B:中粒石英閃緑岩,C:粗粒花崗閃緑岩,D:粗粒斑状花崗閃緑岩,E:細粒斑状花崗岩,F:微細粒斑状花崗岩; 1:普通角閃石の核部,2:普通角閃石の周縁部,3:黒雲母.
能勢岩体には弱い内部構造がみられる(第5.18図).内部構造の測定は,やや扁平化した暗色包有物の配列の測定が主体で,その他に主にカリ長石,一部黒雲母の配列によっている.暗色包有物は中粒石英閃緑岩に多く含まれ,ついで粗粒花崗閃緑岩で,細粒斑状花崗岩ではその量が少ない.前2者は大部分暗色包有物から測定された構造である.一方,細粒斑状花崗岩はカリ長石が自形の比較的大きな斑晶で,それらも弱い配列をなしているため,この配列も参考にして内部構造を測定した.測定は同一露頭で多数測定し,その主要傾向を構造とした(Tainosho, 1991).その結果をみると(第5.18図),全体の配列構造は岩体の形に調和的である.傾斜は多くが岩体の外側に傾斜し,ドーム状となっている.細かくみると,岩体周縁部の中粒石英閃緑岩で最も配列が顕著である.特に岩体北部の中粒石英閃緑岩では顕著で,その構造はおおよそ岩体の形に調和的である.一方,南部の中粒石英閃緑岩の構造はほぼ東西で,岩体の形と調和していない.中粒石英閃緑岩と粗粒花崗閃緑岩の境界部の構造をみると,内部構造は両者できわめてよく連続しており,両岩相間では貫入関係があるにもかかわらず構造の不連続は認められない.傾斜をみると,岩体北東部の中粒石英閃緑岩では60-70°Nと岩体外側に急傾斜する.北西部の中粒石英閃緑岩でもやはり約60°Nで岩体外側に傾斜するものが多いが,岩体の内側に傾斜するものもある.南部の中粒石英閃緑岩は一定の傾斜方向を有しない.中間部を占める粗粒花崗閃緑岩の配列構造をみると,大きくは岩体の形に調和的である.細かくみると,岩体北東部は調和的であるが,西部ではその配列構造は一部岩体の構造にやや斜交している.南東部の粗粒花崗閃緑岩では岩体の構造に調和的であるが,最南部では岩体の形にやや斜交する.細粒斑状花崗岩との境界部の構造をみると,大きくは細粒斑状花崗岩を取り巻くような構造をなしている.また,カリ長石からの構造とも調和する.傾斜をみると,おおよそ岩体の外側に40-60°傾斜する.ただし,岩体西部では一部岩体の内側に傾斜している.南部でもおおよそ岩体外側に傾斜する.細粒斑状花崗岩との境界部では岩体の外側に30-50°傾斜し,ドーム状になっている.核部の細粒斑状花崗岩をみると,多くは細粒斑状花崗岩相に調和的にまとまって小ドーム状となっている.傾斜も岩体の外側に40-70°傾斜しており,あたかもマッシュルーム状になっている.
能勢岩体と基盤岩である超丹波帯や丹波帯の堆積岩コンプレックスとの接触面をみると(第5.18図),岩体の北東側は60-70°で岩体外側に急傾斜している.また,岩体の南西部でも岩体外側に傾斜するものが多く,傾斜は40-50°とやや緩傾斜である.岩体南東部の接触面の傾斜をみると,岩体の外側に50-70°傾斜するが,一部は内側に40-70°傾斜する.これらのことは,本岩体が南西部に緩やかに傾いていることを示唆している.

1:暗色包有物の配列による構造,2:カリ長石の配列による構造,3:能勢岩体と基盤の超丹波帯や丹波帯との接触面の走向,傾斜.
能勢岩体周辺の重力異常は鍋谷ほか(1972)によって詳細に検討された.ここでは能勢岩体の構造や形態及び貫入機構に関係する事象についてのみふれる.重力の負のブーゲ異常に注目してみると,岩体の南西部で-5―-10mgalであるのに対し,岩体北東部では+5―+10mgalである(第5.19図).このように,岩体の北東部と南西部で明らかに異なり,南西部の地下に軽い物質が存在する可能性を示している.また,北西部の粗粒花崗閃緑岩付近には-3mgalの負の異常が見られる.細粒斑状花崗岩付近をみると,粗粒花崗閃緑岩と同様の重力データを示し,卓越した負のブーゲ異常は見られない.また,北東部の基盤岩である超丹波帯や丹波帯の堆積岩コンプレックスとの接触部では,重力変化が急激であるのに対し,南西部の接触部では重力変化は緩やかになり,対照的である.
第5.19図の能勢岩体を北北東―南南西に切る模式断面図ではこれら重力データから明らかになった地下での岩体の密度分布を示す.この図から,能勢岩体の形態は南西に緩やかで,北東に急傾斜をなす構造が認められ,この密度データは先に述べた野外での内部構造データと調和的である.また,岩相ごとにみると,中粒石英閃緑岩は岩体の周縁部に少量分布するのみで,岩体の深部にはあまり分布していない.また,核部の細粒斑状花崗岩は地下約4kmまで存在し,その周囲を粗粒花崗閃緑岩がとりまくように筒状に少量分布していると推定すれば,分散は大きいが重力的にうまく説明できる.
このように,重力データの結果は,能勢岩体は大部分が粗粒花崗閃緑岩からなっていることを示す.能勢岩体では地表部ではきれいな累帯配列をなすが,地下も入れて考えると,地下ではほとんどが粗粒花崗閃緑岩で,中粒石英閃緑岩が岩体上部に薄く,細粒斑状花崗岩は岩体の中心部に筒状に分布すると推定される.また,後述する能勢岩体による超丹波帯や丹波帯の堆積岩コンプレックスへの接触変成作用の幅や接触角度から推定されるように,岩体南部の地下には軽い花崗岩が潜在していると解釈することは妥当性をもっている.

黒丸:測定地点,単位は mgal.
能勢岩体を縦断する模式断面図.A:細粒斑状花崗岩,G:粗粒花崗閃緑岩,Q:中粒石英閃緑岩,p:超丹波帯.数字は密度で,単位は g/cm3.
能勢岩体と基盤である先白亜系堆積岩類との関係についてみると,岩体の周囲は主に超丹波帯であるが,一部丹波帯の部分もみられる(松浦ほか,1995).基盤岩である先白亜系堆積岩類の主要な構造は一般に東西性である.能勢岩体の貫入による周囲の先白亜系堆積岩類の変形をみるために,能勢岩体との接触部付近の構造を詳細に調査した.特に,基盤岩の構造変化をみるため,多数の走向,傾斜を測定し,その測定結果を第5.20図に示した(Tainosho,1991).岩体の西側をみると,岩体近傍約200-300mにおいては,走向が東西性から西北西―東南東へと変化し,南部へ折れ曲がるように変化している,この傾向は岩体中部付近でより顕著で(第5.20図),岩体近傍約100mでこの変化が著しい.接触部付近では岩体と基盤岩の構造は亜調和的となっている.なお,岩体最北部や南部では,岩体は先白亜系堆積岩類の構造と斜交し,それらを切る構造となる.岩体東部付近の基盤岩の走向をみると,一般走向である東西性から岩体に近づくにつれて北北西―南南東へと変化する.特に接触部付近では変化は顕著となり,岩体中央部では,先白亜系堆積岩類の走向は急激に北北西―南南東へと変化し,能勢岩体と基盤岩の構造は亜調和的となっていき,あたかも北側にめくれあがるように変形している(第5.20図).ただし,最南部では走向の変形がやや弱まり,能勢岩体は基盤の超丹波帯の構造を明瞭に切る.そして,岩体西方では南側へ,北方は北側へと押し広げられるように変形している.
次に,能勢岩体の地下での分布を推定するために,能勢岩体による接触変成作用を詳細に検討した.基盤岩中の泥岩は能勢岩体のごく近傍で接触変成鉱物の斜方輝石を含み,高温での変成作用である輝石ホルンフェルス相を示している.また,黒雲母帯は岩体南西部では約3km以上と広いのに対し,北東部では約2kmまでと狭く(第5.20図),接触変成帯の幅は場所により異なる.この結果は,岩体南西部側において基盤岩の比較的浅いところに能勢岩体が存在していることを示唆しており,能勢岩体が南西側に傾いていることを示している(田結庄,1971).
能勢岩体の形は岩体の内部構造,基盤岩との接触角度,重力データから判断して,扁平化した楕円状で,南西に傾斜していると結論される.最近の研究では貫入前のマグマ溜まりの形状は,扁平状と考えられている(高橋,2001).能勢岩体分布域では貫入する空間場を推定する有効なデータはない.しかし,先白亜系堆積岩類の変形からは能勢岩体の貫入様式は,天井部分をもちあげるダイアピルタイプと推定される.
以上のデータから,マグマは基盤である先白亜系堆積岩類を押し広げるように貫入するため,forcefulとなり,基盤の岩石を変形させた.残ったマグマはさらに珪長質(花崗岩)となり,同じ通路を通り,花崗閃緑岩を貫き,さらに上部に貫入する.このような重複貫入により,累帯深成岩体が形成されたと考えられる.

泥質岩の接触変成鉱物分帯:黒雲母帯(BI),董青石-カリ長石帯(CD-KF),斜方輝石帯(OPX),1:超丹波帯の堆積岩の走向,傾斜,2:向斜軸.
(宮地良典)
大阪層群(鮮新―更新統)の研究は,Nakamura(1926)が湖沼成から河成を主とする古期洪積層を後の大阪層群相当層と段丘層に分けたことに始まる.次に,山根(1930)は大阪市の地下鉄建設のボーリングデータから,下位より大阪基盤層・上町層・天満層・梅田層に区分した.
戦後,地質調査所大阪支所を中心として天然ガス開発に係わる調査を行った事を契機に,大阪・京都・奈良盆地の鮮新―更新統の詳細な調査が始まった.そして大阪平野周辺に分布する鮮新―更新統は,千里丘陵を模式地として大阪層群と命名され,アズキ火山灰層の下限を境にして上部と下部に分けられた(大阪層群研究グループ,1951;市原ほか,1955).その後,市原・亀井(1970)は大阪・明石地域の大阪層群の層序をまとめ,8枚の海成粘土層を下位からMa1層・Ma2層……Ma8層と命名し,ピンク火山灰層,アズキ火山灰層,八町池火山灰層など主な火山灰層とこれらの海成粘土層との層序関係を明らかにした.
1960年代,大阪平野において,OD-1からOD-9の深層ボーリングが行われた(大阪市立大学理学部,1964;大阪市総合計画局公害対策部,1965;吉川ほか,1987など).大阪市立大学理学部(1964)はOD-1の試料からMa1層より下位に2層の海成粘土層を認め,下位からMa-1層,Ma0層と命名した.
Huzita(1962)は近畿・中部地方のネオテクトニクスについて論じ,大阪平野・琵琶湖・伊勢湾を囲む地域を「近畿三角地帯」と呼んだ.そして近畿・中部地方において更新世中期から卓越するようになった南北性構造をもたらした運動を「六甲変動」と呼んだ(Ikebe and Huzita, 1966;藤田,1968).
この後,大阪層群については各種(化石,年代測定,古地磁気,火山灰など)の層序学的な研究が行われた.花粉化石については田井(1964,1966),那須(1970),Furutani(1989)など,植物化石についてはNirei(1968)やMomohara(1992),珪藻化石については野口(1967),魚類の化石については久家(1983),火山灰層については,横山・楠木(1969),石田・横山(1969),Yokoyama(1969),吉川(1973,1976)など,哺乳類化石については,Kamei(1966),亀井・瀬戸口(1970)などの研究が行われた.一方,古地磁気層序についてはIshida et al.(1969),Torii(1973),Torii et al.(1974),伊藤ほか(1989),フィッション・トラック年代については,西村・笹嶋(1970),市原ほか(1984),横山ほか(1984),檀原ほか(1997),加藤ほか(1999)などの年代層序学的研究も進められてきた.これらの一連の研究の成果は,市原・亀井(1970),日本の地質「近畿地方」編集委員会編(1987)や市原編(1993)などにまとめられている.
1990年代からは,火山灰層による大阪層群と古琵琶湖層群・東海層群,上総層群・魚沼層群や掛川層群などとの広域対比が進められている(吉川ほか,1996;里口,1997;里口ほか,1999;長橋ほか,2000など).一方,この項から新たに堆積シークエンス層序に基づく解析が進められ,Ma6層からMa8層の層準は氷河性海水準変動を反映している可能性を示唆した研究(坂本ほか,1991;増田,1997)や,Ma1層―Ma2層準では地震断層の活動に伴ったデルタ面の急激な沈水現象を考えた研究(増田ほか,1991)がある.最近では地球規模の気候変動と大阪平野の深層ボーリングにおける海成粘土層の年代の対比(吉川・三田村,1999)や,大阪層群と上総層群や魚沼層群・掛川層群の堆積シークエンスと対比し,第3オーダーの海水準変動と対比する(卜部,1999)などの研究が行われている.
ところで大阪層群については,「満地谷不整合」と「芝の不整合」の在否が議論されている.Huzita(1954)は,西宮市(西隣「大阪西北部」地域)でMa5層層準を不整合に覆う地層を満池谷累層と命名した.市原ほか(1966)は枚方丘陵地域で満池谷不整合の再検討を行い,満池谷累層と枚方丘陵の新香里層を対比し,新香里層中に削り込み面はあるが,千里丘陵の模式的な大阪層群の層序と対比できることから不整合を否定した.
その後,Yokoyama et al.(1976),中世古ほか(1977),横山ほか(1981),中川ほか(1982)などはMa0層直下に芝の不整合を,藤田・笠間(1982)などはMa5層とMa6層の間に満池谷不整合を認めた.藤田・笠間(1982),藤田(1983)は,満池谷及び芝の不整合を境界として,大阪層群を下部亜層群・中部亜層群・上部亜層群に区分し,上部亜層群の堆積面が高位段丘面であるとした.また,大阪湾のボーリングコアの記載などからも満地谷不整合について議論されている(中世古編,1984).しかし,市原(1983),市原ほか(1984,1986),大阪層群最下部団体研究グループ(1992)は千里丘陵や泉南―泉北丘陵の大阪層群について詳しく再調査を行い,標準層序と対比して削り込みは見られるが,堆積時間間隙がないことからこれらの不整合を否定した.
かつては大阪層群の層序は標準層序以外に各丘陵ごとに行われてきた.京都盆地の大阪層群については,盆地東部の深草丘陵(東隣「京都東南部」地域)について深草団体研究会(1962)などの研究がある.
本図幅地域の地質学的な研究としては,石井(1932)による1/7.5万「伏見」図幅で,総括的な地質図が示された.京都盆地西部の西山丘陵周辺の大阪層群の研究は,中村ほか(1936)がこの地域の第四系を古期洪積層,新期洪積層及び沖積層に区分したことに始まる.大阪層群研究グループ(1951)は古期洪積層中にアズキ火山灰層と海成粘土層が挟まれることから,これを大阪層群に含めた.その後,西山団体研究グループ(1967)によって西山丘陵全体の地質がまとめられた.大阪平野北部の大阪層群については,西山団体研究グループ・桂高校地学クラブ(1970)により総括的にまとめられている.これら一連の地質図は,市原(1991)により1/12.5万地質図としてまとめられている.大阪層群の標準層序とそれぞれの丘陵の地質との関係は第2.4図にまとめた.本図幅地域に露出する大阪層群の分布は第6.1図に示す.また,京都盆地地下の大阪層群の研究としては,宇治川右岸(石田,1976)などで10-13mのボーリングを記載したのをはじめとして関西地盤情報活用協議会(2002)によって既存ボーリングデータがまとめられ,京都市(1999,2000,2001a,2002a,2003)などによって深部構造調査がなされた.また,大阪平野北部においては,大阪府(2003)などにより有馬―高槻構造線周辺の地下構造が明らかにされている.

本図幅調査時にはこの地域は宅地化が進み,露頭はほとんど観察できなかった.地質図作成にあたっては,石井(1932)や市原(1991)などの地質図と地質調査所の研究資料(未公表)などを利用し,三田村(1992)や宮地ほか(2001)の区分に従い,田辺累層,精華累層及び招提累層に区分した.第6.2図に三田村(1992)による男山丘陵南部を含む生駒山地北部に分布する大阪層群の模式柱状図を示す(三田村,1992).以下の記載は,南隣「大阪東北部」地域の露頭での観察結果である.

男山丘陵北部の北部にある男山団地周辺に分布するとされるが,この周辺は宅地化が進み,本図幅調査において露出は全く観察されなかった.市原編(1993)では男山団地付近に北東―南西方向の,少なくとも数本の断層があるとし,これらの断層より北に南東傾斜で下部層が分布するとしている.層厚は50m以上で,砂層,粘土層からなり,海成粘土層(Ma1-Ma3)を挟むとしている.本図幅では地質調査所の研究資料を基に,Ma2層のみを示す.
精華累層は,三田村(1992)によってピンク火山灰層の上限から八町池火山灰層を挟むシルト層下限までの砂礫層と定義され,模式地は精華町柘榴の南(南東隣「奈良」図幅地域)が指定されていた.本報告では,南東隣「奈良」図幅(尾崎ほか,2000),南隣「大阪東北部」図幅(宮地ほか,2001)と同様に,ピンク火山灰層を挟む砂礫層の下限を精華累層の基底とするが,本図幅域では男山断層の派生断層で境されるため下限は不明である.また上限も露出が少なく層相がわかりにくいため,南隣「大阪東北部」図幅で境界付近となった鍵層であるMa5層を上限とした.
本層は,八幡市松井山手から枚方市津田(南隣「大阪東北部」図幅)にかけての地域に分布し,層厚は,約80m以上である.南隣「大阪東北部」図幅地域では,次のような層相である.砂礫層とシルト層の互層からなり,礫層を挟在する.互層は厚さ20-100cmの中粒砂―細礫からなる砂礫層と厚さ5-20cmのシルト層からなる.砂礫層にはしばしばプラナー型斜交層理が発達する.シルト層は平行葉理を持つことがある.礫層はほとんどが中礫サイズのチャート,ホルンフェルスなどの亜円礫―亜角礫からなる.
招提累層は,三田村(1992)によって八町池火山灰層を含むシルト層の下限より上位の地層と定義された.南隣「大阪東北部」図幅(宮地ほか,2001)では,八町池火山灰層層準当たりの礫層が卓越した地層より上位を招提累層として再定義した.模式地は枚方市長尾播磨谷周辺である(三田村,1992).枚方市長尾荒坂から山田池周辺にかけて分布し,層厚は60m以上である.本累層は精華累層の上位に漸移し整合的に重なる.
礫層・砂層及びシルト層からなり,3層の海成粘土層(Ma5層,Ma6層,Ma7層)を挟む.下部は礫が密集した礫層が卓越する.長尾東町の北では礫層は上位に向かって,粗粒砂基質が増し,逆に礫が少なくなる.礫はほとんどがチャートの円礫―亜円礫の中礫からなる.上部では厚さ20-100cmごとに成層した極粗粒砂―粗粒砂とシルトの互層からなる.礫層の基底には,しばしば下位層を数m削るチャネル構造が観察できる.
下部に挟まれるMa5層は枚方市藤阪周辺に露出している.中・上部に挟まれるMa6層,Ma7層は観察できなかった.
京都盆地西部の大阪層群は西山丘陵周辺から,長岡京市西部に分布する.この地域は,竹林として利用されており,地層の露出は小規模な砂取り場に限られる.一方,大阪平野北部の大阪層群は平野北縁の茨木丘陵や高槻丘陵に分布し,下部相当層と考えられる礫層が摂丹山地の尾根に分布する.限られた露頭条件の中で,西山団体研究グループ(1967),西山団体研究グループ・桂高校地学クラブ(1970)や市原編(1993)などの記載を元に現地調査を行い,層相と海成粘土の層準を確認した.層序区分は,大阪層群の標準層序(市原,1991;市原編,1993など)に基づくが,下部と最下部の境界は確認できなかったため,下部及び最下部,上部,最上部とした.一方,京都盆地西部の地下構造については,京都市による西山断層群の調査や地下構造調査などで明らかにされた.
京都市西京区から長岡京市にかけての山地沿いの地域,高槻市北部から箕面市の山麓に分布する.礫層,砂礫層を主とし,砂層・シルト層を挟む.また,箕面市,高槻市川久保周辺には山地斜面や尾根に分布する礫層も大阪層群の下部及び最下部に含めた.砂層はプラナー型の斜交層理やトラフ型の斜交層理を持つところがある.本層中に含まれる鍵層としては,長岡京市光明寺周辺にピンク火山灰と海成粘土層Ma2層が,向町丘陵の山田に海成粘土層Ma2層が挟まれる(西山団体研究グループ,1967).また,高槻市北方の阿武山周辺ではイエロー火山灰やピンク火山灰が見られる(西山団体研究グループ・桂高校地学クラブ,1970).京都市西京区小塩町では,砂層と礫層が互層状に繰り返す(第6.3図).礫は中礫を中心とし50-300cmに成層する,礫はチャネル状に下位の砂層・砂礫層を削り込み,一部でトラフ型斜交層理が確認される.妙興寺南方では100-200cmに成層する砂層・砂礫層と50-150cmに成層する白色シルトの互層よりなる.高槻市神峰山寺付近の尾根には,丹波帯の基盤岩類をアバット不整合に覆う礫層が分布する(第6.4図).長岡京市奥海印寺の工事現場では海成粘土層Ma2層が露出し,カキ床がみられた(長岡京市埋蔵文化財センター,私信).


京都市西京区から長岡京市にかけての地域と,高槻市北方の丘陵に分布し,砂層・砂礫層よりなり,海成粘土層(Ma3,4,5層)を挟む.長岡京市光明寺付近では東に20-50°傾斜する.京都市西京区の光明寺周辺では100-200cmに成層したトラフ型斜交層理を持つ砂礫層(第6.5図)と,30-60cmに成層する平行層理を持つ砂層とシルト層の互層が数m単位で繰り返す.高槻市北方では,50cm―数mに成層する中礫から大礫大の礫層中に淘汰の悪い中―粗粒砂層,灰白色シルト層及び海成粘土層を挟む.高槻市奥天神町では礫層・砂礫層はチャネル構造をもつ.

全体に中礫を中心とした礫層よりなり,海成粘土層を挟む.礫は主にチャートよりなり,砂岩,頁岩,ホルンフェルスなどの礫を含む.長岡京市光明寺では単層の厚さが50-150cmに成層する砂層・砂礫層からなり,砂層はトラフ型斜交層理を呈する.長岡京市南部では中礫大の礫層が卓越する.京都市西京区物集女周辺は礫層を中心とする岩相である.露頭条件が悪く単層の厚さは不明である.
京都盆地地下の大阪層群はボーリングや物理探査で詳しく調査されている.石田(1995)は京都盆地が西縁を西山断層系により,東縁を花折断層系の断層群により落ち込んだ盆地に大阪層群以降の地層が厚く堆積していることを示した.また,西山地域は京都市(1997)などの反射法探査などの結果その地下にMa3-Ma6層があり,西山断層,光明寺断層などにより盆地側が落ち込んだ構造になっていることがわかっている.京都盆地の地下構造調査については平成10年度から平成13年度の4年間に京都市が3本の学術ボーリング(巨椋池干拓地;KD-0;京都市,2003,南区鉾立公園;KD-1;京都市,2000,中京区二条城;KD-2;京都市,2001a),密度・PS検層と反射法・屈折法地震探査,微動アレイ探査及び重力探査を実施し,詳細な地下構造が解明されつつある.京都盆地で実施されたP波反射法探査測線の位置と学術ボーリングの位置を第6.6図に,3地点の学術ボーリングの柱状図を第6.7図に示す.また,一連の地下構造調査による京都盆地の地下断面の解釈図を第6.8図に示す.京都盆地地下の大阪層群は,丹波帯の基盤岩の上位に不整合に重なり,盆地北部で約200m,宇治川断層を挟んで南部の巨椋池で約680mの厚さを持つ.全体として粘土層と砂礫層の互層が厚く堆積し,主に淡水域ないし河川成の堆積物からなる.鍵層としては,KD-0,KD-1及びKD-2ではMa3,Ma4,Ma5,Ma6及びMa9の5枚の海成粘土層と,KD-0では福田,光明池IあるいはイエローII,アズキ,サクラの各火山灰,KD-1ではアズキ,八丁池,栂の各火山灰,KD-2ではカスリ火山灰をそれぞれ挟む.これらのボーリングと物理探査の結果から以下のことがいえる.すなわち,宇治川断層より北では大阪層群の上部に相当するMa3からMa5層が基盤岩をアバット不整合に覆い,大阪層群の基底は-200mから-400mの間で約200mも標高差がある.南のKD-0では福田火山灰が基盤岩を不整合に覆い,その基底深度は-700mに及ぶ.層相は最も北のKD-2は全体に砂礫質である.盆地中央部のKD-1の下部は礫質であるが,Ma6より上部は5-10m間隔で砂層・砂礫層と粘土・シルト層が繰り返す.また,南部のKD-0コアでは,全体としては上方粗粒化しており,下部は粘土と砂層が上部は砂層と砂礫層が繰り返している.

実線はP波反射法探査測線,KD-0,KD-1及びKD-2は学術ボーリングサイトの位置.

KD-0:巨椋池干拓地,KD-1:京都市南区鉾立公園,KD-2:中京区二条城.

測線である南北の堀川-巨椋池測線,東西の丸太町,五条,久世橋及び外環状測線は,第6.6図に示す.
(宮地良典)
京都盆地,大阪平野北部の段丘堆積物は高位段丘堆積物,中位段丘堆積物及び低位段丘堆積物に区分される.本図幅地域内では,主に男山丘陵周辺地域と西山丘陵周辺に分布し,盆地地下に段丘堆積物相当層が広く分布する.また,大阪平野北部の小野川低地帯から茨木低地帯にも低位段丘堆積物が分布する.なお主な中位段丘堆積物は,西山丘陵の大原野周辺に分布する.
高位段丘堆積物は,西山丘陵,男山丘陵周辺に分布する.
西山丘陵地域の高位段丘面は標高60-100mで東に緩く傾斜する.段丘堆積物の厚さは2-5m程度で,赤褐色に風化したクサリ礫を含む中礫大の礫層を主とする.長法寺周辺では,傾斜した大阪層群のMa4からMa7層準を不整合に覆っている(植村,1990).走田神社付近では,2-8cmのチャートの亜円礫を主とする礫層,長岡天満宮周辺では層厚3m程度で,2-15cm大のチャートの角礫からなる礫層からなる(長岡京市史編さん委員会,1996).
男山丘陵の高位段丘堆積物は,標高50-60mで定高性を持ち,赤褐色に風化した砂礫よりなる.堆積物の厚さは今回の調査ではわからなかったが,少なくとも2-3m以上である.図幅地域である京都盆地南部の高位段丘堆積物は,約40万年前に大阪層群が離水した時期の堆積物と考えられている(太田ほか編,2004).
本図幅地域の中位段丘堆積物は,主に京都市西京区の大原野周辺に分布する.標高は西部で80-90m,東部で60-70mと東に緩く傾斜している.本図幅調査において露出は見られなかった.
低位段丘堆積物は,西山丘陵では向日市物集女から向日市街にかけての地域,長岡京市乙訓寺から長岡京市街地域,男山丘陵付近では枚方市養父丘から招提周辺に,また,大阪平野北部では茨木市宮田町周辺に,また,箕面市では小野川低地帯に分布する.
西山丘陵の低位段丘堆積物は,主に小畑川や小泉川の扇状地性の礫・砂礫層よりなり,淘汰の悪い砂・シルト層を挟む.低位段丘堆積物の上部に水中堆積型としてAT火山灰を挟み(太田ほか編,2004),小畑川や小泉川の沖積層に開析される.低地との比高は数m-10m程度で,形成された時期は最終氷期(3-2万年前)と考えられる(長岡京市史編さん委員会編,1996).
京都盆地地下の地質は近年,京都市などによる地下構造調査や,関西地盤情報活用協議会(2002)などにより詳細にまとめられている.京都盆地は,京都市街地を中心に鴨川の扇状地が広がっている.京都市の調査は盆地中央部を南北の側線で調査しているため,北部はこの扇状地上にあたり,段丘堆積物相当層は,厚さ20-50m,宇治川断層を隔てて南部では厚さ0-60mの砂礫層を主とする.京都市の調査によると,京都市北部の二条城では約45m,鉾立公園では約25mの砂礫を主とする段丘堆積物がみられる(第6.7図;京都市,1999).これらは鴨川の扇状地性の段丘相当層と考えられる.一方で,巨椋池干拓地のKD-0ボーリングでは,段丘堆積物は-13mから-72.5mまでの約60mの層厚を持ち,深度-13.0mから-13.1mに鬼界アカホヤ火山灰が,-24.75mから-24.80mで阿蘇4・鬼界葛原火山灰層(?)が見つけられている(京都市,2003).このことから,京都盆地南部では中位段丘堆積物相当層を含むといえるが,上下の高位段丘や低位段丘相当層が存在するかどうかは不明である(京都市,2002a).第7.1図に産総研で平成15年度に八幡市内畑で掘削したボーリング(GS-KYH-1;北緯34°51′19.90″,東経135°43′29.30″世界測地系,標高TP11.58m)の柱状図を示す.これによると,-13.2mから-22.05mで赤褐色の砂礫層がみられ,これは高位段丘相当層と考えられている(宮地ほか,2004).このことを加味すると,KD-0コアの段丘相当層の下部の礫層は高位段丘相当層と考えられる.

(宮地良典)
前述のように,京都盆地北東部の京都市街地は,鴨川の扇状地性の堆積物に特徴づけられ,盆地西部は摂丹山地との境界から扇状地が広がるものの,西山丘陵より東側は桂川の後背湿地,堤防の堆積物により特徴づけられる.したがって盆地東部は西部より標高が高く,現在の鴨川は,盆地東縁近くの西に傾斜した扇状地上に人工的に河道が固定されている.盆地南部では宇治川が巨椋池干拓地へ流れ込み,その西を木津川が北流し,三川が合流する.後述するように特に平安時代以降の氾濫などの影響で,これらの河川は何度も改修を繰り返し現在の形状となっている.長岡京市史(長岡京市史編さん委員会編,1996)では,勝竜寺,久貝,小泉川の両岸に断片的に比高1m以下の低位段丘II面を認めており,これは11-13世紀に形成されたものとしている.本図幅ではこの面は氾濫原堆積物に一括した.このように,平安時代以降,特に安土桃山時代以降,京都盆地の地形は人為的に手を入れられており,本図幅では,ある程度人工の影響はあるものの自然地形を扇状地堆積物,旧自然堤防堆積物,旧河道堆積物,谷低平野堆積物に分け,現在の護岸されたものを含む堤防を自然堤防,それに囲まれた範囲の河川成の堆積物を現河床堆積物,また,巨椋池をはじめ明治時代以降埋め立てられた干拓地,池などを人工改変地として区分した.
一方,京都盆地南部の地下の沖積層の厚さを第8.1図に示す(城陽市史編さん委員会編,2002).これによると京都盆地南部の沖積層は現在の桂川・宇治川・木津川に近いところに埋没谷が見られ,それを埋積する形で河川成の礫層・砂礫層が堆積,また,その周囲に後背湿地堆積物が埋積したことがわかる.この埋没地形は,遺跡発掘の深度などから作成されているが,今後ボーリングデータなども加味しさらに詳細な埋没地形を検討する必要がある.

下図:下部礫層の地形,上図:上部砂層の地形.
等高線は標高をT.P.で示す.図中の数字は堆積物の14C年代.(城陽市史編さん委員会編,2002)
本図幅地域の沖積層としては,摂丹山地及び男山丘陵の北東部に扇状地堆積物が分布し,京都盆地内では旧河道とその周辺の微高地を旧自然堤防堆積物とした.また,大阪層群や段丘堆積物を削る谷底平野堆積物も区分した.地形区分は米軍撮影の1/1万の白黒空中写真を利用し,その後の人工的な地形改変は各年代の国土地理院発行の地形図を参照した.扇状地堆積物は,摂丹山地及び男山丘陵と平地を境する京都盆地西縁断層,有馬―高槻構造線活断層系及び男山断層などの活断層のある傾斜地に形成されている.露頭ではほとんど確認できないが,西山丘陵では礫を散在する砂礫層がみられた.旧河道及び旧自然堤防堆積物は観察できなかった.特に顕著な旧河道として図幅東南部の京田辺市大住(東隣「京都東南部」図幅地域)から八幡市下奈良にかけての旧河道がある.これは1860年に起こった破堤氾濫時に現河道に付け替えられたものである.また,久御山町下津屋から淀周辺に空中写真等では明瞭に旧河道と自然堤防が確認できる.これは,1868年の大洪水時に付け替えられたものである.
現河床堆積物,現自然堤防堆積物は,基本的には1968年以降の現河川に沿った堆積物を示す.主に,桂川と木津川の流域に分布する.1868年に水害対策として現在のように木津川,宇治川及び桂川の三川を大山崎まで別の流れとして引き,三川の水位を調整した後合流するようにされている.これは,大和高原から流下する木津川が城陽市でその河川勾配を減じ,城陽市,八幡市に水害をもたらし,また宇治川の遊水池であった巨椋池に逆流することもしばしばあったためである.巨椋池はこの治水工事により遊水池としての役目を終え,1933年から1941年に干拓され,水田として利用されている.また,京都市伏見区横大路の埋め立て地は安土桃山時代に宇治川の治水と京・大坂の街道整備のために宇治川を現在の位置に付け替え,元の巨椋池が分離されたものである.これ以外には茨木市に継体天皇陵などの古墳が見られるが,これらを埋め立て地として一括した.
(宮地良典)
京都西南部地域の活構造は,摂丹山地の南縁に東西性の有馬―高槻構造線活断層系が,東縁に南北性の京都盆地西縁活断層系が見られ,これら以外には,男山丘陵の東縁に男山断層が,西縁に枚方丘陵から延びる北東―南西方向の田口断層が見られる.また,京都盆地南部に北東―南西方向に宇治川断層が伏在していることが知られている.これらの断層系については,藤田・奥田(1973)などで報告され,その後岡田ほか(1996)や岡田・東郷編(2000)でまとめられている.
大阪平野の北縁には有馬―高槻構造線活断層系が分布している(藤田・奥田,1973;寒川,1978など;第9.1図).寒川(1978)はこの断層系を構成する個々の活断層の位置と変位の性格を報告し,右横ずれ方向に0.5-1.5 m/103年,垂直方向に0.8 m/103年の平均変位速度を求めた.1995年に地質調査所がこの断層系を構成する花屋敷低地帯北縁断層(川西市)・坊島断層(箕面市)・真上断層・安威断層(茨木市)でトレンチ調査を行った.真上断層でのトレンチ(第9.1図のT1地点)の結果,これらの断層が室町時代から江戸時代に移行する時期に活動を行ったことが確認された(第9.2図).1596年9月5日(文禄5(慶長1)年閏7月13日)に京阪神,淡路地域に著しい被害を与えた地震があったことが多くの古文書に記録されており,この地震(慶長伏見地震)の際にこの断層が活動したと考えられている(寒川ほか,1996;寒川,1997など).
また,安威断層では第9.1図のT2地点でトレンチ調査を行い,慶長伏見地震のひとつ前の活動が認められており(第9.3図),放射性炭素同位体年代値や考古遺物から,その活動時期は縄文時代晩期にあたる2,800-3,000年前と推定されている(寒川ほか,1996).
なお,有馬―高槻構造線は2本の併走した断層から構成され,断層に挟まれた地域は断層凹地である低地帯(小野川低地帯;市原ほか,1955,茨木低地帯;寒川,1978など)を形成する.1995年度に地質調査所で実施された調査で,このような低地帯の地下構造を解明するためP波震源による反射法弾性波探査を3測線で実施した.第9.4図はそのうち茨木低地帯で実施された結果である(第9.1図のP1側線).この結果,この低地帯は浸食地形でなく構造的な凹地であることが明らかになった(寒川ほか,1996).また,真上断層の東方延長,枚方市楠葉でも反射法探査が実施され,この地溝帯の延長と考えられる構造が報告された(川崎ほか,1994;戸田ほか,1995).

T1,T2は,それぞれ真上断層(第6.8図)と安威断層(第7.1図)のトレンチ地点.P1は第9.4図に示す反射法探査の測線.

A:写真,B:説明図.a:江戸時代の耕作土(発掘の過程で大半を取り除いたので写真では床土の一部が残っている).b:断層活動の後で運ばれた盛り土.C:鎌倉-室町時代の水田耕作土.D:奈良-平安時代の水田耕作土.

M1–M6:粘性土,S1–S5:砂層,G1–G3:砂礫層.M3層上部から縄文時代晩期の遺物を産出.M4層からは縄文時代晩期から弥生時代の遺物を産出.

京都盆地は,西縁活断層系と東縁活断層系に挟まれた盆地で,それらの断層は南部の井出断層,田辺断層が約100万年前に活動を開始し,活動域は北部へ移動しながら現在は花折断層や樫原断層などが活動的である(吉岡,1987).本図幅地域の京都盆地西縁活断層系としては,樫原断層,灰方断層,老ノ坂断層などが摂丹山地と京都盆地の境界部に見られる.この断層については植村(1990)などに詳しく記載されている.
樫原断層は,嵐山から長岡京市にかけて全長約10kmの南北に延びる断層で,北方延長は殿田断層や越畑断層(北隣「京都西北部」地域)につながる活動度Bクラスの活断層である(吉岡,1987,岡田ほか,1996).大阪層群を撓曲させており(水山,1953,1955;西山団体研究グループ,1967),松尾地区でのボーリング調査の結果,断層を挟んで地形勾配で1.2m,沖積層の基底で1.5mそれぞれ東が低下していることがわかり,最新活動時期は4,000年前以降と考えられている(京都市,1997).灰方断層は西山丘陵の西縁を南北に延びる断層で,活動度はBクラスである(岡田・東郷編,2000).段丘面を傾斜させており,光明寺では傾斜した大阪層群の上部層を切る断層露頭が記載されている(植村,1990).なお丹波帯との境界にあたる断層は,岡田ほか(1996)では光明寺断層として記されているが,扇状地堆積物に覆われ明瞭な断層変位地形は見られないため,岡田・東郷(2000)に従い前面の灰方断層のみを地質図に示した.円明寺断層は長岡京市南部に南北に3km程度の断層である.これらの断層系はいずれも東落ちの断層である.
宇治川断層は,京都盆地南部の宇治川に沿って北東―南西方向に延びる伏在断層で,地表での変位は不明である.植村(1990)は深井戸試料により東西走向の活断層を,中塚(1991)はボーリング試料から垂直変位を記載し,横大路断層と命名した(植村・中塚,1992).植村・中塚(1992)では横大路断層を東西走向の断層と考えた.その後,平成10年度の京都市の地下構造調査で,宇治川付近に丹波帯や大阪層群に変位・変形を与えている伏在活断層が検出され,平成12,13年度に京都市などの地下構造調査・活断層調査によってその実態が解明されつつある.宇治川断層反射法探査は,西から八幡測線,淀測線,桂川測線,堀川―油小路―巨椋池測線,三栖測線,観月橋測線,京大桃山測線及び桃山南測線,小栗栖―石田測線で実施された.宇治川断層は基本的には南側が沈降する断層で北東―南西走向に伏見区淀付近から観月橋(東隣「京都東南部」図幅地域)まで約9kmの長さを持つ.変位量はB1反射面(360-400kaの地層)を約30m変位させている.最新活動時期は1,000-3,000年前と考えられている(京都市,2001b,2002b).植村・中塚(1992)はこの断層を有馬―高槻構造線の延長と考えているが,川崎ほか(1994)等では有馬―高槻構造線が男山丘陵の南部に続くとされており,これらの断層と京都盆地西縁断層系との関係も含め,今後議論が必要である.
男山丘陵の東西には,男山断層と田口断層が見られる.田口断層は枚方丘陵から北東―南西方向に延びる断層で,生駒断層系の断層と考えられる(宮地ほか,2001).男山断層は男山丘陵の東縁を限る断層で,南部では北西―南東方向の断層になる.この断層も大阪層群を撓曲させている(京都市,2002b,Yokokura et al., 2003).この断層の活動度は明らかではないが,産総研で平成15年度に八幡市内里で掘削したボーリング(GS-KYH-1)では深度-13.1m(標高約-1.5m)で高位段丘礫層が見つかつている.男山丘陵の高位段丘は標高50-60mであることから,高位段丘堆積後50-60m変位していると考えられる(宮地ほか,2004).
(宮地良典・井本伸広)
古来,出灰コンプレックスに含まれる石灰岩を消石灰に加工し,漆喰などに用いてきた.古くは「看聞御記」の永亨5年(1433年)12月12日の条に,灰方から石灰を禁裏へ貢したとあり,また,嘉吉2年(1442年)に譲羽山に隠棲した一休和尚「年譜」には「譲羽為名,朝貢出石灰地,譲羽出灰,和訓相近」とあり,出灰から石灰を朝貢したことがわかる.近世以降,地元では消石灰を肥料や土壌改良剤として用いたことが伝えられている.現在はまったく採掘されていない.
茨木北部地域から亀岡南部にかけての地域には7採石場が稼行している(第10.1図).採掘されている岩石は超丹波帯の砂岩・泥質岩及び砂岩頁岩互層である.平成3年の年間生産量は合計で4,708,885tであった(通商産業省生活産業局・工業技術院地質調査所,1993).この地域の砕石材の岩石試験結果は,骨材試験では,粗骨材が比重2.688-2.74,吸水率0.421-0.933%,すりへり減数は10.0-15.8%,細骨材が比重2.595-2.75,吸水率0.80-1.75%で,路盤材試験では,最大乾燥密度2.200-2.274t/m3,最適含水比4.8-7.2%である.アルカリ・シリカ反応性試験(モルタルバー法)では,無害とされている(通商産業省生活産業局・工業技術院地質調査所,1993).
高槻北部地域では,4採石場が稼行している.採掘されている岩石は超丹波帯の砂岩や泥質岩である.平成3年の年間生産量は合計で3,658,985tである(通商産業省生活産業局・工業技術院地質調査所,1993).この地域の砕石材の岩石試験結果は,骨材試験では,粗骨材が比重2.66-2.76,吸水率0.54-0.78%,すりへり減数は9.9-17.06%,細骨材が比重2.595-2.76,吸水率0.71-2.34%で,路盤材試験では,最大乾燥密度1.995-2.289t/m3,最適含水比4.5-6.5%である.アルカリ・シリカ反応性試験(モルタルバー法)では,無害とされている(通商産業省生活産業局・工業技術院地質調査所,1993).
いずれの地域の採石も用途は,道路用,コンクリート用,砂用及び鉄道道床用などである.

本図幅地域は,近畿三角地帯の中にあり,図幅地域内では有馬―高槻構造線活断層系や,図幅外ではあるが琵琶湖西岸断層系,花折断層など活動度の高い断層が周囲に多く見られる.京都盆地に大きな被害をもたらした地震は,827年8月(天正4年7月12日;以下括弧内は旧暦を表示),938年5月(承平8(天慶1)年4月15日戌または亥刻),976年7月(天延4(貞元1)年6月18日),1185年8月(元歴2(文治1)年7月9日),1317年2月(正和6(文補1)年1月5日),1449年5月(文安6(宝徳1)年4月12日),1596年9月(文禄5(慶長1)年閏7月13日),1662年6月(寛文2年5月1日),1830年8月(文政13(天保1)年7月2日)などが起こっている.また,1995年1月17日の兵庫県南部地震の際,京都盆地でも死者1名を含む死傷者や家屋の倒壊などが見られた.以下に各地震の様子を宇佐見(1996)などに従って記述する.
827年の地震は「舎屋多く潰れ,」余震が翌年6月までに合計71回以上あったことが記録されている.938年の地震では,「宮中の内膳司頽れ死者4名その他東西両京の舎屋,築垣倒れるもの多く,堂塔仏像も多く倒れる.」余震は,同年11月まで続いたとされる.976年の地震は山城・近江で大きな被害を出した.「宮城諸司・両京屋舎転倒多く,八省院・豊楽院・東寺・西寺・極楽寺・清水寺・円覚寺等転倒,死者50以上.」とされる.この地震の余震は6月中はほぼ毎日数回,その後も9月まで続いた.1185年の地震は近江・山城・大和に被害を出し,美濃,伯耆でも有感であった.特に京都の被害が大きく,多くの寺院,民家,築垣が倒壊し,「死者多く,宇治橋落つ.渡橋中の10人川に落ち,1人溺死.」.1317年の地震は「白河辺の人家悉く潰れ死5人.法勝寺・法成寺の堂宇門楼傾き倒れる.5日未の刻には清水寺火を発し塔と鐘楼を焼く.」この前3日にも強振があり,余震は5日だけで数十回,10月まで続いた.1449年の地震は山城・大和を中心に被害があった.「10日より地震有り.京都の仙洞御所傾き,東寺では築地倒れ,南大門など破損.神泉苑の築地壊る.洛中の堂塔,築地の被害多く,嵯峨清涼寺の釈迦仏など転倒.東山・西山でところどころ地裂け,……淀大橋3間,桂橋2間落ちる.余震は18日までに27-28回,その後7月まで続く.」とある.
1596年地震は慶長伏見地震と呼ばれ,京都盆地だけでなく大阪平野を含む畿内全域が被害を被った.このときの震度分布は宇佐見(1996)により第10.2図にまとめられている.「京都三条より伏見に至る間の被害多く,伏見城の天主大破,石垣崩れ,上﨟73人,中居下女500余人圧死.京都では東寺,天竜寺,大覚寺,二尊院倒壊,民家の倒壊も多く,死傷も多かった.」一方,「京都市内でも東福寺(仁王門のみは転倒)・泉涌寺・三十三間堂・清水寺・方光寺など,被害のほとんどない寺もあった.大山崎町「大山崎八幡宮の門・鳥居損し,家悉く崩る.」そのほかの地域でも大阪・神戸・堺を中心に死者が多数で,「一書によると『洛中の死4万5千……津国・丹波・播州・大和・山城・近江・和泉・河内一段甚しく揺る』という.全体で死者1,500余,余震は翌年4月まで続いた.」この地震は前項でも記載したとおり有馬―高槻構造線が活動したものと考えられている(寒川ほか,1996).1662年の寛文の地震は山城・大和・河内・和泉・摂津・丹後・若狭・近江・美濃・伊勢・駿河・三河から信濃までの広域に被害を及ぼした地震で,京都でも,「町屋倒壊1,000,死者200余」の被害があった.震源断層としては花折断層の可能性が高いが(吉岡ほか,1997)が,琵琶湖西岸断層系の可能性も残されている(小松原ほか,2002).1830年の地震の烈震地域は京都市内であるが,基本的に家屋に被害はなく,「石垣,門,塀,築地,番屋,端々の民家の倒壊有り.」また,「地割れありて泥を噴出する.」とあり噴砂が見られたことも知られている.余震は本震発生後数日間は1日数百回あり,翌年まで続いた.
1995年兵庫県南部地震は,阪神地域を中心に6,433人の犠牲者を出し,甚大な被害をもたらした.京都盆地でも1,100戸以上の家屋が被害を受けた.この被害の80%は盆地西縁部の左京区樫原,山田地区や大山崎町大山崎地区に集中した.これらの地域の多くは1960-1970年代に後背湿地,旧河道ならびに開析谷を埋め立てて造成された土地であったためと考えられている(植村,1996).

本図幅地域の東南部では木津川,宇治川及び桂川の三川が合流する.これらの河川は京都府,三重県,奈良県,滋賀県にまたがる広い地域から流入し,大阪・京都府境で合流して淀川になる.木津川は大和高原(南東隣「奈良」図幅地域)から,大和高原と田辺丘陵に挟まれた谷底に自然堤防を作りながら流下し,また宇治川は琵琶湖を水源として大和高原から扇状地上の谷を下って巨椋池の湖沼デルタへと流れ込む.宇治川は,安土桃山時代以前は巨椋池に流入し,京都市伏見区向島周辺から流下し,淀周辺で桂川・木津川と合流していた.豊臣秀吉は伏見城築城の際,京と大坂を結ぶ街道整備のため築堤や河川改修を行った.
木津川は巨椋池の下流で宇治川と合流するが,この付近で河川勾配が下がるため,八幡市,城陽市を中心に水害が絶えなかった(水戸,1990;大矢・久保編,1993).また,江戸時代には,木津川の天井川化による洪水が頻発した.一方三川合流域地付近では木津川の巨椋池への逆流による水害も絶えなかった.
江戸幕府は木津川の天井川化の抑制のため,1660(万治3)年に「山城,大和,伊賀三ヶ国の山々,木之根掘候ニ付,洪水之節河ニ砂押流埋候間,向後掘木之根,其上以連々植苗木ヘ候様ニ,急度可被相触者也」というおふれや,1666(寛文6)年に「山川掟」を出すなど,土砂流出抑制のために植林を推奨した.これらの効果で木津川の河床は低下した.
1860(万延元)年に木津川では八幡市大住(東隣「京都東南部」地域)から「大住切れ」と呼ばれる破堤氾濫が起こった.1868(慶応4)年に大洪水が起こり久御山町下津屋から淀への旧河道から現在の河道へ付け替え工事が行われた.この旧河道沿いに八幡市飛地が存在するのはこのときの代替地のためである.1910(明治43)年までに三川の合流点を現在の地点山崎狭窄部へ移し,さらに巨椋池から水路を新宇治川の左岸堤に沿って宇治川・木津川の合流点まで引き,樋門を作って洪水時の逆流を防ぐような工事が行われた.このような築堤や上流のダムの整備などにより,破堤氾濫はほとんどなくなっている(大矢・久保編,1993).巨椋池は遊水池としてその役目を終え,1933(昭和8)年から1941(昭和16)年までに干拓が行われ現在は水田地帯となっている.