QUADRANGLE SERIES SCALE 1:50,000 Nagano (36) No.24 GEOLOGY OF THE TATESHINAYAMA DISTRICT
By
(Written in 1973)
The map area is geographically and geotectonically near the centre of the Japanese Islands and covers the northern extension of the Yatsugatake volcanic chain.
The volcanic chain in this area follows an arcuate trend and swings towards the NW, from Tengudake (2,645.8m), the highest peak near the middle part of the southern border of the map, to Tateshinayama (2,530m) in the NW part.
Except for the eastern and western border parts of the map, where basement rocks are exposed, almost the whole map area is covered by deposits of the volcanic chain.
The basement rocks of the eastern border area comprise Palaeozoic-Mesozoic sedimentary rocks of the Kwanto Mountains. They are intruded by a rhyolite dyke (20m thick) and are partly covered by the Shiga welded tuff of Neogene age.
The basement rocks of the western border area comprise part of the Enrei Formation of Neogene age. The highest peak in this area is Yashigamine (1,878m).
The Palaeozoic rocks are Permian in age. They consist mainly of sandstone and slate with thick beds of chert and intercalations of limestone and schalstein. The Meso-zoic rocks are Jurassic in age and consist of slate, sandstone with chert, limestone, conglomerate and schalstein.
The Yashigamine volcanic rocks are composed mainly of lava flows and tuff breccias of hornblende-hypersthene-augite andesite, and crop out along the southern side of the Yashigamine fault where they form a narrow ridge running in a N60°W direction for a distance of some 4 km.
The Yashigamine Fault is separated from the parallel trending Takayama Fault to the SE by the Oiwake Volcanic Graben, some 3 km wide and 13 km long and has a vertical displacement of more than 200m.
The arrangement of volcanoes of the Yatsugatake volcanic chain is controlled by this graben, especially that of the northwestern volcanoes.

The Yatsugatake volcanic chain trends N-S over a distance of some 21 km. from Tateshinayama in the north to Amigasayama (2,524m) in the south. The highest peak in the chain is Akadake (2,899m).
The oldest record of volcanic activity in the Yatsugatake volcanic chain is found in the early Pleistocene as scoria fall deposits. The deposits grade laterally into the upp-ermost formation (Uryuzaka Formation) of the Komoro Group which includes the Pliocene-Pleistocene boundary. Although no volcanic activity has been reported in historic times it is certain that the youngest eruptions are Holocene in age.
The Yatsugatake volcanic chain can be divided into two areas according to the mode of eruption and the composition of erupted products. The areas are designated as the northern area and the southern area.
The boundary between the northern area and southern area is located in the region of the Natsuzawa Pass (the middle part of the southern border of the map). The area of the present map is therefore occupied mainly by volcanics of the northern area.
An eastern and western alignment of volcanoes is apparent.
The geological history of the volcanic chain is divided into two periods; an older period (Early to Middle Pleistocene) and a younger period (Late Pleistocene to Holocene) which are separated by an erosional unconformity.
The outline of the history of the volcanic chain is described as follows and is shown in Table 1.
I-1) Formation of stratovolcanoes along the eastern alignment of the northern area.
A large mass of low relief stratovolcanoes (2,100m a.s.l.) rising some 1,000m from the basement rocks was formed by basalt and andesite. A large quantity of scoria fall deposits, which are made up of thousands of fall units, were produced at this time. I-2) Formation of stratovolcanoes along the eastern alignment of the northern and southern area.
A group of stratovolcanoes (2,400m a.s.l.) rising up to 1,000m from the basement rocks was formed by Vulcanian Type eruptions, accompanied by some Strombolian Type eruption, of andesite-basalt. The volcanic activity was accompanied by a Nirasaki-Type pyroclastic flow (KOFU BASIN QUATERNARY RESEARCH GROUP 1969).
These volcanoes are composed of some tens of thin andesitic lavas and scoriae, agglutinates and agglomerates which originated by violent eruptions. Strombolian Type eruptions occurred in the later stages of the development of the volcanoes. Welded tuffs were also produced. A linear arrangement of volcanoes became distinct and the volcanic centres gradually migrated northwards. The highest peak in the volcanic chain, Akadake was formed at this stage.
The eruptions comprised lava flows, pyroclastics (partially welded tuffs) of andesite, dacite and rhyolite. Many mudflows occurred at this stage.
Volcanism during this stage was very strong. The lava cones of this stage were covered by many lava cones which were formed in the later stage. The volcanic centres began to migrate westwards.
The main volcanic products were andesitic blocky lavas.
Intense volcanism resulted in the eruption of pyroclastic flows and andesite lavas which built up the main volcanic ridge seen today. Paired alignments of volcanoes were completed at this stage. Minor alignments which are represented by the twinned lava cones trending in a NW-SE direction were also formed at this stage.
Andesitic lavas, welded tuffs and a mudflow covered the rocks of stage II-1).
Blocky lavas composed of viscous andesites were erupted from 7 craters. The minor alignments of the lava cones were fully achieved during this stage.
Thus generally speaking, volcanism began from the eastern alignment of volcanoes in the northern area in the older period and formed large scale stratovolcanoes. The centre of activity migrated to the southern area with the construction of stratovolcanoes. After an erosion interval, the younger period began with the formation of more stratovolcances of the eastern alignment of the southern area and many lava cones were formed along the western alignment of the northern area. Two lava cones were formed in the southern area along the western alignment. Thus, with the exception of the two lava cones which were formed during the II-3 stage, the volcanoes of the younger period occur both in the eastern and western alignments, thus presenting another alignment of the younger period.
Olivine basalts and pyroxene andesites were erupted along the eastern alignment during the older and the younger period. Rhyolites, dacites and hornblende andesites were erupted along the western alignment during the younger period. Distinct paired arrangements of cones and volcanic rocks of different compositions occurred in the younger period.
In nowadays 13 chemical analyses of the basalts, andesites and dacites are known in the Yatsugatake volcanic chain. The alkali-lime Index is 62.6, which is slightly higher than the Pliocene volcanic rocks of Kirigamine-Wada Pass-Utsukushigahara area, in the northwestern extension of the chain, with an alkali-lime Index of 60.0. The ratio of K2O/Na2O increases steadily from south to north in the Yatsugatake volcanic chain, and also to the volcanic rocks of the Kirigamine-Wada Pass-Utsukushigahara to the northwest.
Geothermal activity in this region is not common and consists of a few low temp-erature hot springs. Among them, the Honzawa hot spring has the highest temperature of 52℃. Most of the hot springs are found in the area of the southeastern extension of the Yashigamine Fault.
Other possible economic resources, e.g. sulphur, limonite and limestone are negligible. Andesites are quarriable.
(昭和48年稿)
地域地質研究報告 5万分の1図幅 長野(36)第24号 蓼科山地域の地質
河内晋平*
* 北海道大学理学部
この地質図幅は,八ガ岳火山列について,1957年以来今日までに筆者が,主として北海道大学において行った研究のまとめの一部をなしている.
この間,野外で研究室で,また直接本図幅をまとめるにあたって,以下のようなたくさんの方々に,御指導と御鞭撻をうけた.
北海道大学:石川俊夫名誉教授・勝井義雄教授ほかの皆様
信州大学:小林国夫教授
地質調査所:猪木幸男・佐藤博之・一色直記・小野晃司・松井和典・曽屋竜典・大森江い・大森貞子氏ほかの方々
諏訪市役所:稲垣益次氏
筆者の同僚:諏訪市城南小学校北沢和男・富山大学小林武彦・地質調査所三村弘二・京都大学早津賢二・地域開発コンサルタンツ諸橋毅・東京大学古田俊夫・応用地質調査所山崎哲良・北海道大学小林哲夫の諸氏
諏訪教育会:武居守先生ほかの皆様
甲府盆地第四紀研究グループ:藤本丑雄先生ほかの皆様
また,北海道大学の川崎一郎・渡辺家隆・太田茂志氏ほかの皆様には図版や薄片の製作に多大の御協力をいただいた.ここに記して以上の方々に心から御礼申し上げる.
この図幅地域は,日本列島のほぼ中央・東経138°15′~138°30′,および北緯36°00′~36°10′にかけて位置しており,八ガ岳火山列のほぼ北半分,すなわち北八ガ岳火山群(河内,1961a)に相当している.行政区画は,長野県の二市・三郡(五町三村)注1)におよぶ.地域一帯は,風光明媚な山岳および高原地帯として知られており,八ガ岳中信高原国定公園に指定(1964年)されている.
八ガ岳は,単に地理上の位置が日本列島の中心部にあるばかりでなく,地質構造上もちょうどその中心部に存在しいてる(第2図).
すなわち,この火山列は,日本列島を東北日本と西南日本に2大区分する,糸魚川―静岡構造線のすぐ東側に形成されており,またこの位置は,この構造線と,西南日本を本州区と四万十区に区分する仏像―糸川構造線,あるいは内帯と外帯に区分する中央構造線などとの,交点の近くにも当っている.さらに,フオッサ・マグナ帯にあってその中心部,南・北フォッサ・マグナの境いめにあり,本州弧と伊豆・マリアナ弧(上田・杉村,1970)の会合点の近くに位置している.そしてまたこの位置は,八ガ岳をはさむ東の関東山地(古・中生層,古第三紀層などと,これらを貫く火成岩類)と西の赤石山地(古・中生層,古・新第三紀層と火成岩類,低変成岩類など)からなる基盤岩山地の“対曲”構造の頂点の付近にも相当している.

霧ケ峯・蓼科山(手前下の左右に連なる山は八子ケ峯)・大河原峠・横岳・縞枯山・茶臼山・大石峠・丸山(手前下の小丘は小泉山・大泉山)・中山・中山峠・天狗岳・根石岳・箕冠山・夏沢峠・硫黄岳・横岳・阿弥陀岳・赤岳・キレット・旭岳・権現岳・編笠岳。なお,手前中央は茅野市。1972年秋 吉田俊夫氏撮影
第1表に,八ガ岳をはさんだこれら東西両基盤岩山地の,帯状構造の対応関係を示す.フォッサ・マグナ帯において,これら基盤岩類は,八ガ岳の南麓で互いに分布がもっとも接近(7km)している.糸魚川―静岡構造線に沿う諏訪湖北方での三波川変成岩と,赤石山地のそれとのずれ(第2図参照)を考えて,この表に八ガ岳の位置を投影してみると,基盤岩類は表中に太破線で示したように,主として四万十累帯の全体と,秩父累帯・フォッサ・マグナ帯の諸岩石からなる,との予想がたつ.つまり,八ガ岳北半の諸火山は,本州区と四万十区をまたいで形成されていることになる.
八ガ岳はまた,富士火山帯北帯(KUNO,1952)の北部を占め,那須・鳥海両火山帯の南西端に近く,この付近では多数の第四紀火山が密集している.中部日本のこれら諸火山は,基底に鮮新世火山岩類を伴う場合が多く,とくに八ガ岳の北西延長部には,霧ガ峯―八子ガ峯地域の火山岩類が,標高1,500~2.000mの台地をつくって広く分布している.
ここで八ガ岳のゼノリスについて一言ふれておきたい.
第2表は,これまでに採集したゼノリスの肉眼鑑定結果を,採集地点によって北から南へ4大別(Nn~Ss)したものである.ここでNは北八ガ岳を,Sは南八ガ岳を示し,またnは北部を,sは南部を示す.採集されたゼノリスの総数は約2,000コで,そのうち肉眼鑑定がなされた(可能な)部分は凡そ50%である.これらの岩石種は,花崗岩・片岩など19種である.表中のホルンフェルスは,今後の鏡検の進展に伴って,さらに数がふえるであろうが,この表は八ガ岳の基盤岩について大凡の特徴を示している,と考えてよいであろう.この表から注目される諸点は,以下のとおりである.
1) Nn:花崗岩がかなり多く,はんれい岩・石英岩・チャート・砂岩・石灰岩・ホルンフェルスも多い.
Ns:花崗岩がかなり多く,はんれい岩・石英岩・輝緑岩などが注目される.砂岩・石灰岩・ホルンフェルスは少い.
Sn:石英岩・石灰岩がとくに多く,花崗岩・はんれい岩・チャート・砂岩・ホルンフェルス・粘板岩なども多い.
Ss:はんれい岩・石英岩・石灰岩・角閃石岩・片岩などが注目され,花崗岩・チャート・砂岩・ホルンフェルスも多い.
2) Nn+Ns:花崗岩>石英岩>はんれい岩=石灰岩>ホルンフェルス>砂岩>チャート=粘板岩=火山岩類>輝緑岩で,これらの合計は98%に達する.
Sn+Ss:石灰岩>石英岩>はんれい岩>ホルンフェルス>花崗岩>砂岩>チャート>粘板岩>角閃石岩=火山岩類で,これらの合計は98%に達する.
3) N+S:石灰岩>石英岩>花崗岩>はんれい岩>ホルンフェルス>砂岩>チャート=粘板岩>火山岩類で,これらの合計は97%である.
さらに,鏡下の観察によると,ゼノリス化されることによって微斜長石・珪線石・紅柱石・菫青石・透輝石・珪灰石・ザクロ石・エジリン・スピネル・コランダム・黒雲母などが,形成された各種のホルンフェルスの存在が確認されている.

1: 第四紀火山岩類
2: 鮮新世火山岩類
3: 瀬戸川帯(上部白亜系〜古第三系)
4: 大井川帯(中・上部中生界)
5: 白根帯(中・上部中生界)
6: 赤石帯(中・上部中生界)
7: 小仏帯(白亜系〜古第三系)
8: 小河内帯(中・上部中生界)
9: 関東山地秩父累帯南帯(二畳系)
10: 関東山地秩父累帯北帯(石炭系・二畳系および中・上部中生界)
11: 赤石山地秩父累帯(ニ畳系および白亜系)
12: 領家帯(古生界および中生界)
13: 三波川帯(古生界)
14: (推定)断層
I-S: 糸魚川—静岡線
A: 赤岳
As: 浅間山
F: 富士山
K: 茅ガ岳
Kf: 甲府
Sw: 諏訪湖
T: 蓼科山
なお、□内は蓼科山図幅地域。


第3表には,八ガ岳の主要な峯・峠・池などの標高を示す.のちにのべるように,八ガ岳はほぼ中央にある夏沢峠を境にして,南・北2つの火山群にわけられているが,この峠は本図幅地域の南端に位置している.したがってこの表は,南・北それぞれの火山群における著名地点の標高差をも示している.全体の最高峯は赤岳(2,899m)であり,図幅地域内では天狗岳(2,645.8m)である.また,図幅地域内の最低点は北東端にある羽黒下(750m)である.第4表には,南・北八ガ岳火山群の大地形上の差異を示す.
八ガ岳は,北端の前蓼科山注2)(2,375m)から南端の編笠山(2,524m)まで,南北21kmにわたって一連の火山列を形成しており,その配列は北部で西にふれ,北東に凸の弧状をなす.この間の標高は,もっともひくい麦草峠でも2,110mに達する.そしてこの間に,上下に重なるものを含めて,大小20コ近い,それぞれ独自の噴出中心をもった火山が配列しており,全体は一つの独立した〈火山列〉として扱うことができる.
これら諸火山の配列は,のちにのべるように東・西2列あり,この関係はとくに,この図幅地域内(北八ガ岳火山群)において明瞭である.そして東側の諸火山(成層火山群)は,西側の諸火山(溶岩丘群)より古期に属する.したがって火山列の東側は,一般に解析がすすんでおり,山体をきざむ河川の中には,かなりの幅に達して,原形の復元に困難すら生じているものがある.
新期(西側)火山列は,古期(東側)火山列のつくる山体の西斜面に形成されて,現在の主稜をなしている.本図幅地域北半において,新期火山噴出物は,古期山体にきざまれた谷すじを通って東麓に流下している場合を除き,主として西側に流下している.一般に西側の山麓地形は,東側の山麓地形よりも新鮮である.そして西側火山列の溶岩流には,空中写真で明瞭なグルーブを判定できるものが多い.一方,本図幅南半では,新期噴出物がかなりの範囲にわたって,古期噴出物をおおっているのがみられる.火山の裾野は,北および北東側でより長い.


図幅地域内における諸火山の配列の軸は,南端では中央西よりに,北端では西端に近くなっている.これらの主稜からは,西・北・東に向って河川が発達している.西流する主要河川には北から滝の湯川・渋川・鳴岩川および柳川(流路の大部分「八ガ岳」図幅地域内)などがあり;北流する河川には西から本沢・八丁地川・唐沢・鹿曲川・細小路川・布施川などがあり;さらに東流する河川には北から大岳川(石堂川)・本間川・大月川・湯川・高石川および杣添川(流路の大部分「八ガ岳」図幅地域内)などがある.そして東端には千曲川が北流している.
この火山列の地形上のもう一つの特徴は,主稜に近く,あるいは山麓に第5表のように多数の湖沼が分布していることである.さらに東麓松原湖付近には,泥流堆積物のつくる流れ山地形が認められる.
火山山麓に特有の平坦面には,火砕流・礫層・溶岩流などで構成されているものが認められる.これらのうち,主要な原野を第6表に示す.表示のように,その総面積は297km2に達している.
河岸段丘は千曲川沿いに,小海線松原湖駅から小海駅付近まで,佐久町の千曲川右岸などで認められる.
地辷り地形としては,中山峠東方に大規模なものが存在しており,小規模なものは,図幅地域の南東端「八ガ岳」図幅との境界部の杣添川左岸に認められる.
断層地形は,図幅地域西端の八子ガ峯の北側で顕著であり,この断層は,のちにのべるように火山の配列を大きく規制している.


中・古生層を主とする基盤岩山地のつくる地形は,千曲川右岸にみられる.これらは関東山地の西縁部に当り,大局的にみるとその構造を反映して,北西・南東方向の稜線が,南北に重複した山脈を形成している.
八ガ岳火山列を全体としてみるとその噴出物は,はるか遠方にとび去った降下堆積物を除き,南北60km・東西35kmの地域をおおい,分布面積はおよそこの付近の5分の1地形図4枚半・1,900km2に達する.また,この範囲で,分布の最高地点と最低地点(南限は南方韮崎市・「韮崎」図幅地域にあってその標高は340m;北限は望月町・「小諸」図幅地域にあって標高740m)との標高差は2,500mを越えている.
火山列最古の堆積物は,鮮新―洪積世の境界をふくむ小諸層群最上部層の瓜生坂累層から漸移(飯島ほか,1956)している.噴火記録は知られていないが,最新の活動は,生々しくのこっている溶岩流の表面構造や,そのまわりの山体との植生上のコントラスト,火口底での52℃の温泉の湧出などから推定して,沖積世におよんでいることはまちがいない.
第7表に,八ガ岳における火山発達史の概要を示す.表示のように火山の発達史は,明瞭な侵食期の存在によって〈古八ガ岳期〉および〈新八ガ岳期〉に;火山の活動様式と岩質によって,主として輝石安山岩の成層火山群からなる〈南八ガ岳火山群〉と,主として玄武岩・角閃石安山岩・デイサイト・流紋岩などの成層火山群と溶岩丘群からなる〈北八ガ岳火山群〉とに,それぞれ2分(河内,1961a)して考えることができる.南・北八ガ岳の境界は,この火山列のほぼ中央部にある夏沢峠におく.
第3図は,八ガ岳の噴出物を古・新期に2分した場合の地質大区分図である.図のように,古八ガ岳期の噴出物は,この火山列の北東部および南部に広く発達しており,新八ガ岳期の噴出物は中央部から北部にかけて広域をおおう.
ここで注目すべきことは,これら諸火山が,第4図に示したように東・西2列に配列していることで,それぞれを〈東列〉・〈西列〉と呼ぶ.


1:沖積層,2:ローム層,3:崖錐堆積物,4:新八ガ岳期噴出物,5:古八ガ岳期噴出物,6:鮮新世火山岩類,7:花崗岩類,8:輝緑岩類,9:緑色凝灰岩類,10:“中古生層”,11:三波川変成岩類,12:断層,13:火口・噴出中心,14:三角点,W:和田峠,K:車山,D:大門峠,S:すずらん峠,T:蓼科山,O:大河原峠,M:麦草峠,N:夏沢峠,A:赤岳

1:(推定)火口,2:溶岩丘の対応関係,3:岩脈,4:大断層(太線)と小断層(細線),5:再結晶化安山岩類と輝石安山岩(黒色部),6:東列弧の中心,7:西列弧の中心,8:新八ガ岳期諸火山の配列の弧の中心
第7表にもとついて,八ガ岳全体の火山発達史の概要を記すと,以下のとおりである.
I-1) 東列・北八ガ岳における成層火山群の形成期
玄武岩・安山岩を主とする大規模な噴火によって,やや偏平な,標高2,100m(+),基底からの比高1,000m(+)の一大成層火山群を形成.
I-2) 東列・南八ガ岳における成層火山群の形成期
玄武岩・安山岩を主とする旺盛な火山活動期・特に“韮崎型”火砕流〔溶岩流と火砕流注3)の中間型の特殊な火砕流で,甲府盆地第四紀研究グループ(1969)が命名〕を伴う.標高2,400m(+),基底からの比高1,000m(+)の成層火山群を形成.
II-1) 東列・南八ガ岳における成層火山群の形成期
安山岩質の比較的うすい数10枚の溶岩と火砕岩の互層からなる.末期に近く,多量・多数回のスコリヤを噴出.溶結凝灰岩も形成.
火山の線状配列の傾向が顕著にあらわれはじめ,活動中心は順次北上.この火山列最高峯の赤岳が形成される.
II-2) 北八ガ岳における西列(厳密には東・西列の中間地帯にあたる)を中心にした各種の火砕流と厚い溶岩流の噴出期
安山岩・デイサイト・流紋岩を主とする各種・多数の火砕流(一部溶結)と厚い溶岩流の噴出.泥流多数.旺盛な火山活動期.現在の主稜を構成する溶岩丘群の下位に,いくつかの溶岩丘群を形成.火山の活動中心の西側への移動はじまる.
II-3) 西列・南八ガ岳における溶岩丘の形成期
安山岩の塊状溶岩流が主体.
II-4) 西列・北八ガ岳における溶岩丘群の形成期
安山岩の(塊状)溶岩と各種・多数の火砕流を噴出する旺盛な火山活動によって,現在の主稜を形成.雁行状二重配列の完成期.同時に,北西―南東方向に対になった溶岩丘の微配列(後述)の形成もはじまる.
II-5) 東列・南八ガ岳に成層火山の形成
II-1)をおおう数枚の安山岩溶岩と,溶結凝灰岩からなり,泥流を伴う.北東に開いた火口底から,現在も52℃の温泉を湧出.
II-6) 西列・北八ガ岳北部における溶岩丘の形成期
8つの火口から粘性の大きい安山岩の塊状溶岩を噴出.溶岩流はいずれも表面構造の保存が良好で,とくにその中の一枚は,植生上にもコントラストを示す.溶岩丘群の微配列完成.
以上のように,八ガ岳全体を通じてみると,火山の発達史は,まず古八ガ岳期に東列・北八ガ岳ではじまり,大規模な成層火山群を形成したあと,活動中心を順次南下させつつ,南八ガ岳にうつってやはり成層火山群を形成した.そののち侵蝕期をへだてて新八ガ岳期をむかえ,今度は逆に東列・南八ガ岳の成層火山群の形成からはじまって,西列・北八ガ岳に多数の溶岩丘群を形成して活動を終っている.
これを岩質からみると,古八ガ岳期は玄武岩~安山岩(輝石安山岩)にいたる東列(弧の前縁)の活動期であり,新八ガ岳期は主として,流紋岩・デイサイト・安山岩(角閃石安山岩~輝石安山岩)からなる西列(弧の後縁)の活動期である.そして今日この火山列にみられる顕著な火山および火山岩の2重配列構造は,新八ガ岳期に完成されている.このような岩石種の配列様式は,日本列島全体(ISHIKAWA and KATSUI,1959)あるいは1つの火山帯における岩石種の配列(KUNO,1952)に相似性をもっている点で注目される(河内,1961a).
すでに記したように,この火山列は火山活動の様式の点でもきわめて多様である.また山麓部において,これら各期の噴出物に挟在して,礫・砂・泥・泥炭層をはじめとする非火山性堆積物が各地に発達(たとえば河内・ほか,1969)しており,これらの中からは各地で植物化石が発見されている.これらの全てを含めたこの火山列の発達史は,きわめて複雑である.
第8表には,火山配列の曲率を示す.表示のように東列では曲率半径・弧の長さが最大,弧を見込む角度は最小であり,西列はちょうどこの逆,また新八ガ岳期は両者の中間の値を示す.
八ガ岳における火山の配列様式でつぎに注目すべき点は,新八ガ岳期・北八ガ岳火山群のいくつかの例にみられる溶岩丘群の〈微配列〉の特徴である(第4図参照).これらは図に連結線で示したように,N60~70°W方向に2つずつ対になった対応関係を示している.このような対応関係の存在は;
1) この方向に伸長した双子の溶岩丘(縞枯山東峯と西峯.図ではMから北へ2つめ)の存在
2) 多くの岩脈の走向がこの方位を示すこと(後述)
3) 主として古八ガ岳期噴出物のみを切る,多数の小断層・破砕帯(走向N50~80°W・平均N60~70°W,ほぼ直立;幅5~200cm・落差0~数m)の存在
などによってうらづけられている.二重弧の完成期に合わせて,このようにより小スケールの火山の雁行配列が,形成されていることは非常に興味深い.そしてこのような雁行配列の軸の方向が,図のように霧ガ峯―八子ガ峯地域の大構造の方向と調和的であることが注目される.
第5図にはまた,東列・南八ガ岳の中心部に南北に,かなり広く発達しているホルンフェルス化をうけた安山岩類と,完晶質岩をも合わせて示してある.これらは中岳・ツルネ・ギボシ岳などとよばれる岩峯を形成しており,古期の噴出物とは整合に,新期の噴出物とは直接断層で接している.岩体の大きさは幅最大600m・長さ4km,下限は不明で,谷底から岩峯の頂部までは,比高400m(+)に達する.しかしこの間に,火砕岩の挟在は全く認められない.そして一般に南北性を主とするこまかい節理と,小断層・破砕帯が発達しており,これらの諸面に沿っては,黄鉄鉱の鉱染が認められる.岩体の特徴はまた;
1) 完晶質の紫蘇輝石普通輝石ひん岩(中心部の中岳・ツルネなど)
2) 1)の石基部が再結晶しているもの
3) 緻密・黒色・細粒・きわめて堅硬の岩石で,肉眼的には泥岩状を呈するが,鏡下では明らかに再結晶作用を認めうる安山岩
など,きわめて著しい岩相変化が認められることである.要するにこの岩石は,全体として単一の岩体を形成して「火山の根」を構成しているものと考えられる.この「根」が,度重なるマグマの通路となって,ホルンフェルス化されたものであろう.


1:沖積層,2:崖錐堆積物,3:八ガ岳火山列の噴出物,4:霧ヶ峯―八子ヶ峯火山岩類,5:鉄平石型安山岩類,6:松脂岩,7:黒曜岩・流紋岩,8:凝灰角礫岩,9:玄武岩,10:粗粒玄武岩,11:緑色凝灰岩類,12:花崗岩類,13:噴出中心,14:小断層,15:大断層,4・5:狭義の霧ヶ峯―八子ヶ峯火山岩類,4〜9:広義の霧ヶ峯―八子ヶ峯火山岩類
第5図には,八ガ岳の北西延長部につづく霧ガ峯地域の地質概念図を示す.ここでもっとも注目されることは,黒曜岩・流紋岩の分布域がそのまま南東にのびて,すでにのべた八ガ岳における黒曜岩・流紋岩の分布域に連続していることである(河内,1961a).この霧ガ峯地域の火山岩類の年代については,沢村・大和(1953,第四紀),MOMOSE et al.(1959,鮮新世)などのほか,黒曜岩のK-Ar法(河野・植田,1964;400万年),Fission Track法(KANEOKA and SUZUKI, 1970;和田峠85万年・霧ガ峯130万年)などの資料があるが,いずれもこの帯の延長部における八ガ岳の同質岩石の年代より,はるかに古いと考えてよいことはまちがいない.したがって,時代を越えて同一の帯の延長部に相当する部分で,同質の火山岩の活動がみられることが注目される.
この地域で最大の構造線は,図の北半部に北西―南東方向に雁行する2本の構造線(第4図も参照されたい)で,これらはその中間部分がおちこんだ地溝をなしている.これを〈追分火山性地溝〉と命名する.この地溝の実在性は;
1) 地形上の特徴・崖錐堆積物の存在
2) 溶岩類の傾斜が2本の断層線からともに地溝の外側に向っており,内側へは不連続であること.
3) 大石峠(すずらん峠)・大門峠をはじめとする断層線上およびその付近での小断層群の発達
などによって確認されている.地溝の幅は約3km.長さは雁行して13kmあり,落差は見かけ上200mを超える.
この追分火山性地溝の方向が,何を意味するのかは目下のところ明瞭ではない.その方向が関東山地の一般的構造に調和的(第3図参照)であることが注目される.しかし,その西端は諏訪湖北方の三波川変成岩類でおさえられているので,問題はもっと複雑であるらしい.さらにこの断層線が,見かけ上左ずれに配列していることが,単なる偶然か,あるいは糸魚川―静岡線による三波川変成岩の左ずれや,八ガ岳の溶岩丘群がやはり左ずれに配列していることなどに関係があるのか否かも,今のところ不明であり,今後の問題である.しかし要するにこれらのことは,八ガ岳に霧ガ峯―八子が峯地域も加えて,黒曜岩・流紋岩から鉄平石型の安山岩にいたるまで,舞台を少なくとも新第三紀末まで拡げて,この地域の火山岩全体を統一的にとらえることが可能であるし,必要であることを示している.
八ガ岳は,日本列島の地体構造を考える上で,重要な位置を占めているため,この火山列の下位の地質構造を,どのように考えるかをめぐって地質学史に名高いNAUMANN―原田の論争(1885~1888年)が展開された.また小川琢治(1932a・b)は,彼の低位置氷河論の一つの舞台として八ガ岳に言及している.こうして八ガ岳は,日本の地質学界の黎明期を代表する2大論争の中心舞台となった.
今日,地質学に関連するさまぎまなテーマについての八ガ岳研究で,筆者が収録した報告は,第9表のように総計約130編知られている.この数は決してすくなくないが,31編の地質論文中,多少なりとも具体的な記載を行っているのは,そのさらに約3分の1である.一方,岩石学的特性を追及した研究はさらに乏しく,全体としては,八ガ岳は具体的な研究の乏しい火山の一つであった.

従来の研究のうちから,主要なものをひろうと以下のとおりである.
1) 地質論文
八ガ岳に関する最初のかつ包括的な研究は,山崎(1898)によって行われた.彼は,満足な地形図もなかった当時,この火山列を,まわりの火山岩地域をも含め踏査して,いわゆる「二重火山説」を提唱した.今日のレベルでこれを検討すると,火山の発達史・層序・構造・配列等々の諸点で,不充分であるのは時代の制約として止むをえないことである.
その後60余年間は,なぜかこの火山に本格的にとり組んだ研究はほとんどなかった.この間の収穫は,竹下(藤本・編,1958)によって,火山学的・岩石学的特性が記されたことに止まる.
河内(1961a)は,はじめて火山の発達史が,古八ガ岳期と新八ガ岳期に2大別されることとともに,活動の様式と岩質などによって,北八ガ岳火山群と南八ガ岳火山群に区分されること,さらに火山の配列が東・西2列あって,雁行していることなどを指摘した.これらの特性はKAWACHI(1972)によって総括されている.
山麓のテフラについては,矢野(現・北沢,1962・1963・1964),北沢(1965),北沢・河内(1967),北沢(1967),中谷(1970),古田(1970),中谷(1971)らによって研究が行われている.
飯島ほか(1956),SAITO(1965)は,北東山麓にある八ガ岳最初期噴出物について分帯・記載を行い,飯島・塩川団研グループ(1966),飯島ほか(1966),飯島(1967),河内ほか(1967),北沢・河内(1967),小林(1967),飯島ほか(1968),河内ほか(1969)らは,山麓の火砕流をふくむ第四紀堆積物の層序の確立と分帯を行っている.また,最初の古磁気学的研究は西山(1966)によって行われた.
2) 岩石論文
北原(1949)によって,本文中の蓼科高原溶岩についての化学分析値が,はじめて求められた.またTAKESHITA and OJI(1968)およびOJI and TAKESHITA(1970)は,この図幅地域内の雨池山溶岩と本沢溶岩・スコリヤ中の溶岩についての分析値を求め,さらに火山列全体から3コの包有物の分析値を求めている.その後,河内ほか(1972)は,火山列全体から11コの分析値を追加して,この火山列の化学性について紹介している.
3) 象化石論文
この地域から産する象化石について,八木(1928・1929・1931),井出(1936),斎藤・斎(1967);亀井(1970)などが論じている.
4) 考古学・遺跡論文
小林(1957),芹沢(1957),小松(1967・1970)らによる総論と,宮坂(1962・1964),宮坂・宮坂(1966),宮坂(1968)らによる詳細な研究のほか,とくに注目されるものとして,北相木栃原遺跡における縄文早期化石人骨の発見と発掘にいたる一連の報告・信州ローム研究会(1966),鈴木・香原(1968),栃原岩陰遺跡研究グループ(1970)などが知られている.
5) 絶対年代
14C法については,河内・北沢(1967),八ガ岳西麓団研グループ(1971)などがあり,K-ArおよびFission Track法については,KANEOKA(1969),鈴木(1969),SUZUKI(1970),KANEOKA and SUZUKI(1970),鈴木(1970),塩川団体研究会(1971)などによって資料が集積されつつある.
以上のほかには,構造土について記したものに中島(1938),酒勾ほか(1958),温泉について中村ほか(1971)などが知られている.
本図幅地域は,ほとんど八ガ岳火山の噴出物で占められており,基盤岩類は東縁および西縁にわずかにみられるにすぎない.東縁の基盤岩類は,関東山地を構成する古・中生層と,これらを貫く新第三紀流紋岩であり,西縁の基盤岩類は,諏訪湖周辺に広く発達する新第三紀塩嶺累層の東端部に相当するものである.
第10表には,この図幅およびこの図幅の周辺地域(「諏訪・和田・小諸・御代田・十石峠・金峯山」図幅)の基盤岩類の層序を,第11表にはそれらの層相・構造などの概要を示す.以下それぞれについて,若干の説明を加える.
二畳系の天狗山層群・御座山層群・海瀬層群(以上全て藤本・編,1958)などがある.
関東山地四万十累帯の北端・小河内帯(第1表参照)に属する地層で,粘板岩・砂岩を主とし,チャート・石灰岩・礫岩・輝緑凝灰岩などをはさむ.「金峯山」図幅地域の北端に東西に走る男山(1,851m)・天狗山(1,882m)などの急峻な山地を形成している.この図幅地域南端部の諸火山の基盤岩を構成している可能性があるが,地表露頭はない.
関東山地秩父累帯の南帯に属し,「十石峠」図幅地域内の御座山(2,112.1m)を中心として発達する地層.南縁は高岩―白岩山―御前山線で四万十累帯に接しており,北縁は山中地溝帯に接している.ほぼ中央に発達する北相木断層を境界にして,この秩父累帯は北亜帯と南亜帯に2分されているが,層位的には同層準の地層の反復からなる.砂岩・粘板岩と,これらの互層を主とし,厚いチャートを伴う.また,石灰岩・輝緑凝灰岩をはさむ.これらのうちとくにチャートは,複雑に褶曲しており,「十石峠」図幅地域内の阿登久良山(1,244m)や,南相木村おみかの滝などでよく観察される.
本図幅地域内では,以上の延長部が,中央・北側の千曲川東岸に1,100m余の山地を形成して分布している.一方,千曲川の西岸では,本間上の南方で火山噴出物にとりかこまれて小岩峯をなしているほか,東馬流に至る国道沿いなどに分布している(第12表).



山中地溝帯中生層の北側に分布し,関東山地の秩父累帯北帯に相当する地層で,粘板岩・砂岩などと,うすいチャート・輝緑凝灰岩・石灰岩などからなる.北限は臼田町田口山の神―狭岩(「御代田」図幅)にあり,これより北側は,第三紀層および荒船山火山岩類におおわれていて詳細不明.山の神―狭岩の南側でも,荒船山火山岩類の志賀溶結凝灰岩におおわれていたり,石英閃緑岩・流紋岩などの貫入をうけており,分布は断片的である.これらをまとめて第13表に示す.
中生層としては,合羽坂層群・山中地溝帯中生層(藤本・編,1958)などがある.産出化石から前者はジュラ紀に,後者はジュラ―白亜紀に,属すると考えられている.
粘板岩・砂岩を主とし,チャート・鳥の巣型石灰岩・礫岩・輝緑凝灰岩などからなる.小河内帯に所属する地層で,模式地は「十石峠」図幅地域南西端の合羽坂にあり,ここを中心に南東―北西にのびる1,300~1,600mの尾根をつくって分布している.北縁は南相木断層,南縁は男山断層でそれぞれ断たれている.図幅地域内では,その南東端に最高1,303.6mの三角点をもつ山地をつくっている.各地の観察結果を第14表にまとめて示す.


これらは産出化石から,上部ジュラ紀と考えられる栖の木平層と,下部白亜紀の古谷層・石堂層に3分されている.3層ともすべて「十石峠」図幅地域内にのみ分布が知られており,かつその西端は,本図幅地域の東端まで約4kmへだたった佐久町平川原部落付近で終っている.しかし,これら3層のいずれに相当するか明らかでないが,これらの延長部と考えられる地層が,佐久町川久保南東約400m(「十石峠」図幅西端)の川べりに露出しており,褐色泥岩と黒色頁岩の互層からなる.その走向は北80°西・傾斜直立である.
図幅内の第三系としては,塩嶺累層および荒船山火山岩類の一部が分布しているにすぎない.しかし.火山の基盤岩として,その延長部が伏在している可能性のあるものとして漸新世の北相木層(藤本・編,1958)がある.
北相木村山口の東方約1kmにある俗称雪瀬から,箱瀬に至る東西約1.2km間の北相木川河岸を中心にみられる地層で,礫岩・砂岩・頁岩などからなり,凝灰岩をはさむ.古くから植物化石を多産することで知られている.分布の西端は北相木村川又(「十石峠」図幅西端),南限は南相木川で,北限は北相木衝上断層で断たれている.
塩嶺累層とは,諏訪湖周辺から霧ガ峯・和田峠・美ガ原にかけて広く発達する火砕岩と,これらに挟在する溶岩類の一括呼称である(MOMOSE et al., 1959).その地質年代については,湖沼堆積物中の植物化石種の組合せをもとに,中新世とする説,他層との関係(緑色凝灰岩類を不整合におおう)と,古磁気学的根拠にもとづいて鮮新世とする説,Fission Track法によって第四紀初期と考える根拠など,諸説があるが,本論では一応鮮新世として扱う.これらのうち図幅地域内に分布しているのは,八子ガ峯火山岩類である.
八子ガ峯は蓼科山の南西にあり,大石峠(すずらん峠)から白樺湖にかけて,北70°西方向に約4kmに達する特徴ある狭長な尾根をつくっている.その北面は,稜線のすぐ北側で急崖をなしているが,南方へは滝の湯川の芹ガ沢北方(「諏訪」図幅)まで,6km以上の比較的ゆるやかな裾野をひいている.この北面の急崖は断層線崖であり,これを八子ガ峯断層という.大石峠(すずらん峠)付近で,この断層形成に派生して生じたと判断される,走向北10°西~北10°東・傾斜直立~75°西の小断層多数を観察することができる.一方,「諏訪」図幅地域北東端にある1,658.8m峯を鷹山という.鷹山も,八子ガ峯と同じように北60°西方向に,4kmに達する狭長な尾根をつくっている.その西端近くには1,667.6mの小日向山があり,この尾根の南面は顕著な急斜面をなす.一方,尾根の北側は,比較的ゆるやかな地形をつくっている.この南側の急斜面はやはり断層線崖で,これを鷹山断層という.断層の南東延長は,大門川左俣の仏岩南方をぬけて,八ガ岳側に追跡され,北西延長は,和田峠に至る国道の接待付近の石英閃緑岩中に発達する,多数の小断層として追跡される.
八子ガ峯は溶岩を主体とし,これに挟在する凝灰角礫岩・集塊岩などからなる.溶岩は灰白色中粒の角閃石安山岩で,同源捕獲岩を含み,流理構造・板状節理とも顕著である.
鏡下の特徴
斜長石・普通輝石・紫蘇輝石・角閃石(褐色)・(かんらん石,石英,鉄鉱)注4)
ガラス基流晶質~フェルト状~隠微晶質組織.斜長石・ガラス(淡褐色)・(普通輝石・紫蘇輝石・鉄鉱・鱗珪石・燐灰石・黒雲母)
鷹山は,下部は厚い凝灰角礫岩,上部は松脂岩・流紋岩と輝石安山岩などの溶岩流を主体として凝灰角礫岩をはさむ.下部の凝灰角礫岩は厚さ150mを超え,北にゆるく傾いた大まかな成層構造を示す.きわめて堅硬で,「諏訪」図幅北東端で仏岩などの岩峯をつくる.その北端は,和田村宮の上の大茂沢上流にまで達している.上部の溶岩は,いずれも顕著な崖を作って露出している.とくに溶岩として,最下位にある松脂岩のつくる崖はもっとも顕著で,比高50mをこえ,幅約250mで真北へ2.5km以上つづく.その先端は北東に曲り,「和田」図幅地域南東端の三角点1,236.4mに達している.
八子ガ峯と鷹山の北・南面に走る八子ガ峯断層と鷹山断層とは互いに対をなし,その全長は約12kmに達する.この間の凹地は,幅約3.5km,みかけの落差約200mで,南北両側からおちこんだ地溝をなす.これを追分火山性地溝と呼ぶ.この地溝は,八ガ岳における火山および火山岩類の配列を考える上で,つぎの点で非常に重要である.即ち,第1に八ガ岳における溶岩丘群の大配列と小配列の方向,および古八ガ岳期噴出物を切る小断層群の方向などが,この地溝の方向に調和的であること.第2に,上述の鷹山の松脂岩・流紋岩,白樺湖北方約2.5kmにある1,430m峯をつくる黒曜岩・流紋岩,和田峠流紋岩類などがこの地溝帯を中心に活動したと考えられ,その南東延長が,八ガ岳における同種火山岩類の活動帯に一致していること,などである.
八ガ岳北東方の荒船山(1,422.5m)(「御代田」図幅)を中心に発達する火山岩類の一括呼称であるが,これらのうち,図幅地域内に分布しているのは志賀溶結凝灰岩のみである.しかし,ここではこの図幅地域のすぐ北・北東側の「小諸・御代田」図幅地域内にみられる水落観音玄武岩についても付記しておく.
「御代田」図幅地域の佐久市内山峡を中心に,奇岩のならぶ景勝地を作っており,分布の南端部は佐久町大日向の抜井川北岸(「十石峠」図幅)にある.これらの一部が,本図幅地域北東端の佐久町東方の山地に達している.多数のflow unitsからなり,肉眼的に灰白色を呈し,弱溶結を示す.佐久石と命名されて建築用石材として,各地で採石されている.千曲川西方における分布は,佐久市大平,臼田町稲荷山(ともに「小諸」図幅地域内)などである.
鏡下の特徴
普通輝石・紫蘇輝石・角閃石(緑色)・鉄鉱
弱溶結構造.ガラス,(斜長石・普通輝石・紫蘇輝石・鉄鉱・雲母・燐灰石)
志賀溶結凝灰岩を直接おおって分布する溶岩流で,臼田町山の神北方の稜線から水落観音をへて,西は新海神社北方まで,北西方へは佐久市松井の正安寺付近に達している.板状節理が顕著で,層厚は15~40mある.周縁部は一般に顕著な崖となっている.この玄武岩の末端は「小諸」図幅地域南東端に近い,千曲川左岸の臼田町稲荷山にあって,やはり志賀溶結凝灰岩上に直接のっている.溶岩の下盤の溶結凝灰岩はレンガ色に焼かれている.
鏡下の特徴
斜長石・かんらん石・普通輝石
細粒塡間組織.斜長石・普通輝石・鉄鉱・燐灰石
荒船山火山岩類の噴出期は,鮮新世とするもの,中新世後期とするものなどの考えがある.志賀溶結凝灰岩・水落観音玄武岩とも磁化方位は逆転している.
関東山地西縁部には,中・古生層・北相木層などを貫くかなりの数の流紋岩岩脈が知られている.それらのうちの1本が,図幅地域内の小海町北方で御座山層群を貫いているのがみられる.白色・堅硬・緻密の岩石で,石英斑晶がめだつ.走向北80°東,傾斜は直立で柱状節理が顕著である.
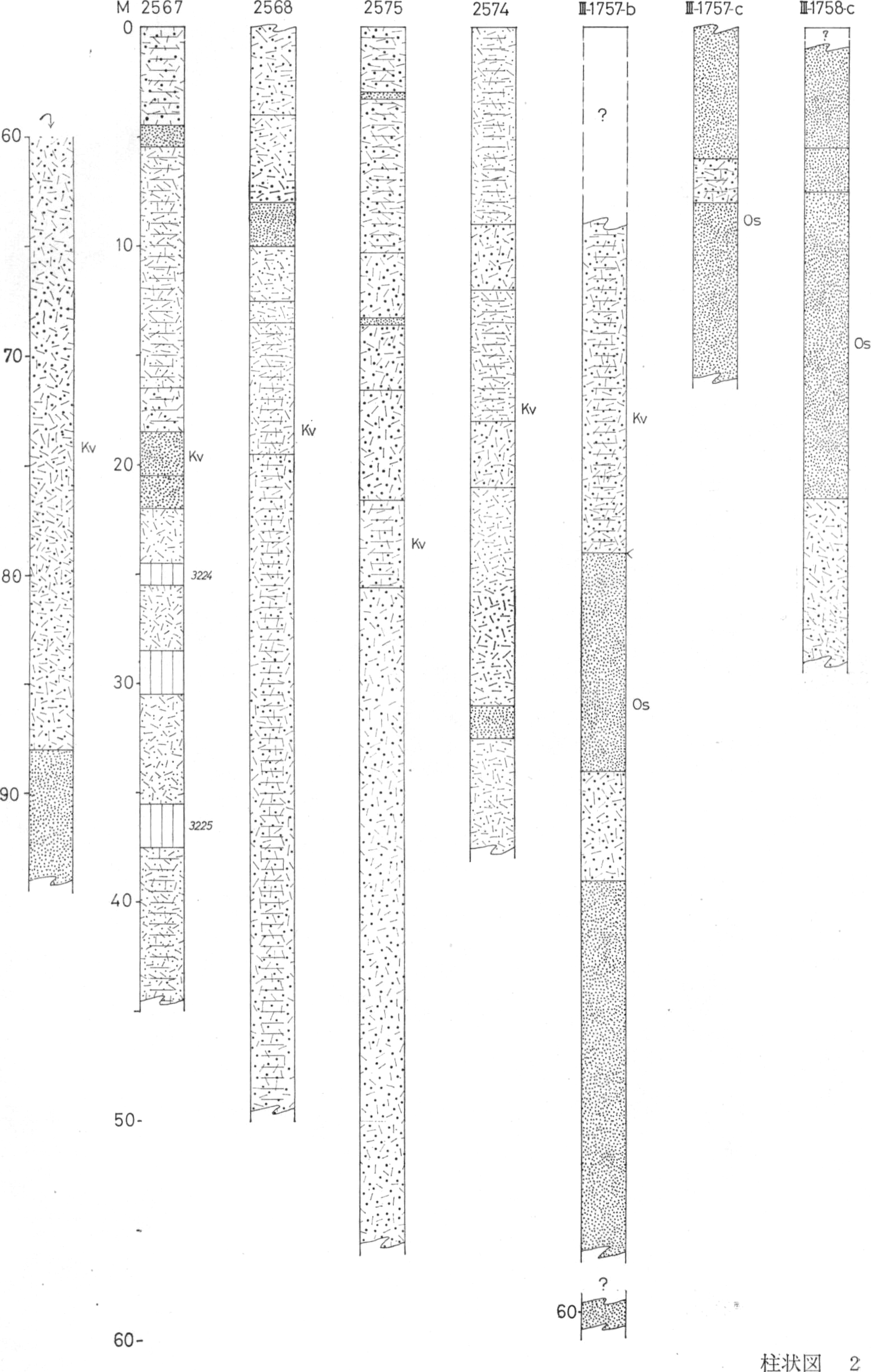
古八ガ岳期噴出物の層序を第15表に示す.以下,下位から順に説明する.

大石川と千曲川との合流点付近,および大石川沿いに八千穂村大石にかけて小分布する溶岩流.うすい黒色スコリヤ層および集塊岩を挟在して3枚(下位からOl1-3)ある.1枚の溶岩の厚さは7~15mで,いずれにも大まかな節理が発達している.見かけ上Ol1,2の上位には,のちにのべる大石川スコリヤがおおっているが,Ol3はその上位にある.しかし,全体としては大石川スコリヤの下半に挟在する,八ガ岳最初期の溶岩流であると考えられる.溶岩の磁化方位はいずれも逆転している(西山,1966).
岩石は肉眼的に緻密,灰~黒色で斜長石および輝石斑晶がめだつ.
鏡下の特徴
斜長石・かんらん石・紫蘇輝石・普通輝石・紫蘇輝石・普通輝石はしばしば集斑状
粗粒・塡間状組織.斜長石・ガラス(暗褐色)・普通輝石・紫蘇輝石・鉄鉱・燐灰石
斜長石・普通輝石・かんらん石・鉄鉱・(紫蘇輝石)
塡間状組織.斜長石・普通輝石・鉄鉱・ガラス・(紫蘇輝石・鱗珪石・アルカリ長石・燐灰石)
斜長石・かんらん石・普通輝石・紫蘇輝石・鉄鉱
安山岩質組織注5)斜長石・普通輝石・鉄鉱・かんらん石・紫蘇輝石・黒雲母
八ガ岳火山列最初期の,火山活動を代表する降下スコリヤ堆積物.図幅地域内での下限は,前述したようにOl1・2をおおっているが,これらの溶岩は,このスコリヤ堆積物のはさみと考えられる.一方,「小諸」図幅地域では,鮮新―洪積世にまたがる瓜生坂累層(飯島ほか,1956)から漸移しており,また十石峠図幅地域内では基盤岩類の斜面に直接のっている.上限は一部互層を示して春日火山岩類に漸移する.
模式地は大石川の佐久平上水道口付近から上流,八千穂村西方および鶯の口北東方など.厚さは最大40mに達し,大岳川の源流部に推定される噴出源から,20km以上はなれた「十石峠」図幅地域内北相木村白岩においてなお,30m以上ある.
スコリヤは数mmから3cm大,またときに“ローム”状を呈し,色は濃赤褐・褐・黒・黄色など.ときに,スコリヤと同大の角閃石安山岩質黄色軽石や,灰色火山礫などを混じている.スコリヤ層中からは,5mm大の輝石の美晶を多産する.これらのスコリヤ層は,ほとんどどこでも厚さ数cm~30cmの範囲で成層しており,130枚以上のfall unitsを数えうるところすらある.
層理面は,一般にはゆるく東傾斜しているが,場所によっては伏在する地形面に支配されて,かなりまちまちである.
八ガ岳北東山麓に分布するこうしたスコリヤ層のもう一つの特徴は,第6図のように,整合に重なる一群のスコリヤ層が,他の整合一群のスコリヤ層をシャープに切って「不整合」におおっていることである.しかし,個々の露頭の単位では,図のように明瞭な不整合関係を識別できるにもかかわらず,のちにのべる本沢溶岩・スコリヤ期のスコリヤをはじめ,八ガ岳火山列全体としては,古八ガ岳期から新八ガ岳期にわたって,各期に層相の酷似したスコリヤがくりかえし噴出しているため,どれがどの時期のスコリヤに相当するかを,判別することはきわめて困難である.このような不整合面は,一連の露頭ですくなくとも2枚みつかつており,模式地を含めた数ヵ所で認められる.
模式地の一つ,鶯の口北東方の露頭における3群のスコリヤの層相を第16表に示す.
また,大石川佐久平上水道付近では,下部は火山礫に富んだ赤褐・黄褐色の降下スコリヤ層で,構造はほぼ水平に近く,つぎにのべる佐口火山灰層の薄層をはさむ.中部は軽石を含む赤褐色スコリヤと“ローム”質スコリヤの互層で,青灰色火山礫を含む.全体は,下部層を切って東に傾斜している.さらに,上部はほぼ水平の黒色・褐色スコリヤの互層からなり,下限近くの構造は中部層に収斂するように重なっている.
この大石川スコリヤ層の上限は,鶯の口南方・北東方・大石川,および大石川右俣などの各地で,春日火山岩類と互層している.また小海町本村(「十石峠」図幅)東方をはじめ,相木川の谷沿いで相木川泥流におおわれている.
噴出源は,正確に決定することはできないが,分布域および層厚などから推定して,大岳川の源流部であると判断される.多数の成層したスコリヤのくりかえしは,ストロンボリ式噴火によってもたらされたことは疑いない.岩質は,スコリヤの変質が著しいため正確を期しがたいが,大石川溶岩と同質であると考えられる.


大石川スコリヤの下限に近い層準に挟在する,うすいデイサイト質の火山灰層と,これに伴う同質の溶岩の一括呼称.
模式地は佐久町佐口南方の谷,大石川中流,大石川北沢など.層厚最大7m(+).しかし,デイサイト質火山灰層そのものの厚さは最大1.5mである.分布は,模式地のほかには,「小諸」図幅地域内佐久市大沢の新田居部落(厚さ1.5m),同前山南西方(5cm以下で数層),「十石峠」図幅地域北相木村白岩(5cm)などである.
このデイサイト質火山灰層は,純白に近く,どこでも著しく粘土化がすすんでいる.佐口南方の谷では,厚さは60cmあり,大石川スコリヤに挟在して水平に近い構造を示し,谷沿いによく追跡できる.大石川北沢では,厚さ15~40cmで,白色をおびた1cm大の角閃石安山岩質の,軽石を含むロームからなる.
一方,大石川の中流では,河底に近く4ヵ所で分布が認められる.巻末の柱状図に示したように,II-(1746)-h地点では,下部は厚さ2m(+)の流理構造の発達したデイサイト溶岩からなり,この上位を径50cmに達する同質軽石層と,角閃石・斜長石の結晶礫を伴う粘土化の,すすんだ白色火山灰層がおおっている.また,巻末柱状図II-(1746)-l地点では,数mm大の白色軽石からなり,角閃石を伴う.その他の地点では,明―暗褐色のスコリヤ質ロームと互層し,ともに厚さ1cm(±)の褐色スコリヤの薄層を伴う.
この火山灰層は,上述のように分布がきわめて限定されているが,溶岩を伴うことによって,八ガ岳の火山灰層であることは明瞭である.
鏡下の特徴
〈溶岩〉斑晶:斜長石・角閃石(濃赤褐色)・普通輝石・紫蘇輝石・鉄鉱・燐灰石
石基:球顆状組織.ガラス(無~淡褐色)・(斜長石・鉄鉱・鱗珪石)
〈軽石〉斑晶:斜長石・角閃石(緑色)・普通輝石・紫蘇輝石・鉄鉱・燐灰石
石基:ガラス質組織.ガラス(無色)・晶子
八ガ岳火山列の初期噴出物で,その北端に古八ガ岳期山体の,最初の基本形をつくり上げた噴出物の一括呼称.主として火山角礫岩・凝灰角礫岩・集塊岩・スコリヤ集塊岩などからなり,山体の中心よりには,数10枚の溶岩流をはさむ.下限に近い瓜生坂累層との境界部付近(「小諸」図幅内)には,9枚の安山岩軽石層の薄層を伴う(第7図).さらに各地であまり厚くない褐色スコリヤ層・ローム層・砂および礫層などをはさんでいる.下限の一部は,すでにのべた大石川スコリヤと互層し,上限は相木川泥流・鶯の口礫層ををはじめ,新八ガ岳期噴出物で不整合におおわれている.
模式地は鹿曲川・大岳川流域,八柱山・剣ガ峯などで,最大層厚は700mに達する.
分布は,本図幅地域の約4分の1をおおってその北東部に広くみられ,また「小諸」図幅地域の南半部をも占め,全体としては著しく広い.分布の最高点は2,100m(+)に達しており,最低点は約700m(「小諸」図幅地域内)である.
全分布域を通じて,きわめて変化に乏しい層相を示し,有効な鍵層もなく,これ以上の細分は現状では不可能である.全体としてみると,火山角礫岩および凝灰角礫岩と,これらに挟在する礫・砂層は,概して噴出中心から遠ざかった地域に多く,集塊岩・スコリヤ集塊岩は,溶岩とともに山体の中心に近く分布している.
「小諸」図幅地域内の鹿曲川,細小路川沿いでは,火山角礫岩を主とし,約40mの崖をつくって露出している.角礫の粒径は15cm(±)大がふつうで,ときに1mをこえる.これらの基地はスコリヤ質~砂質であり,水平に近い大まかな成層構造が発達している.スコリヤ・砂・礫層などには,ときにクロスラミナが発達している.小海町西方の崖でも,数枚の礫層をはさむ.
山体の中心よりにみられる集塊岩・スコリヤ集塊岩は,概して固くしまっており,風化面では角礫がとび出してゴツゴツしている.牛ふん状・パン皮状の火山弾多数を伴う.全体は大まかに成層しており,図幅地域内での傾斜は,地質図に示したように10°前後から,山体の中心部では30~40°に達している.また,N60°W方向の小破砕帯に富む(第5図参照).
溶岩流は,各地の断面で多数挟在しているのが認められるが,5枚以上の溶岩流を観察できるルートは,第17表のとおりである.これらの溶岩の厚さは,30cmから10mをこえるものまであるが,一般には数mのものが多い.これらの溶岩流の岩質・岩質別薄片数.およびルート・地点などを記すと以下のとうりである.
観察した薄片101枚中53枚は,ピジョン輝石質岩系(11種の型),残りは紫蘇輝石質岩系(8種の型)である.以下,それぞれについて鏡下の特徴を示す.


斜長石・かんらん石・(鉄鉱)
安山岩質組織.斜長石・単斜輝石・鉄鉱・ガラス・鱗珪石・燐灰石
方解石
唐沢―赤谷車道,八千穂―茅野線
斜長石・かんらん石
多孔質・安山岩質組織.斜長石・単斜輝石・ガラス(褐色)・鉄鉱・かんらん石・斜方輝石
白樺平北方
斜長石・かんらん石・鉄鉱
塡間状組織.斜長石・単斜輝石・鉄鉱・ガラス・かんらん石
大岳川中流
(斜長石・かんらん石・単斜輝石)
粗粒・塡間状組織.斜長石・単斜輝石・鉄鉱・かんらん石・ガラス(暗褐色)
唐沢,唐沢―赤谷車道
斜長石・かんらん石・鉄鉱・単斜輝石(一般にかんらん石〉単斜輝石であるが逆もある)
塡間状~間粒状組織.斜長石・単斜輝石・鉄鉱・ガラス(淡褐~褐色)・鱗珪石
緑泥石・方解石
立科牧場―大河原線,八丁地川,唐沢―赤谷車道,唐沢中流,鹿曲川源流西方尾根,鹿曲川―夢の平線,畳石,大石川中・源流,八千穂―茅野線
斜長石・かんらん石・単斜輝石・鉄鉱
斜長石・かんらん石・(単斜輝石・鉄鉱)
斜長石・単斜輝石・かんらん石など
間粒状~安山岩質組織.斜長石・単斜輝石・鉄鉱・ガラス(褐色)・かんらん石・燐灰石
鹿曲川,白樺平付近
斜長石・かんらん石・(単斜輝石・鉄鉱)
塡間状~安山岩質組織.斜長石・単斜輝石・鉄鉱・斜方輝石・ガラス
唐沢―赤谷,大岳川右俣
斜長石・単斜輝石・斜方輝石・かんらん石・鉄鉱
安山岩質組織.斜長石・単斜輝石・斜方輝石・鉄鉱・ガラス(褐色)・かんらん石
白樺平東方
斜長石・かんらん石・(単斜輝石・斜方輝石・鉄鉱)
安山岩質~間粒状組織.斜長石・単斜輝石・鉄鉱・かんらん石・ガラス(褐色)
(緑泥石)
鹿曲川源流部,布施川源流部,大岳川右俣
斜長石・かんらん石・(単斜輝石・斜方輝石・鉄鉱)
塡間状~間粒状組織.斜長石・単斜輝石・鉄鉱・ガラス(褐色)・燐灰石・鱗珪石
(緑泥石)
立科牧場―大河原峠線,八丁地川源流,唐沢,大岳川中流,大石川
斜長石・かんらん石・単斜輝石・斜方輝石・鉄鉱
ガラス基流晶質~間粒状~安山岩質組織.斜長石・単斜輝石・斜方輝石・鉄鉱・ガラス・鱗珪石
方解石・緑泥石
トキン岩・鹿曲川,細小路川,大岳川中流,白樺平付近
フェルト状組織.斜長石・普通輝石・鉄鉱・ガラス・紫蘇輝石・燐灰石
白樺平東方
斜長石・かんらん石・(紫蘇輝石)
塡間状組織.斜長石・普通輝石・紫蘇輝石・ガラス・鉄鉱・アルカリ長石
大岳川発電所
斜長石・かんらん石
安山岩質組織.斜長石・普通輝石・鉄鉱・紫蘇輝石・ガラス
唐沢
斜長石・かんらん石・普通輝石
塡間状組織.斜長石・普通輝石・鉄鉱・紫蘇輝石・ガラス(褐色)・鱗珪石・燐灰石
緑泥石・方解石
唐沢,大岳川左俣
斜長石・かんらん石・普通輝石・鉄鉱
安山岩質組織.斜長石・普通輝石・紫蘇輝石・鉄鉱・かんらん石・鱗珪石
唐沢―赤谷
斜長石・普通輝石・紫蘇輝石・かんらん石・鉄鉱
塡間状~安山岩質組織.斜長石・普通輝石・紫蘇輝石・鉄鉱・かんらん石・ガラス(淡褐色)・燐灰石・鱗珪石
八丁地川,大岳川右俣,八柱沢源流
斜長石・普通輝石・かんらん石・(紫蘇輝石・鉄鉱)
塡間状組織.斜長石・普通輝石・紫蘇輝石・ガラス(褐色)・かんらん石・鉄鉱
緑泥石
大岳川左俣沢,大石川中流
Vd型:これらは斑晶鉄苦土鉱物の量比の違いによって次の4種に区分される
斜長石・かんらん石・普通輝石・(紫蘇輝石)
安山岩質~塡間状組織.斜長石・普通輝石・鉄鉱・紫蘇輝石・ガラス・鱗珪石・燐灰石
(緑泥石)
唐沢,トキン岩鹿曲川,鹿曲川,八郡北方道沿い,大石川北沢,大石川下流
斜長石・普通輝石・かんらん石・紫蘇輝石・鉄鉱
ガラス基流晶質~安山岩質~塡間状組織.斜長石・普通輝石・紫蘇輝石・ガラス・鉄鉱・燐灰石
緑泥石・方解石
トキン岩―鹿曲川,大岳川左俣(1991-a),大石川源流
斜長石・普通輝石・紫蘇輝石・かんらん石・鉄鉱
安山岩質~ガラス基流晶質組織.斜長石・普通輝石・紫蘇輝石・鉄鉱・ガラス・鱗珪石・クリストバル石
緑泥石・方解石
立科牧場―大河原峠,八丁地川,畳石(「小諸」図幅地域内),鹿曲川源流,大岳川左俣(1991-a),大石川源流
斜長石・普通輝石・紫蘇輝石・鉄鉱
細粒安山岩質~フェルト状~ピロタキシチック組織.斜長石・紫蘇輝石・普通輝石・鉄鉱・ガラス(淡褐色)・燐灰石・鱗珪石・黒雲母・アルカリ長石
(緑泥石・方解石)
八丁地川,唐沢,トキン岩―鹿曲川,鹿曲川,鹿曲川車道,大岳川右俣,大岳川左俣,千代里牧場,八千穂―茅野線
大岳川の鶯の口南方の尾根に分布する溶岩流で,大岳川発電所の取水口付近から八柱山方向にかけて分布する,3枚の溶岩流とこの間に挟在するスコリヤ集塊岩からなる.溶岩は緻密・灰色・細粒で,いずれも3~10mの崖をつくって露出している.分布から推して,全体は春日火山岩類にはさまれるべきものであるが,稜線に沿う顕著な溶岩流であるので独立させた.
鏡下の特徴
斜長石・かんらん石・単斜輝石・鉄鉱
塡間状組織.斜長石・単斜輝石・鉄鉱・ガラス
なお,化学分析値については第IX章参照
図幅地域中央東端に近い小海町の東方,「十石峠」図幅地域の相木川に沿って分布する,無層理・無淘汰の厚い泥流堆積物.大石川スコリヤを不整合でおおい.日影層・鎰掛層などにおおわれている堆積物.
模式地は小海町の相木川沿いにあり,最大層厚は100m.分布は相木川の谷に沿って広く認められるが,千曲川の西岸では,より新期の堆積物におおわれていて小分布するにすぎない.その北限は本間上部落西方の崖で,南限は鎰掛部落北方のトンネル付近である.一方,相木川の谷に沿っては,40~80mの垂直に近い崖をつくって好露頭がつづく.その東限は南相木村では祝平,北相木村では久保付近にあり,さらに小海町川平・市の沢部落(以上いずれも「十石峠」図幅地域内)に達している.以上の分布地点の標高は,千曲川沿いでは約900mであるが,「十石峠」図幅内では最高1,100mに達している.
層相と構造:一般に無層理・無淘汰の堆積物であるが,ときにはごく大まかに成層していることもある.基地はどこでも非常に固く,垂直に近い崖をつくる.相木川の谷に沿い,侵蝕あるいは岩片の崩落によって,大小の洞穴が多数発達している.岩片の粒径は一般に20~30cm大,ときに数m大に達するものまで含み,その岩石種は極めて多孔質―緻密のかんらん石玄武岩,および各種の苦鉄質安山岩(パン皮火山弾を含む)を主とし,かなりの量の砂岩・粘板岩・チャートなどの基盤岩類を伴う.基盤岩類の岩片の中には,円磨されているものもある.
注目すべきことは,これらの中に,火山灰層,大石川スコリヤ層などの数m大のブロックや,ときには10×15m大の成層したスコリヤ集塊岩の(直立)ブロックなどが含まれていることである.以上の堆積物の基地は,スコリヤ質・黒~灰色の火山灰質などであるが,ときには赤紫色を呈しており,岩片の岩石種も同一で,火砕流状あるいは火山体の中心部に近いブロックが,そのままはこばれてきたと考えられる部分がある.
これらの特徴から予測される,流れ山地形の存在は明らかではないが,以上にのべた層相上の特徴は,韮崎型火砕流(甲府盆地第四紀研究グループ,1969)ときわめてよく似ている.
小海町本村南東方(「十石峠」図幅)で,大石川スコリヤを不整合におおい,また,南相木川に沿って各所で礫層(田屋礫層)を直接おおっている.また,小海町南佐久実業高校南方のトンネル上では,鎰掛層によっておおわれている.さらに,小海町塩平から小海原に至る道沿いをはじめ,「十石峠」図幅地域内の各所で,日影層の泥炭・砂礫層などによっておおわれている.
近年,北相木村栃原遺跡において,この泥流堆積物のつくる岩陰から縄文早期の人骨(栃原岩陰遺跡研究グループ,1970)多数が出土した.
相木川の谷に流れ込んだ相木川泥流によってせきとめられた湖に堆積した堆積物の一括呼称で,厚さ15m(+)の泥炭層をはじめ,砂礫・スコリヤ層などからなる地層.相木川泥流,あるいは基盤岩を直接おおい,本沢溶岩・スコリヤおよび鎰掛層におおわれている.
模式地は,図幅地域内では小海町本村から小海原に至る山道.「十石峠」図幅地域内では南相木村日向南西・同日影・祝平南方・小海町宿渡から市の沢に至る谷など.最大層厚40m.
分布をみると,相木川がかつて深い谷を形成していた「十石峠」図幅地域内には,各地でかなり広く,かつ厚く堆積しているが,図幅地域内では,模式地を中心にわずかにみられるにすぎない.「十石峠」図幅地域内では,相木川の谷から基盤岩のつくる山稜を望むと,谷と基盤岩山地との間に,丘陵性の山地があり,この山地をきざむ小谷沿いに分布している.
塩平~小海原間の山道沿いでは,全体の層厚は30m(+)で,厚さ40cm~3mで成層した黒・褐色砂の互層と,褐色泥層,こまかく成層した泥炭層,および砂層などからなり,基盤岩礫からなる礫層を伴う.泥炭層からは植物化石の破片を多産する.
南相木村日影では,厚さ15mをこえる泥炭層と,褐色泥層および黒色砂層などの互層,礫層などからなり,全体の厚さは40m近い.泥炭層中からは,やはり植物化石を多産する.
祝平南方では,クロスラミナの発達した黒色砂(1.5m),泥・礫層を伴う砂層(14m),砂層を伴う泥炭層(5m)などと,厚い礫層(15m)からなる.砂層からは木の葉の化石を産する.この地層の上限は鎰掛層あるいは本沢溶岩・スコリヤによっておおわれている.
相木川泥流を直接おおい,稲子岳火砕流によっておおわれる,主としてスコリヤ質の礫層からなり,スコリヤ集塊岩・火山角礫岩・スコリヤを伴う地層.
模式地は小海町鎰掛西方の崖.層厚120m(+).分布は,模式地で30m(+)の崖をつくってみられるほか,千曲川の対岸,小海原の東および南方などにかなり広域を占める.
厚いこの地層を全体としてみると,下半はうすい降下スコリヤをはさむスコリヤ質の礫層であるが,上半は火山角礫岩・スコリヤ集塊岩などを多数はさんでおり,将来は上下に2分して考える方がよいものと思われる.
下半の礫層の礫は,一般に1~20cm大,まれに2m大に達し,概して丸味を帯びている.基地は固くしまったスコリヤ・砂などからなる.礫の岩石種は,多孔質~緻密・黒色・細粒の安山岩,赤褐色を呈する輝石安山岩,ガラス質・細粒の安山岩など多種にわたる.これらに,ところによって2~3cm大の赤褐色スコリヤのレンズあるいは1cm大の黄色軽石,さらに,細かいラミナの発達した砂層などを挟在している.以上の全体は大まかに成層しており,全体を通じてN80°E・直立の節理が発達しているのがみられる.
一方,上半にはスコリヤ集塊岩などの本質噴出物や,火山角礫岩が卓越しており,礫層を伴う.前2者は1~5mの厚さで互層しており,うすい赤褐色スコリヤ層・黄色軽石層を挟在している.スコリヤ集塊岩は固くしまった岩相を示し,中に多数のパン皮状,あるいは牛糞状火山弾を伴う.火山弾の一部には紡錘状をしたかんらん石玄武岩がある.これらの本質噴出物では,むろん基地も同質のスコリヤや岩片からなっている.
八千穂村・本間下南西方の崖に露出する緻密・灰色・中~細粒の溶岩で,鎰掛層に属するスコリヤ集塊岩および火山角礫岩中に挟在している.厚さは15m(+)あり,大まかな板状・柱状節理が発達している.
鏡下の特徴
斜長石・かんらん石・普通輝石・(紫蘇輝石および鉄鉱)
塡間状組織.斜長石・普通輝石・鉄鉱・(紫蘇輝石・ガラス(褐色)・燐灰石)
春日火山岩類の比較的上部に挟在して,本間川の川口から五箇付近の河床にかけて分布する溶岩流.本間川沿いにすくなくとも3枚あり,間に火山角礫岩,砂質・褐色のスコリヤ層などをはさむ.最上部の溶岩はもっとも連続性があり,厚さは約12mで,大まかな節理が発達している。
肉眼的に多孔質―緻密・黒―灰色・細粒で,こまかい流理構造が発達している.溶岩直下の火山灰層はレンガ色に焼かれている場合がある.溶岩にはいずれにも1cm大に達する角閃石の捕獲結晶とかんらん石はんれい岩の捕獲岩が多数含まれている.
この溶岩の下位には,春日火山岩類をへだてて大石川スコリヤがあり,上位には厚さ10m(+)の巨礫層をへだてて40m(+)の,下位と同質の火山角礫岩類がある.以上のことからこの溶岩は,春日火山岩類にはさまれる溶岩であると判断される.
鏡下の特徴
斜長石・普通輝石・かんらん石・(紫蘇輝石・鉄鉱・角閃石捕獲結晶)
安山岩質組織.斜長石・普通輝石・かんらん石・鉄鉱・ガラス(紫蘇輝石)
角閃石捕獲結晶は,肉眼的には六角柱状の美晶をなすが,鏡下では完全にオパサイト化している.母岩との接触部には,発泡による空洞が形成されている.
五箇西方の千代里牧場を中心に分布する溶岩.本間川溶岩が春日火山角礫岩中に挟在しているのに対して,この溶岩は本間川右俣をはさんだ南・北に,ゆるやかな尾根をつくっている.溶岩は厚さ5~8mで,すくなくとも3枚以上あり,明瞭な崖をつくって,北東方向にかなり追跡できる.本間川右俣左岸の溶岩は,大石川の南岸にまで達しており,右岸の溶岩は五箇の南方に達している.肉眼的には緻密―多孔質,黒色,細―中粒,塊状で,細かい流理構造をもつ.また,本間川溶岩と同様に,しばしば1cm大に達する角閃石捕獲結晶を含む.さらに同源捕獲岩をも伴い,全体的特徴は本間川溶岩によくにている.
鏡下の特徴
斜長石・かんらん石・普通輝石・紫蘇輝石・角閃石捕獲結晶
安山岩質組織.斜長石・普通輝石・紫蘇輝石・鉄鉱・ガラス(褐色)・鱗珪石
図幅地域中央南半,天狗岳西方の斗樽の沢および湯川・大月川の源流部などにみられる輝石安山岩質の溶岩と,これらにともなう集塊岩・スコリヤ集塊岩・火山角礫岩などの一括呼称.安山岩は灰―黒色で,斑晶に富み,粗粒ときに集斑状を呈するなど,北八ガ岳火山群の諸噴出物にはむしろまれで,南八ガ岳火山群に一般的な特徴をもち,図幅地域内での識別は比較的容易である.
斗樽の沢では,厚さ1~20cmの大まかに節理した溶岩が,斗樽の滝・夕霧の滝などの滝をつくって計12・3枚あり,これらと火砕岩が互層している.全体は走向北40°東・傾斜北東へ20°の構造をもつ,また北60°西方向を主とする小破砕帯に富む.
一方,湯川では,20枚近い溶岩が火砕岩(第8図)と互層している.溶岩の厚さは1~10mにわたる.ここでの全体の走向は南北~北40°東で,傾斜は下位ほど大きく東へ25~40°である.これらと同質の溶岩は,ミドリ池の東方にも分布している.さらに,稲子牧場溶岩におおわれて,大月川横沢の右岸にもみとめられる.厚さは最大200mをこえる.
図幅地域内での溶岩の下限は不明であるが,上限は湯川の源流部において,きわめてシャープに本沢溶岩・スコリヤによっておおわれている.
岩石は肉眼的に緻密・灰色・粗粒で,とくに輝石斑晶がめだつ.
鏡下の特徴
斜長石・普通輝石・紫蘇輝石・鉄鉱.(かんらん石・石英)
ガラス基流晶質―安山岩質組織.しばしば完晶質粒状組織.斜長石・普通輝石・紫蘇輝石・鉄鉱・ガラス・鱗珪石・燐灰石・黒雲母・アルカリ長石.

図幅地域南東端・海の口付近を中心に分布する火砕岩で,凝灰角礫岩・火山角礫岩を主とし,降下スコリヤをはさむ堆積物.厚さ最大60m.
凝灰角礫岩は,平均30cm大の輝石安山岩・角閃石安山岩の角礫や,10m近い褐・黒色スコリヤの成層岩塊などを伴い,無淘汰・無層理である.基地は淡褐色の火山灰で,ときに黄色角閃石安山岩質軽石を含み,輝石の美晶を多産する.しばしば炭化していない木片を含む.低温の火砕流,あるいは泥流堆積物であるとも考えられる.また,厚さ数mまでの降下スコリヤ層を,挟在していることがすくなくない.
火山角礫岩は,1~50cm大の角礫にきわめて富み,さらに牛糞状・パン皮状火山弾や,黄色の小軽石片を含む.凝灰角礫岩と同じく,無層理・無淘汰で,基地は黒・黄褐色・ときに赤色のスコリヤからなり,また黄色軽石を伴う.全体的にかなりルーズであることが多い.
以上の凝灰角礫岩と火山角礫岩は,しばしば互いに伴いあって産出しており,これらの一方が転動堆積物であって,他方はその岩塊として,とりこまれたものであるのかもしれない.
これらの堆積物中の岩片の中には,明らかに斗樽の沢溶岩期に属すると判断される輝石安山岩質の本質岩片が多数含まれており,この堆積物が,斗樽の沢溶岩の噴出期と,ほぼ同じ頃もたらされたものであることを示している.
また,とくに凝灰角礫岩は,この図幅地域の南東方にかけて各地に分布しており,野辺山原層下部(河内ほか,1969)を構成している.
高石川の川口付近,および海の口から海の口牧場に至る山道の,高見沢橋付近に分布する泥炭・礫・砂層・泥流堆積物などからなる地層の一括呼称.海の口火砕岩の凝灰角礫岩の直上にのり,本沢溶岩・スコリヤに属するスコリヤ集塊岩によっておおわれている.最大層厚50m.
高見沢橋付近の泥炭層(第9図)は,上下に2枚あり,下位は厚さ7m(+),上位は50cmである.どちらにも細かいラミナが発達しており,材の破片を多産し,上半はやや砂質である.高石川の上流に向け,この泥炭層は砂礫層をはさんで,うすく数枚にわかれている.砂層は厚さ30~150cm,黒色・塊状である.礫・砂層ともに非常に軟弱である.
泥流堆積物は,この層の上限近くにあり,うすい砂層をはさんで厚さ1~2mで2層みられる.特徴ある灰青色・砂質の基地に,1~2cm大の角礫を多数伴い,強い硫気臭を示す.また,基地中には白色の小軽石片および黒雲母結晶を多数伴う.この泥流堆積物は,杣添川・湯川北岸などに比較的よく追跡される.湯川の北岸では芦平火砕岩の下部を構成しており,両者が指交関係にあることを示している.また,層位から推して,野辺山原層下部(河内ほか,1969)の泥炭層に相当すると考えられる.

第18表に図幅内にみられる岩脈を示す.鹿曲川源流部で4本,夢の平線トキン岩付近で20本,大岳川で12本,大石川で2本,計38本がみとめられる.これらはいずれも,春日火山岩類中にのみ見出されており,走向は北20~60°西,および北80°西~東西を示すものが多く,傾斜は大部分直立,幅は03~5mである.いずれにも柱状節理が発達している.夢の平線のサンプルNo.983はY字型に分岐している.岩石は安山岩を主とし,玄武岩を含む.そして大部分のもので緑泥石・方解石などの変質鉱物が生じている.このような岩質上の特徴から,いずれも古八ガ岳期に貫入したものと考えられるが,大岳川本沢のサンプルNo.451は,石英・角閃石を含む安山岩からなり,新八ガ岳期のものと考えられる.

蓼科山の北西・本図幅地域の西端に近い樽ガ沢の沢すじに沿って小分布する溶岩流.南平火砕流におおわれていて詳細不明.
大まかな節理の発達した,流理構造の顕著な溶岩流で,厚さは10mをこえる.岩石は肉眼的に緻密・灰色・中粒である.
鏡下の特徴
斜長石・普通輝石・紫蘇輝石・(かんらん石・鉄鉱)
安山岩質組織.斜長石・普通輝石・紫蘇輝石・鉄鉱・ガラス・アルカリ長石・石英・黒雲母・燐灰石
大岳川の源流部に屏風岩をつくり,さらに細小路川の右岸を北へ流れて「小諸」図幅地域の南端まで8kmにわたって延長する溶岩.
屏風岩は100mを越える絶壁をなし,やや不規則な板状・柱状節理が発達する.卓越する板状節理の走向は北40°東・傾斜は北西へ70°である.
細小路川沿いでは40~60mの西向きの崖をつくって好露出している.全体にわたってこまかい板状節理と,大まかな柱状節理の発達が良好である.ここでは,集塊岩をはさんで3枚の溶岩からなる.それらの厚さは,下位30m(+),中位20m(+),上位10mである.
屏風岩をつくる溶岩は,肉眼的に灰色・緻密で,斜長石の斑晶が目だつ.
鏡下の特徴
斜長石・普通輝石・紫蘇輝石・鉄鉱
集斑状,安山岩質組織.斜長石・普通輝石・鉄鉱・紫蘇輝石・ガラス・鱗珪石
一方,細小路川沿いにみられる安山岩溶岩は,肉眼的に灰色・緻密・中粒で,鏡下の特徴は下位から上位に向ってつぎのとおりである.
斜長石・紫蘇輝石・普通輝石・鉄鉱・燐灰石
隠微晶質組織.(斜長石・石英・鉄鉱・単斜輝石・燐灰石・黒雲母)
斜長石・普通輝石・紫蘇輝石・鉄鉱
集斑状・安山岩質組織.斜長石・普通輝石・紫蘇輝石・鉄鉱・鱗珪石
斜長石・普通輝石・紫蘇輝石・かんらん石・鉄鉱
安山岩質組織.斜長石・普通輝石・紫蘇輝石・鉄鉱・ガラス.同源捕獲岩を伴い,斑晶の一部は緑泥石・方解石化している。
小海町芦平付近から,湯川の南岸および稲子部落の西方に分布する.主としてスコリヤ集塊岩・火山角礫岩・スコリヤなどからなり,泥流堆積物を伴う地層.厚さ最大50m.海の口火砕岩を直接おおい,湯川層によっておおわれる.
スコリヤ集塊岩は1~50cm大・平均5~15cm大の安山岩角礫・パン皮火山弾などと,褐色スコリヤの基地からなり,全体としてよくしまっていて固い.中に硫気変質によって漂白された小岩片を伴う.
火山角礫岩は粒径1~30cm大,5cm大の安山岩角礫に富み,やはり固くしまっており,ときに2m大に達するパン皮火山弾を伴う.基地はスコリヤ質・ときに類質火山灰質である.
以上に挟在するスコリヤは,厚さ10~20cmで,黄・褐色などを呈する.さらに,ときに厚さ30cmの柱状節理の発達したかたいローム層をも伴う.
泥流堆積物は青灰色・砂質で,岩片は一般に10cm以下であり,強い硫気臭を示す.この火砕岩も全体として野辺山原層下部の一部に対比される.
湯川北岸から稲子部落にかけて,ほぼ水平に連続するスコリヤ質の砂礫層で,間にうすい火山角礫岩・スコリヤ集塊岩・スコリヤ・スコリヤ質砂層などをはさむ.芦平火砕岩をおおい,本沢溶岩・スコリヤにおおわれている.最大層厚50m.
礫層は厚さ10m(-)のものが何枚もあり,いずれも固くよくしまっている.礫の粒径は5~30cm大・まれに2~5m大の亜円礫からなる.基地はどこでも黒・褐色・スコリヤ質,類質火山灰質で大まかな成層構造を示し,こまかいラミナの発達した褐色砂層を多数はさんでいる.これらは,しばしば側方に向けてはげしく膨縮している.また以上に,ときに20cm大の黄色安山岩軽石を伴う.
火山角礫岩は,全体のほぼ中ほどの層準にあり,厚さは5mで大まかな成層構造を示す.角礫は粒径15cm(-)大の苦鉄質安山岩を主としており,基地は類質火山灰質・スコリヤ質である.
スコリヤ集塊岩は牛糞状火山弾を含み,3~15cm大の角礫に富む.基地は黄・褐色・スコリヤ質である.
本沢温泉付近,白䉜沢の源流部および稲子部落から湯川・高石川・杣添川の流域にかけて広く分布する地層で,降下スコリヤ・スコリヤ集塊岩・火山角礫岩などと溶岩を主とし,スコリヤ流・泥流堆積物・砂礫層などを伴う.また,これらにローム層・黒曜岩・黒雲母と角閃石を含む流紋岩質軽石・角閃石安山岩質軽石層などの薄層を数層はさむ.湯川の上流部で斗樽の沢溶岩を直接おおい,灯明平火砕岩によっておおわれている.最大層厚100m(+).
降下スコリヤ(第10図)は赤褐~褐,ときに黄・黒色を呈し,その粒径は一般に1cm(±),まれに5~10cm大で,灰色の岩片や白・黄色軽石,輝石単結晶などを伴う.岩片はほとんど含まれていない場合から,かなり多い場合までいろいろである.1 fall unitの厚さは数cmから50cmにわたり,単一の露頭で数100枚のfall unitsを数えうるところがある.また,これらの降下スコリヤに挟在して,厚さ30~50cmの濃褐色火山灰層多数がみとめられる.これらの火山灰層はいずれもスコリヤ質で,一般に非常にかたく,垂直のクラックが発達している.
スコリヤ集塊岩の厚さは一般に1~5mであるが,10mをこえる例もすくなくなく,とくに山体の中心よりでは溶岩と互層して,全体で50mを超えている場合がある.岩片は1~20cm大で,苦鉄質安山岩の牛糞状・パン皮状火山弾多数を伴う.基地は3cm(±)大の褐色スコリヤで,一般に固くよくしまっている場合が多い.
火山角礫岩は,厚さ10mをこえる場合がすくなくない.角礫の粒径は1~50cm,まれに1mに達する.基地は黒―帯紫色の類質火山灰質・スコリヤ質で固くしまっている.これらの基地中には,硫気変質によって漂白された小岩片を伴っていることが多い.さらに,しばしば輝石の美晶を多産する.
スコリヤ流堆積物は,厚さ2~6mで,径10~50cm大の黒色のスコリヤと,同質の基地からなる.このスコリヤ流の一部には,単一堆積層内で,上半分が赤紫色を呈しているものがあり,堆積時に,かなりの熱を保持していたと推定され例がるある.しかし溶結現象は全く認められない.
泥流堆積物は,厚さ1~5mで,数層準に確認されている.うち1枚は,この本沢溶岩・スコリヤ層の下限に近い部分に認められる.硫気変質をうけた岩片が多く,その粒径は1~20cm大,基地はよくしまった類質岩片およびスコリヤなどからなり,むろん無層理・無淘汰である.ときに強い硫気臭を示す.
砂礫層は本層の分布の東よりに,以上の各層にはさまれて数層認められる.
角閃石安山岩軽石は粒径5cm(一)大で,10枚以上のfall unitsを数えうるところがあり,これらの中にうすい白色の石英黒雲母角閃岩流紋岩軽石や,黒曜岩を含む軽石層などを含んでいる.
本層の,以上にのべたスコリヤ・流紋岩軽石層などは層位・層相などの点から,すでにのべた河内ほか(1969)の野辺山原層下部に相当するものである.
溶岩の分布は,本沢温泉の東約2kmまでと,白䉜沢などに限られている.厚さは50cm~3mで,上述の火砕岩類と互層して,全体では8枚をこえる.本沢温泉付近ではゆるく東へ傾斜しており,白䉜沢では走向北60°西・傾斜南西へ30°である.
溶岩は大まかな節理をもち,肉眼的に黒色・緻密で,鏡下の特徴は以下のとおりである.
鏡下の特徴
斜長石・かんらん石・普通輝石・鉄鉱・(紫蘇輝石)
安山岩質~ガラス基流晶質組織.斜長石・普通輝石・鉄鉱・ガラス・燐灰石・アルカリ長石・鱗珪石・(紫蘇輝石)
緑泥石・方解石

芦平溶岩の下位,本沢溶岩・スコリヤの上位にある溶結凝灰岩・スコリヤ集塊岩・降下スコリヤ・スコリヤ流・軽石などからなる堆積物の一括呼称.分布は湯川北岸・灯明平北方の尾根・松原湖北岸などで,厚さは最大20m(+).
溶結凝灰岩垂直の崖をつくって露出している場合が多く,淡紫色・角閃石安山岩質で,5~20cm大の角礫を伴う.厚さは約8mで多数のflow unitsからなり,弱溶結している.
スコリヤ集塊岩は一般に類質火山灰質で,厚さ2~3mのもの数枚からなり,間にうすい褐色の降下スコリヤ層を挟在している.スコリヤ流は厚さ2mで,径30cm大・黒色スコリヤからなる.また軽石は径1cm大・黄色安山岩質で厚さはうすい.
図幅地域の南東端に,高石川と牛首川にはさまれて狭長な尾根をつくって分布する溶岩,下半は厚さ6m,50cm大の角礫からなるスコリヤ質の崖錐性堆積物からなり,溶岩はその上位に厚さ8m(+)で大まかな節理を示してのっている.肉眼的に緻密・黒色で斜長石斑晶がめだつ.
鏡下の特徴
斜長石・普通輝石・紫蘇輝石・鉄鉱・かんらん石
安山岩質組織.斜長石・普通輝石・紫蘇輝石・鉄鉱・ガラス・鱗珪石・燐灰石
新八ガ岳期噴出物の層序を,第19表に示す.すでにのべたように,新八ガ岳期は流紋岩・黒曜岩・角閃石安山岩・輝石安山岩などの,上下に重なるものを含めて,約20コ近い溶岩丘群が形成された時期であり,また,火山の2重配列が完成された時期である.火山の活動様式としては溶岩流・降下火山灰はもとより,さまざまな種類の火砕流や,泥流が活動した時代である.こうして,新八ガ岳期全体としては,古八ガ岳期よりは,ずっと複雑な火山発達史をたどっている.
第19表においては,約20コの溶岩丘群の形成順序については,互いに近接している溶岩丘同志の場合は直接の上下関係によって相対的な新旧が決定されており,互いにへだたった溶岩丘では特徴的な噴出物を鍵層としたり,空中写真によるグループの保存の状況や植生上の特徴などが配慮されている.

図幅地域の北西端にあり,蓼科牧場の西方から宇山堰および八重原堰に沿って,真北にのびる溶岩.塩嶺累層の凝灰角礫岩を直接おおい,雨境火砕流,および竜ガ峯溶岩によっておおわれている.非常に連続性のある溶岩流で,南限は鷹山断層の推定延長部付近から,北限は和田村大茂沢の源流部(「小諸」図幅地域)まで,南北10kmにわたってよくつづく.この間,溶岩流の西端は,比高20~40mの一連の垂直な崖を形成している.東方へのひろがりは,上位層におおわれていてよくわからないが,溶岩流の上面は非常に平担な台地をなす.
溶岩は肉眼的に灰色・緻密で,同源捕獲岩に富み,厚さ5~30cmの著しい板状節理が発達している.
鏡下の特徴
斜長石・普通輝石・紫蘇輝石・鉄鉱・石英・燐灰石
隠微晶質~ピロタキシチック~ガラス基流晶質組織.斜長石・普通輝石・紫蘇輝石・ガラス(淡褐色)・鉄鉱・アルカリ長石・黒雲母・鱗珪石・石英・黒雲母・燐灰石
大岳川左俣,八柱沢の源流部,および八丁地川の源流部などに,春日火山岩類をおおって分布する溶岩と火砕岩の一括呼称.
溶岩は肉眼的に緻密・灰―黒色・細―中粒で同源捕獲岩を含み,板状節理と顕著な流理構造が発達している.1枚の厚さは2・3mから7mに達し,すくなくとも5・6枚を数えうる.これらに挟在する火砕岩としては,スコリヤ・集塊岩・火山角礫岩などがあり,全体の厚さは100m近い.スコリヤ層は,厚さ2・3mで1cm(±)大の暗褐~褐色スコリヤからなる.
大岳川源流部に分布するものは,下位の春日火山岩類とは,明瞭な不整合をなしており,高所をさけて谷に流れ込んだような分布を示す.一方,八柱沢源流部では,標高1,300m付近まで,東北東に細長くのびた分布を示している.上にのべた下位層との関係および分布様式から推して,この溶岩は,新八ガ岳期の最初期に噴出された溶岩の一つと考えられるが,好露頭に乏しいこと,実際の分布がかなり分断されていること,などによって正確な実態についてはまだよくわかっていない.
鏡下の特徴
斜長石・普通輝石・紫蘇輝石・角閃石(緑~褐~赤褐色)・かんらん石・鉄鉱・燐灰石
隠微晶質~ガラス基流晶質組織.斜長石・ガラス(褐色)・普通輝石・紫蘇輝石・鉄鉱・鱗珪石・黒雲母・燐灰石・石英
図幅地域北西端にある鳴石の西および東下の谷,八丁地川沿い,唐沢などに分布する角閃石安山岩質の火砕流堆積物.竜ガ峯および協和牧場溶岩などにおおわれており,宇山堰溶岩あるいは春日火山岩類をおおっている.この図幅地域内の分布はせまいが,「小諸」図幅地域内では,雨境から宇山・塩沢堰などに沿って,北にのび北佐久郡立科町の南方に達している.また望月町金山,浅田切東方立科町,寺久保南方の細小路川沿い,佐久市新田居部落から大木に至る道路わき,「諏訪」図幅地域北東端の仏岩東下などにも小分布している.厚さ最大20m.
層相は,5mm大の角閃石斑晶にとみ,流理構造の顕著な安山岩塊と,灰白~淡桃色を呈するその細粉からなり,岩塊の大きさは数cmから5m大に達する.また,黒色ガラス質のパン皮火山弾や,数cm大の黒曜岩片などを伴う.堆積物は全体として無層理・無淘汰で,かつ,かなりルーズである.上述の寺久保南方では,下位12m(+)が本層で,上位12mは礫層からなり,これらの間に,厚さ1.3mの細かいラミナの発達した,淡褐色粘土層からなる湖沼堆積物を挟在している.
層相全体の特徴は,南平火砕流ときわめてよくにており,層位上の関係をぬきにしては野外での区別は困難である.
鏡下の特徴
斜長石・角閃石(褐色)・普通輝石・紫蘇輝石・鉄鉱・(かんらん石)
ガラス基流晶質組織.斜長石・ガラス(淡褐色)・(普通輝石・紫蘇輝石・鉄鉱・鱗珪石・燐灰石)
この図幅地域の北西端に近い,鹿曲川―唐沢,唐沢―八丁地川などにはさまれた尾根,および八丁地川西方に分布する溶岩.分布の南限は赤谷北方の標高1,700m付近にあるが,北限は「小諸」図幅地域の,望月町春日湯沢の西方尾根(標高1,000m)に達している.春日火山岩類上に広い台地を形成しており,台地のへりに連続性のある崖をつくって露出している.
溶岩は緻密・灰―黒色・細―中粒で,同源捕獲岩を含み,間に火砕岩をはさんで数枚ある.1枚の厚さは5~20mで,板状節理が発達している.
鏡下の特徴
斜長石・紫蘇輝石・普通輝石・鉄鉱・(かんらん石)
安山岩質組織.斜長石・普通輝石・紫蘇輝石・鉄鉱・ガラス(淡褐色)・燐灰石・鱗珪石
細小路川と八丁地川の源流部に分布する溶岩と,これに挟在する火砕岩の一括呼称.
細小路川の源流では,屏風岩溶岩と,雨境火砕流および竜ガ峯溶岩などにはさまれて,厚さ15mに達する溶岩がすくなくとも2枚,顕著な崖をつくって露出しており,また,八丁地川では赤谷の北方に同質の溶岩が分布し,尾根をさけ,谷に向って急斜している.全体をつうじて溶岩には,厚さ5~15cmの板状節理が顕著に発達している.
屏風岩溶岩,あるいは春日火山岩類を直接おおい,雨境火砕流,あるいは竜ガ峯溶岩などによっておおわれている.
溶岩は肉眼的に灰色・緻密・中粒で,ときに流理構造が発達しており,また,同源捕獲岩を含んでいる.
鏡下の特徴
斜長石・角閃石(緑色)・普通輝石・紫蘇輝石・(黒雲母)
ガラス基流晶質組織.斜長石・ガラス(淡褐色)・(普通輝石・紫蘇輝石・石英・アルカリ長石・燐灰石・黒雲母)
蓼科山西方の南平を中心にして,広く発達する角閃石安山岩質の,溶岩を伴う火砕流堆積物.東限は蓼科山溶岩におおわれており,北限は赤沼,西限は「諏訪」図幅地域の白樺湖東岸,南限は大石峠(すずらん峠)の南東方から,城の平の城山(標高1,500m)にある.分布の最高点は,[蓼科山頂から北西にのびる出尾根の頂部・標高2,200m付近にあり,この尾根筋は全て溶岩からなっている.溶岩をなす部分は,大門峠(すずらん峠)付近にもみられ,ときに径1m大の岩塊状をなすが,大部分は火砕岩からなる.火砕岩は径5~30cm大,ときに1m大の岩塊と灰・淡褐・桃色などを呈する同質の基地からなり,無層理・無淘汰である.層位・岩質上稲子岳・双子峯などと同期に噴出したもので,あるいは前蓼科山や,2,161m峯などと一連の山体を形成するものであるかもしれない.
もっとも広域を占める南平では,標高1,300~1,700mの,ゆるやかに北西に傾いた地形をつくっている.平坦部での露出はよくないが,樽ガ沢などの谷沿いでは,下位の溶岩が露出しており,したがって厚さは約20~30mである.
岩石は肉眼的に緻密~多孔質・白―灰色・細粒で,斑晶角閃石は5mm大に達し,同源捕獲岩を伴い,かつ顕著な流理構造を示す.
鏡下の特徴
斜長石・角閃石(緑~褐色)・普通輝石・紫蘇輝石・鉄鉱・(石英・かんらん石・燐灰石)
ガラス基流晶質~隠微晶質組織.斜長石・ガラス(無~淡褐色)・普通輝石・紫蘇輝石・鉄鉱・鱗珪石・燐灰石・黒雲母
蓼科山の北方約3kmにある竜ガ峯(1,854.6m)をつくる溶岩.しかし,竜ガ峯そのものは独立の噴出中心をもった火山ではなく,溶岩はさらに南方の,前蓼科山の直下付近から流れたものである.その噴出中心は,鹿曲川の最源流にあると推定される.同一の溶岩は,大河原峠から北東にも分布している.
溶岩は集塊岩を挟在してすくなくとも4~5枚あり,西は赤沼平の沼沢地をへて宇山堰に,北は「小諸」図幅地域の雨境東方の一等三角点985.1mにまで,南方へは標高1,900m付近までは確実に追跡できる.しかし,これより先でどうなるか,前蓼科山溶岩との確実な上下関係などは,目下のところ不明である.地質図では一応前蓼科山溶岩の下位にあるものとして画いてある.溶岩はこれらの分布域全体をつうじて,ゆるやかに北に傾斜した広い台地を形成しており,その最大幅は3.5km,末端までの到達距離は7kmに達している.分布上のこれらの特徴は,この溶岩が,非常に流動性に富んでいたことを示している.三角点の南方,この溶岩の上面には湧水口があり,御泉水と呼ばれている.4枚の溶岩流は,いずれも厚さ10mを超え,ときに30m(+)に達し,どこでも厚さ1-3cm~10-20cmの板状節理が顕著に発達しており,岩相上も灰色・緻密・中粒で非常に均質である.
鏡下の特徴
斜長石・普通輝石・紫蘇輝石・角閃石(褐色)・石英・鉄鉱・燐灰石
隠微晶質~ピロタキシチック~ガラス基流晶質組織.ガラス(淡褐色)・斜長石・普通輝石・紫蘇輝石・鉄鉱・黒雲母・鱗珪石・アルカリ長石・燐灰石
亀甲池の北西に位置する,形のととのった円錐形山体を摺鉢山(2,105m)という.山は地形図にみられるように,北60°西に伸長している.地形図にあらわれているこの伸長部は,長さ700m・幅350mである.溶岩の分布は,山頂から四周へ,標高2,000mの等高線をとりまく付近までであると考えられ,したがって,山頂との標高差は最大約130mである.全体はカラマツその他の針葉樹林におおわれており,露頭に乏しい.この山の伸長方向が,すでにのべた前蓼科山・双子峯などとほぼ平行で,さらにこれらの方向がのちにのべる“双子”溶岩丘の,縞枯山の方向と平行的であることなどは,すでにのべた火山の微配列上の特徴と一致するものであり,岩脈・破砕帯の方向などとも調和しており,興味深い.
溶岩は一般に径50cm大以下でスラブ状を呈し,まれに1~5・6m大に達する.肉眼的に緻密・灰色・中~粗粒で角閃石斑晶,および同源捕獲岩に富む.
岩質上の特徴から判断して,この溶岩丘は双子峯・前蓼科山・稲子岳・にうなどと同じ時期に,形成されたものと考えられる.
これらの溶岩をおおって,褐色のローム層が発達しており,またローム層にまじって黒曜岩の細礫多数が見出される.この黒曜岩は,恐らく双子峯溶岩中のものと同じように,下位に伏在する噴出物に由来するものであろう.
鏡下の特徴
斜長石・角閃石(濃赤褐色)・(普通輝石・紫蘇輝石・かんらん石・燐灰石)
ガラス基流晶質組織.ガラス・(斜長石・普通輝石・紫蘇輝石・鉄鉱・鱗珪石・黒雲母・燐灰石)
前蓼科山と共に,八ガ岳の北端に位置する双子峯(2,223.8m)(第11図)をつくる溶岩
北側の鹿曲川源流部と,東側の大岳川源流部は侵蝕によって若干失われているが,全体としては,ほぼ原形に近い山体を保存していると考えてよい.山体は北50°西方向に1.5km伸長した地形を示す.この理由は,古八ガ岳期噴出物を切る破砕帯の方向に支配されて,噴出したためと考えられる.溶岩の一部は,三角点から真南に幅600m,長さ900mの尾根を形成して,のちにのべる双子池溶岩の下まで,また南東にのびて大岳川の源流部から,大岳溶岩の下位にまで達している.
この山の山腹は針葉樹林におおわれ,また山頂付近には草が生いしげっていて,大規模な露頭はない.しかし,最近大河原山荘から,雨池に至る自動車道路ができ上り,この道路沿いに,何ヵ所かで好露頭がみられるようになった.
地質図上で,頂部を構成する溶岩と一連の溶岩の末端は,大岳川の1,820mまでで,頂部との落差は400m(+)である.このほかには,大岳川左俣の谷の中流に地質図のように数ヵ所,点々と露出がある.これらの地点では,凝灰角礫岩として産し,谷に沿って古八ガ岳期噴出物にへばりついたような産状を示す.この双子峯一帯には,以上の溶岩にまじって,黒曜岩の細礫が多数みられる.これらは恐らく下位に伏在する山体を構成しているものであろう.
溶岩は肉眼的に,一般に緻密,ときに多孔質,白灰・黒色,細―中粒,ときに数mm大の角閃石を含み,同源捕獲岩に富む.
鏡下の特徴
斜長石・角閃石(緑・褐・濃赤褐色)・普通輝石・紫蘇輝石・(石英・かんらん石・燐灰石)
球顆状~ガラス基流晶質組織.ガラス(無~褐色)・斜長石・(普通輝石・紫蘇輝石・鉄鉱・鱗珪石・燐灰石・雲母

蓼科山の南西下に,標高2,161mの独立標高点を含む幅の広い尾根をつくって大石峠(すずらん峠)に達している溶岩.その南端は,滝の湯川の源流において,蓼科白樺高原スカイラインのわきに達しており,南西端は大石峠(すずらん峠)で,八子ガ峯断層で断たれている八子ガ峯溶岩の北斜面にぶつかり,北西に向きをかえ,南平の東縁に達している.この南平の東縁に達している溶岩は,南平の面から地形的高まりを形成している.一方,その他の部分は独立標高点をかこんで急峻な地形をなす.
溶岩は30cm~5m大,平均1m大の岩塊からなり,肉眼的に緻密,暗灰~黒色,細粒で流理構造の発達が顕著であり,同源捕獲岩を含む.
鏡下の特徴
斜長石・普通輝石・紫蘇輝石・角閃石(褐~濃赤褐色)・(石英・黒雲母)
ガラス基流晶質~安山岩質組織.斜長石・ガラス(無~褐色)・普通輝石・紫蘇輝石・鉄鉱・鱗珪石・燐灰石
蓼科山の北東にある標高2,375mの前蓼科山を構成する溶岩.この山の三角点は,最高点の北西にあって2,353.6mである.
山体はこの付近のいくつかの溶岩丘と同じく,最高点および三角点にかけて北西―南東方向に伸長しており,また,この中間地点のやや北よりから,以上に直交するように,蓼科山の直下に向って稜線を形成している.そして全体としては,北八ガ岳溶岩丘群中もっとも偏平で広い山体の一つをなしている.火口あるいは火口跡は認められない.溶岩はおおむね2,000~2,100mの等高線に沿って分布しているが,その末端は山頂の北西方,竜ガ峯東側の谷で1,680mにあり,したがって山頂との標高差は約680mである.蓼科牧場から,大河原峠に至るバス道に沿うカッティングに好露出している.蓼科牧場―大河原峠線に沿う竜ガ峯溶岩との境界部付近からは湧水がある.
溶岩は30cm~数m大の,一部スラブ状の塊状溶岩を主としており,同源捕獲岩に富み,流理構造が発達している.肉眼的には一般に緻密,ときに多孔質,灰~黒色,細~中粒である.斑晶斜長石・角閃石は3mm大に達する.
鏡下の特徴
斜長石・角閃石(褐~濃赤褐色)・紫蘇輝石・普通輝石・(石英・かんらん石)
ガラス基流晶質組織.斜長石・ガラス(無~淡褐色)・紫蘇輝石・普通輝石・鉄鉱・クリストバル石・燐灰石
雨池の西方・横岳と縞枯山との間に位置する小丘を雨池山(2,325m)という.八丁平からの比高は約90mで,山体の直径は約500mあり,八ガ岳では独立の火山体として,もっともととのった形をしている.その噴出位置は,のちにのべるように,雨池に推定される旧火口跡の西側火口縁付近に当っている.全山深い森林におおわれているが,八丁平にのぞむ南西斜面にガレ場があり,また,最近伐採がすすんで東側に好露頭が出現した.
溶岩は数m大までのスラブ状―塊状を呈し,肉眼的に,多孔質―緻密・灰―黒色・中―細粒で,同源捕獲岩に富み,明瞭な流理構造をもつ.
山容および溶岩の分布範囲から推して,溶岩はかなり粘性に富んでおり,八ガ岳において唯一の典型的な溶岩円頂丘であると考えられる.
なお,この溶岩中の包有物としてOJI and TAKESHITA(1970)はKersantiteを採集し,記載している.
鏡下の特徴
斜長石・普通輝石・紫蘇輝石・角閃石(褐色)・(かんらん石)
ガラス基流晶質組織.斜長石・ガラス(淡褐色)・普通輝石・紫蘇輝石・鉄鉱・燐灰石・黒雲母
雨池の東・八柱山(2,114.3m)の南西にあって,八柱山よりわずかに高い標高2,125mの偏平な地形をつくる溶岩.その北西側・雨池との比高は75m,北東側は八柱山に接し,南東側は大石川支流の源流部に面してかなり急な斜面をなしている.全体として溶岩の分布は,北西に頂点を向けた二等辺三角形状をなす.独立した噴出中心をもつ火山ではない.頂部一帯は熊笹と森林地帯で露頭がないが,その南面に顕著な板状・柱状節理の発達した厚さ約10mの溶岩2枚が,垂直に近い崖をつくっており,屏風岩と呼ばれている.
岩石は肉眼的に緻密ときに多孔質,灰・黒色で斜長石斑晶が目立ち,同源捕獲岩に富む.
鏡下の特徴
斜長石・普通輝石・紫蘇輝石・角閃石(緑・褐色)・鉄鉱・かんらん石
ガラス基流晶質組織.斜長石・ガラス(淡褐~褐色)・普通輝石・紫蘇輝石・鉄鉱・鱗珪石・燐灰石
冷山の西山麓に発達して溶岩流をなす黒曜岩.付近一帯は深い森林地帯で,詳細はおさえがたいが,露頭は冷山の北西方800mの標高1,900m付近にあり,比高約8mの崖をつくって分布している.さらに付近一帯に転石として多量に認められる.
岩石は多数の球顆からなる層と小黒曜岩粒からなる層とが,細かく互層して産する場合と,比較的均質な黒曜岩からなる場合とがあり,前者が一般的である.後者からなる部分は,有名な和田峠産黒曜岩とともに,この付近の石器の原石として使用されている.
鏡下の特徴
(斜長石・黒雲母)
球顆状~ガラス質組織.ガラス(無色)
図幅地域南西端の渋川・鳴岩川沿いに分布する角閃石デイサイト質の火砕流堆積物と,泥流堆積物の一括呼称.白薙沢の源流部で,古八ガ岳期の本沢溶岩・スコリヤを不整合におおい,長倉礫層および横谷峡溶岩などによっておおわれている.分布の西方延長は「諏訪」図幅地域内・北山地域の各地で認められ(河内ほか,1967;北沢・小林,1973),また東縁は白薙沢の源流,および渋の湯東方に達している.しかし,図幅地域内では一般に広く上位の溶岩に被覆されており,鳴岩川・渋川の中流部を除くと,地表露頭は断片的である.
火砕流堆積物は,1~20cm大多孔質・灰白色の角閃石デサイト質の角礫と灰・赤紫色などを呈する同質の火山灰からなり,白色軽石・パン皮火山弾・黒曜岩片を含む.またときに炭化木片を伴う.一般に無層理・無淘汰であるが,ときに大まかな成層構造を示し,間に淡褐色ロームの薄層をはさむ.
泥流堆積物は白・灰・赤褐色,硫気臭を呈する火山灰質の基地中に縞状軽石・スコリヤ・ガラス質安山岩・角閃石デイサイト(流理構造顕著),黒曜岩などの5~100cm大の岩片を多数伴う.一般に無層理であるが,厚さが20mを越えるような場合には,大まかな成層構造が発達している.また炭化してない材多数を含む.
なお,杜鵑峡および渋川2俣(標高1,555m)上流の左俣沢を横切る歩道わきなどでは,厚さ50cm(±)の白・帯紫色の粘土化のすすんだ火山灰層があり,黒雲母を含む.
鏡下の特徴
斜長石・角閃石(褐色)・(普通輝石・紫蘇輝石・石英・鉄鉱)
ガラス基流晶質組織.斜長石・ガラス(無~褐色)・普通輝石・紫蘇輝石・鉄鉱・燐灰石
〔斜長石・角閃石(緑色)・鉄鉱〕
ガラス質組織.ガラス(無色)
小海町松原湖北方の台地・八那池―海尻間の国道沿い,五箇北方から本間川北側の台地・小海原・鶯の口北東方,および海瀬東方などに広く分布する角閃石安山岩質の火砕流堆積物.本質岩片の岩質は,稲子岳を構成している稲子岳溶岩と全く同質である.厚さは最大20mを超える.
五箇付近の露頭で,厚さ30~80cmの淡赤紫色火山灰層をはさんでおり,全体は3分される(第12図).

下位の火砕流は,無層理・無淘汰で,径1~100cm大,流理構造の顕著な角閃石斑晶に富む岩塊と,同質のパン皮火山弾からなり,しばしば黒曜岩片を伴う.基地は灰~帯紫色の同質火山灰からなる.
中位の火山灰層は赤紫色を呈し,岩塊は径30cm以下ですくない.炭化木片を挟在しているが,溶結現象は全く認められない.この炭化木片の赤外線分光法による炭化温度の測定結果注6)は,350~375℃であった.
上位の火砕流は,下位の火砕流にくらべて岩片がやや小型で,かつ量的にすくないことを除くと岩相上全く差異がない.
この火砕流の以上にのべた岩相は,分布域全体をつうじて非常に安定しており,特徴ある角閃石安山岩からなっていることなど,良好な鍵層の一つとなっている.
地質図にみられるように,この火砕流は稲子岳付近で発生して東および北東に流れ,東に向った部分は,千曲川をこえて小海原の台地をつくり,北東に向った部分は,小海町付近からさらに北に向って,末端は噴出源から約40kmへだたった佐久町海瀬に達している.
この火砕流は,松原湖北岸では灯明平火砕岩に属する溶結凝灰岩,鎰掛付近では鎰掛層,海瀬では海瀬砂礫層などをそれぞれ直接おおっており,横谷峡溶岩およびPm-Iを含むローム層によっておおわれている.
岩石は多孔質・灰~灰黒色で,5mm大の角閃石斑晶にとむ.
鏡下の特徴
斜長石・角閃石(緑色)・(普通輝石・紫蘇輝石)
ガラス基流晶質組織.ガラス(無~褐色)・斜長石・鉄鉱・燐灰色
図幅地域中央南方・中山の東約1.2kmにある稲子岳(2,395m)を構成する溶岩.その分布は稲子岳付近を南端として,北および北東にのびており,にう(2,351.9m)をへて,本間川左俣沢および大石川などの各源流部に達している.西側へは中山峠にみられるが,さらに西方では天狗岳・中山などの溶岩におおわれている.
この稲子岳と中山峠には,標高差150mを超える垂直に近い顕著な断崖が2列に配列している(第13図).西側の崖は南方・天狗岳東壁から一連のものであり,中山峠付近から南東に凹面を向けてにうに達している.東側の崖は,中山峠東方ではじまり,南東に凸に湾曲して,同じくにうに達している.のちに詳しくのべるように,これら2つの崖を構成する溶岩は全く同質である.

東側の崖がつくる稲子岳東壁は,大岳川源流部の屏風岩とともに,北八ガ岳でもっとも顕著な岩壁の一つである.稲子岳の稜線は,ゆるやかな尾根をなし,その西斜面は一様な傾斜で西側の崖下に達しており,崖直下の崖錐堆積物におおわれている.東・西2つの崖の中間は,最大幅250m,長さ約900mの北北東にのびた凹地となっており,凹地底の標高は2,230mである.一方,西側の崖は,中山峠からにうに至る登山道沿いに狭長な尾根をつくっている.その最高点は標高2,470mで,稲子岳より75m高い.中山峠東下の凹地南端は,標高2,300mで真西の崖の頂部との標高差は約150mである.
にうで合体するこれら2つの崖は,東側に急崖をつくって大月川右俣の源流にのぞんでいる.崖の南方延長部は,天狗岳東壁・夏沢峠をへて硫黄岳火口壁に達しており,その全長は6kmを越え,八ガ岳においてもっとも長い断崖をなす.しかし,これら一連の崖は,決して単一の成因によって形成されたものではなく,硫黄岳付近は火口跡;夏沢峠~中山峠間は,山麓における泥流堆積物の存在が示しているように爆裂火口跡である.
ここで問題なのは,中山峠から北側にある,2重の山稜の成因である.この“2重山稜”の形成機構としては,つぎの4つの場合が考えられる.
1) 西側の崖がつくる山体の形成がまず行われ,ついでその東側に稲子岳をつくる溶岩が噴出した.したがって,東・西2つの崖はともに,火口縁をなす.したがって,稲子岳溶岩は,ちょうど中央凹地まで流下して止り,凹地を満たしたり,凹地からあふれたりすることがなかった.
2) もともと単一のドーム状岩体が,西側の崖に沿って切断され,傾動を伴いつつ上昇した.すなわち,上昇途上の差動運動によって“2重山稜”が形成された.
3) 元来は一連の山体を形成していたが,のちに中央の凹地に沿う断層によって切断された.したがって,西側の崖は断層線崖をなし,その落差はほぼ西側の崖の高さに等しい.また,稲子岳の岩壁は南方からつづく爆裂火口壁の一部である(爆裂と断層形成の時期の前後はどちらでもよい).
4) 大月川泥流に伴う山体東半の大崩壊で,のこされた山体が支えを失い,大規模な地辷りをおこして稲子岳が東にずりおちた.西側の崖はその時に生じた地辷り面である.
以上,4つの場合において,いずれも東側に予想される山体が,爆裂その他の原因によって失われたとする前提は同じである.すでにのべたように,稲子岳の西斜面は西側の崖直下に達しており,西側崖をおおう崖錐堆積物を除くと,西側崖は稲子岳西斜面の末端を非常にシャープに切ってそそりたっている.このような2つの崖の地形上の特徴や,岩質が互いに全く同一であることなどを基礎に形成史を考えると,この“2重山稜”の成因としては4)がもっとも妥当であると考えられる.なお,この場合,地辷りの垂直移動量は,最大約240m(西側崖の高さ―凹地底の高さ)であるが,傾斜移動量は,稲子岳の高さおよびその西斜面の傾斜角などを,西側の崖のそれぞれと比較してみると,上盤(稲子岳)の地辷り面側が,その東岩壁側よりもやや大きかったものと推定される.なお,中央の凹地底には,貧弱ではあるが条線状の構造土がみられ,凹地南端の岩塊底には,盛夏でも氷が保存されている.
溶岩は灰~黒色・緻密・粗粒の角閃石デイサイトで同源捕獲岩を含むが,場所によっては岩相変化にとみ黒曜岩(第14図)を伴い,また灰白~淡桃色の流紋岩であるなど,岩相変化に富んでいる.全体をつうじて板・柱状節理の発達がよい.またとくに2・3~10mm幅の流理構造が,きわめて顕著である(第15図).各地における流理構造の走向・傾斜はつぎのとおりである.
にう北東下:走向北70°西,傾斜北西へ25°
にう:走向北30°東,傾斜南東へ80°~直立


稲子岳山頂南下:走向北20°東,傾斜北西へ25°
稲子岳東壁(上位の溶岩):走向東西,傾斜南へ70°
1枚の溶岩の厚さは,一般には10m前後で,全体では,火砕岩をはさんで7枚以上からなるが,稲子岳では下位は厚さ40m+,上位は70mで2枚あり,間に泥流堆積物をはさんでいる.
鏡下の特徴
〈稲子岳下部溶岩〉
斜長石・角閃石(緑色)・(紫蘇輝石・普通輝石・鉄鉱)
ガラス基流晶質組織.ガラス(淡褐色)・(斜長石・鱗珪石・石英・鉄鉱・普通輝石・紫蘇輝石・アルカリ長石・燐灰石)
〈稲子岳上部溶岩〉
斜長石・角閃石(褐~赤褐色)・(単斜輝石・斜方輝石・鉄鉱)
不均質なガラス基流晶質~隠微晶質組織.ガラス(淡褐色)・(斜長石・単斜輝石・鉄鉱・鱗珪石・斜方輝石・燐灰石)
〈黒曜岩〉
(斜長石・角閃石(濃赤褐色))
球顆状組織.ガラス(無~淡褐色)・黒雲母
〈流紋岩〉
斜長石・角閃石(褐色)・(普通輝石・紫蘇輝石・かんらん石)
隠微晶質組織.ガラス(無~淡褐色)・(斜長石・普通輝石・紫蘇輝石・鉄鉱・黒雲母・燐灰石)
湯川の北岸に,広い平坦な台地をつくって分布する,厚さ60mに達する溶岩で,直下に厚さ約10mの集塊岳を伴う.溶岩の末端は幅約1km・標高1,260m付近にある.また西端は細くくびれており,幅約250m・標高1,640m付近にあって,稲子牧場溶岩の下位にもぐっている.分布範囲内での東西延長は約4kmである.全体は湯川に面して垂直に近い顕著な崖をつくっており,その上・下部には厚さ3~50cm・平均15cmの板状節理が発達しているが,中部は大まかな柱状節理を除くと無節理である.
溶岩は肉眼的に緻密・灰~黒色・細粒で,ときに流理構造を認めうる.
鏡下の特徴
斜長石・普通輝石・紫蘇輝石・角閃石(褐色)・(石英・鉄鉱・かんらん石・燐灰石)
隠微晶質組織.ガラス(無~淡褐色)・(斜長石・普通輝石・紫蘇輝石・鉄鉱・石英・鱗珪石・黒雲母・燐灰石)
図幅地域南西部の渋川および鳴岩川流域と,稲子湯の北方などに好露出する溶岩で,量的に北八ガ岳でもっとも顕著なものの一つである.茅野市白井出の東方では,一の坂などをつくってかなり広域を占め,広見面(河内ほか,1967)から100m以上高い著しい台地状地形をつくっている.また主稜の東側の稲子湯付近では,白樺尾根をつくっており,ここでもこの溶岩の分布域は,まわりよりひときわ高い地形的高まりを形成している.
溶岩分布の南限は鳴岩川の本流に沿って,夏沢鉱泉(「八ガ岳」図幅地域最北端)付近にある.一方,北限は渋川北岸で蓼科高原溶岩におおわれているが,バス道・茅野―佐久町線沿いの一等三角点1,939.4mをつくる小峯とその北西・河原木場沢中流に,比高約7mの滝をつくって露出している.さらにこの溶岩を西側から山頂方向に追跡すると,渋川沿いでは渋の湯東方,唐沢では旧唐沢温泉の東方まで分布している.そして主稜の東側では,天狗岳山頂直下の北東壁に露出している.これらのことから,この溶岩の噴出源は天狗東壁付近にあったと判断される.
主要分布地点において,溶岩はどこでも数枚以上あり,間に火砕岩をはさむ.また各地で黒曜岩の小片を伴う赤~茶褐色のうすい泥流堆積物を挟在しており,これらのなかには材が含まれていることがある.溶岩一枚の厚さは数mから最大40mに達し,とくに渋川の横谷峡(1,200~1,500m),(第16図)では70~80mの垂直の断崖が3枚の溶岩から構成されている.
溶岩は緻密・灰色・細~中粒で,5~20cm幅の板状節理が普遍的に発達しており,溶岩一枚の厚さが厚い場合は柱状節理を伴う.板状節理はおおむね水平であるが,場所によってはかなりうねっていることがある.この溶岩のもう一つの特徴は,普遍的かつ非常に多量の同源捕獲岩を含むことである.とくに,白樺尾根を構成する溶岩では,溶岩の容積の30%を超えている場合があり,大きさも径20cm近いものまである.
空中写真を注意深く観察すると,一の坂付近および白樺尾根などの,この溶岩分布の末端近くでわずかにグルーブが保存されているのを認めることができる.
溶岩は糸萱火砕流・稲子岳火砕流・稲子岳溶岩などを直接おおい,天狗岳溶岩によっておおわれている.なお,滝の湯川餅路橋付近のこの溶岩上にはうすい粘土質の湖沼堆積物(第17図)があり,高師小僧を多産する.


鏡下の特徴
斜長石・単斜輝石・斜方輝石・石英・鉄鉱・角閃石(緑・褐色)・(かんらん石・燐灰石)
ガラス基流晶質―隠微晶質―安山岩質組織.斜長石・ガラス(淡褐色)・単斜輝石・斜方輝石・鉄鉱・石英・鱗珪石・黒雲母・アルカリ長石・燐灰石
注7)鶯の口の北東方,佐口付近,大石川下流東方などにかなり広く分布するクサレ礫を主体とする礫層(第18図).これらの分布域は,一般に北東にゆるく傾斜した面をつくっており,おそらくかつてはもっと広域を占めていたものが,侵蝕で失われ,かつ分断されたものと推定される.
礫層の厚さそのものは最大15mであるが,一部で間に黒色スコリヤ質の類質火山灰・スコリヤ層や火山角礫岩を伴い,こうした場所では全体の厚さは60m近くに達している.一般に無層理で,礫は粒径15~30cm大・ときに2m大の亜円礫からなる.礫種は輝石安山岩・角閃石安山岩などからなり,基地は黒~褐色スコリヤ質の砂で,ときに1cm大の黄色軽石を伴う.またところによって,このスコリヤ質砂層中から5mm大の普通輝石単結晶を多産する.
火山角礫岩は厚さ最大7mで2~3枚はさまれている.これらの礫種は,苦鉄質安山岩質で粒径は5~15cm大まれに50cm大に達し,基地はスコリヤ質の砂からなる.
この層は,地質図に示したように,大石川スコリヤを直接不整合でおおっていたり,春日火山岩類をおおっており,Pm-Iを含むローム層や,八千穂層などによっておおわれている.この層のつくる地形面の解析度から推して,野辺山原面より若干古い面であると推定される.
「八ガ岳」および「金峯山」図幅地域内に野辺山原を形成して広く分布する地層で,図幅地域内では,その一部が南東部にみられる.厚い礫層とその間に挟在する砂層・降下スコリヤおよび軽石層,軽石流・スコリヤ流堆積物,溶岩を伴う火山角礫岩層などからなる.高石川溶岩,本沢溶岩・スコリヤ層などをおおい,海の口牧場溶岩によっておおわれている.
礫層は厚さ1~50mにわたり,礫は5~30cm大,まれに1mの亜円礫を主とし,一般にごく大まかな成層構造を示す.礫種は各種の安山岩を主としているが,まれには最大30cmの黒雲母流紋岩質軽石・黒曜岩・角閃石デイサイト・角閃石安山岩などを伴う.基地は灰~黒色の砂およびスコリヤなどからなる.またこれらの中の数層準に,しばしば最大1mのパン皮火山弾を伴っている.海の口西方で採集した角閃石デイサイト礫の鏡下の特徴はつぎのとおりである.

岩石名
斜長石・角閃石(緑色)・(普通輝石・鉄鉱・石英・黒雲母・紫蘇輝石)
ガラス質組織.ガラス(無色)
砂層は褐~黒色で,厚さは1~3m,しばしばこまかいラミナが発達しており,ローム質泥の薄層をはさみスコリヤ質である.
降下スコリヤ層は黒~褐色,径1~3cm大で黄色軽石を伴い,厚さは10cm~8mにわたる.厚いものではしばしば何枚ものfall unitsを認別できる.降下軽石層は黄色の安山岩質軽石からなり,粒径は1cm大,厚さは20~30cmである.軽石流堆積物は,厚さ約8m,淡桃色・5~20cm大の安山岩軽石片と同質の基地からなり,弱く溶結している.スコリヤ流堆積物は,厚さ2~6m,多孔質・黒色・3~60cm大の牛糞状を呈する安山岩スコリヤと同質の基地からなる.
溶岩および火山角礫岩層は「八ガ岳」図幅地域内にある.とくに溶岩は千ガ滝を形成しており,岩質はかんらん石を含む紫蘇輝石普通輝石安山岩である.
図幅地域の北東端に近い千曲川右岸の佐久町海瀬から,八千穂村穴原にかけてみられる比高40~60mの河岸段丘を構成する地層.八千穂村下畑の西方にも小分布がある.層厚最大11m(+).
1m大の巨礫を含む礫層を主とし,間に厚さ4m未満のスコリヤ質砂・泥層などをはさむ.礫種は粘板岩・チャート・ホルンフェルス・花崗岩などのほかに,輝石安山岩・角閃石安山岩などがあり,基地はスコリヤ質の黒色砂である.
砂・泥層は,スコリヤ質,ときに軽石質で,一般にラミナの発達がよい.植物化石の破片を含む.
基盤の御座山層群,あるいは大石川スコリヤを直接おおい,稲子岳火砕流によって直接おおわれている.
図幅地域南西端に近い渋川沿い・広見面の東北端部に分布する巨礫を含む礫層で,泥・砂・粘土化のすすんだ流紋岩質火山灰薄層などをはさむ.厚さ最大20m(+).
礫は径最大1m,一般に30cm(±)大で礫種は横谷峡溶岩・稲子岳火砕流などに由来する亜円礫を主としており,黒曜岩を含む.基地は灰・赤紫色などを呈するスコリヤ砂などからなり,全体としてごく大まかな成層構造を示す.これらに挟在する流紋岩質火山灰層は厚さ50cmで,白~赤紫色を呈し,黒雲母を含む.糸萱火砕流を直接不整合でおおい,「諏訪」図幅地域内ではPm-Iを含む中村泥炭層(河内ほか,1967)におおわれているが,本図幅地域内では広見面上の厚いローム層におおわれている.
図幅地域西端中央南よりの蓼科湖から滝の湯川および渋川にはさまれて,「諏訪」図幅地域の芹ガ沢付近まで分布する溶岩.芹ガ沢面(河内ほか,1967)よりも,40~60m高い台地をつくって分布しており,5~20mの厚さの溶岩数枚と,この間に挟在する集塊岩・火山角礫岩などからなる.
糸萱火砕流をおおい,長倉礫層によっておおわれている.
溶岩は板状節理が顕著で,肉眼的に多孔質・暗灰色・細粒である.
鏡下の特徴
斜長石・普通輝石・紫蘇輝石・(かんらん石・鉄鉱・角閃石・石英)
隠微晶質~ガラス基流晶質組織.カラス(淡褐色)・斜長石・普通輝石・紫蘇輝石・鉄鉱・燐灰石・鱗珪石・黒雲母・アルカリ長石
図幅地域の南東端に,野辺山原層上部の礫層をおおい,比高およそ20mのゆるやかな尾根をつくって分布する溶岩で,「八ガ岳」図幅地域の海の口牧場に分布する溶岩の一部に当る.グルーブの保存は比較的よい.
30cm~2m大の溶岩塊からなり,肉眼的に多孔質・灰色・細粒である.
鏡下の特徴
斜長石・普通輝石・紫蘇輝石・(かんらん石)
ガラス基流晶質組織.ガラス(褐色)・斜長石・普通輝石・紫蘇輝石・鉄鉱・鱗珪石
北八ガ岳火山群の最高峯・天狗岳(2,645.8m)と第2峯の根石岳(2,600m)などをつくる溶岩.天狗岳は東西にならんだほぼ同じ高さの2峯・西(青)天狗岳と東(赤)天狗岳からなる(第19図).三角点は西天狗岳にある.これら2つの峯の間には,北側から唐沢源流の谷が入りこんでいる.東天狗岳の東側は,すでにのべたように稲子岳あるいはにうから硫黄岳にいたる大絶壁(比高0~500m)によって断ち切られている(第20図).また西天狗岳の南側も,比高250mを超える絶壁をなし,白薙沢の源流にのぞんでいる.根石岳は東天狗岳の南方500mにある小岩峯で,東天狗岳と根石岳にかこまれた部分には,径約300mのすりばち状をした火口跡がある.天狗岳の山体は,鳴岩川と唐沢にはさまれて真西に4km以上の幅のせまい尾根をつくっている.
天狗岳溶岩は,下・中・上部およびスリバチ池溶岩に4分して考えることができる.いずれもグルーブが保存されているが,その程度は上位のものほど顕著である.


硫黄岳・横岳・赤岳・中岳・阿弥陀岳・編笠山・峯の松目・西岳・遠景は南アルプス
天狗岳の最下部を構成して,斗樽の沢・白薙沢を中心に分布する溶岩.溶岩は天狗岳の真西に連らなる尾根や,西天狗岳から南西方向に白薙沢と唐沢の間に入る尾根の基部を構成しており,末端は鳴岩川では1,500m付近,唐沢では1,640m付近に達している.
地質図上の分布の最高点は,2,420mであり,最低点との比高差は約800mである.地質図に示したように顕著な崖をつくる溶岩が,すくなくとも5枚以上あり,互層する集塊岩を含めると,全体の厚さは300mをこえる.最下部に分布する溶岩は,鳴岩川の北岸に沿って幅70m・長さは1km以上よくつづき,空中写真でグルーブが保存されているのを認めることができる.この溶岩は斗樽の沢および白薙沢の中流では,古八ガ岳期・斗樽の沢溶岩の上位に不整合でのっている.このような分布様式から判断して,この下部溶岩の基底面は著しく凹凸に富んでいたことがわかる.
溶岩は緻密・灰~黒色・細粒で同源捕獲岩に富み,板状節理の発達がよい.
鏡下の特徴
斜長石・紫蘇輝石・普通輝石・かんらん石・角閃石(緑褐色)・鉄鉱
ガラス基流晶質~フェルト状~安山岩質組織.斜長石・ガラス(淡褐―褐色)・普通輝石・紫蘇輝石・鉄鉱・燐灰石・黒雲母・鱗珪石
斗樽の沢源流部北側から唐沢にかけて,および唐沢と渋川にはさまれた八方台(1,858.1m)の尾根を構成する溶岩.前者の溶岩の西端は,下部溶岩の北側斜面をすべりおちて,唐沢の北岸まで達している.溶岩の枚数は多数あり,互層する集塊岩を含めると全体の厚さは最大160mに達する.分布の最高地点の標高は2,400m・最低地点は1,800mである.溶岩には顕著な板状節理が発達している.
後者,すなわち八方台を構成する溶岩は,中山の真西に4km以上のびる長い尾根をつくる.溶岩の枚数は7~8枚に達する.空中写真によると,末端部付近で明瞭なグルーブが保存されているのを認めることができ,とくに八方台の西約750m付近から北西に流下している溶岩では,最狭部の幅は約100mにすぎず,横谷峡溶岩上に達して扇状にひろがっている.この扇状部のグルーブはかなり明瞭に保存されており,ここでは溶岩の表層部は30cm~1m大,ときに数m大に達する岩塊からなっている.
以上,この中部溶岩の噴出口は,分布から推して,天狗岳東壁付近にあったことは明瞭であり,末端までの到達距離は約6kmである.
岩石は肉眼的に緻密―多孔質・灰色・細粒で流理構造が顕著であり,同源捕獲岩に富む.
鏡下の特徴
斜長石・普通輝石・紫蘇輝石・角閃石(褐色)・鉄鉱・かんらん石・燐灰石
ガラス基流晶質~安山岩質,しばしば隠微晶質組織.斜長石・ガラス(淡褐色)・普通輝石・紫蘇輝石・鉄鉱・燐灰石・鱗珪石あるいはクリストバル石・黒雲母
西天狗岳・東天狗岳の頂部および根石岳;中山峠の西に唐沢の源流に向ってのびるひくい尾根;中山から八方台に至る尾根の中間などを構成する溶岩.天狗岳東壁の最上部では厚さ20mの溶岩が露出しており,天狗岳から真西にのびる尾根ではその頂部から北側に,天狗岳中部溶岩の急斜面をなだれおちている.空中写真によると,かなり明瞭なグルーブが残存している.これらをみると,幅のせまい溶岩が多数合体して全体をつくっているようにみえる.溶岩の東側への延長は,天狗岳東壁の絶壁に断たれていてわからない.
山頂付近では,一般にかなりの硫気変質をうけている.東天狗岳の山頂・南直下では,厚い泥流堆積物を伴う.天狗岳末期の活動は,このように泥流と溶岩流を交互に流出する活動がくりかえされたらしい.
天狗岳東壁で断面を観察すると,最上部に厚さ70mをこえる溶岩が,cap rock状におおっており,その下位200m(+)は強い硫気変質をうけた白・赤褐色のルーズな火砕岩からなる.のちにのべる大月川泥流は,この変質火砕岩とその上位の溶岩などの崩壊によってもたらされたものである.
天狗岳東壁のこの大崩壊と,大月川泥流の形成との関係は,1888年の磐梯山の崩壊を思わせるものがあるが,磐梯山にあっても,その断面の最上部を厚い溶岩がおおっており,下位がほとんど火砕岩のみからなっているなど相似性がある.
岩石は緻密・灰~黒色・細~中粒の塊状あるいは板状節理の顕著な溶岩流をなし,同源捕獲岩に富む.
鏡下の特徴
斜長石・普通輝石・紫蘇輝石・鉄鉱・角閃石(褐色)・石英・かんらん石
ガラス基流晶質組織.斜長石・ガラス・普通輝石・紫蘇輝石・鉄鉱・珪酸鉱物・黒雲母・燐灰石
東天狗岳の北直下・標高2,400m付近から,北西方向に向って流れ下っている溶岩で,黒百合平の南側で比高約40mの崖を作って止っている.溶岩流両側のへりが高く,内側はへこんでおり,非常に明瞭なグルーブをしめす.内部数ヵ所に凹地があり,とくにいちばん北側の凹地は円形で,雨期には浅い水をたたえ,すりばち池と呼ばれている.池底には貧弱な環状構造土が発達している.この溶岩は東天狗岳山頂の北直下まで追跡でき,その先は天狗岳東壁に断たれている.溶岩表層部は1~数m大の岩塊からなるが,東壁でみるとその下半は一連の溶岩をなし,岩塊状(第21図)を呈するのは表面数mのみである.溶岩は多孔質~緻密・灰~黒色・細~中粒で同源捕獲岩に富み,流理構造が顕著である.
鏡下の特徴
斜長石・紫蘇輝石・普通輝石・鉄鉱・角閃石(褐色)
ガラス基流晶質組織.斜長石・ガラス(淡褐―褐色)・紫蘇輝石・普通輝石・鉄鉱・燐灰石・黒雲母・鱗珪石

「八ガ岳」図幅地域北端の峯の松目(2,567m)を構成する溶岩.本図幅地域南端に,全面積の約3分の1が分布している.峯の松目自身は,南八ガ岳火山群の北西端に位置する小峯であるが,のちにのべるように少量ではあるが角閃石斑晶を含む点で,輝石安山岩を主体としている南八ガ岳火山群と異なり,新八ガ岳期の北八ガ岳火山群の火山岩類に共通した特徴をそなえている.
溶岩の分布様式から推定して,噴出中心は峯の松目の山頂付近にあったと考えられるが,山頂部は南・北側とも著しく解析されて,東西性の幅150mたらずのやせ尾根となっており,詳細はわかっていない.
溶岩の分布は;
1) 山頂から真西に向い,標高1,670m付近に至っているもの(全て「八ガ岳」図幅地域内)
2) 山頂の北東側に急斜面をつくって分布するもの(ごく一部のみがこの図幅地域内)
3) 山頂の北西にゆるやかな尾根をつくって,もっとも広く分布し,標高1,300m付近にまで達しているもの(分布面積の約2分の1が図幅地域内)
に3分される.なお,峯の松目山頂直下北側の急斜面と,山頂から北西にのびる尾根の上部は,地質図に示したように,南八ガ岳・古八ガ岳期の溶岩と集塊岩からなっており,図幅地域内にはそのごく一部が分布している.
上述の1)は,オーレン小屋から峯の松目―硫黄岳間の尾根に至る登山道の下半に,地形の勾配が変る付近までみられるが,好露頭に恵まれておらず,詳細はわからない.
2)は直接本図幅地域とは無関係であるが,山頂の西250mから南西方向に派生する尾根の稜線をさけて,その西の谷に流れ込むように分布していること,さらに山頂の西1.5km付近で,南西側に湾曲するひくい尾根(5万分の1地形図でみて,コンターに記入してある1,900mという文字の「00」の上側から北東方向に,湾曲してつながる細くひくい尾根)をのりこえることができず,その北側に幅広く分布すること,そしてこの溶岩には,空中写真によると若干のグルーブが保存されていること,などの特徴がある.
3)はもっとも広い分布を示す.分布の最高地点は,山頂から北西にのびる尾根の標高2,200m付近である.溶岩はこれより西方に,数脈に枝分れするゆるやかな尾根をつくってかなり広く分布している.すでにのべたように,溶岩の末端は1,300m付近に達しており,したがって最高点との標高差は約900mである.空中写真によるとグルーブはかなり明瞭であり,とくに鳴岩川に面した北側で著しく,尾根の上から谷に向ってすべりおちているようにみえる.
以上の溶岩全体は,グルーブや溶岩流がつくる地形などから判断して,非常に多数の溶岩がくりかえし噴出されたものであることがわかる.
溶岩には大まかな板状節理が発達しており,肉眼的に多孔質~緻密・灰色・中―細粒である.
鏡下の特徴
斜長石・普通輝石・紫蘇輝石・鉄鉱・(かんらん石・角閃石(黄褐色)・石英)
ガラス基流晶質,ときに隠微晶質組織.斜長石・普通輝石・紫蘇輝石・ガラス(無―淡褐色)・鉄鉱・鱗珪石・黒雲母
箕冠山(2,600m)を構成する弱溶結の溶結凝灰岩.山体は西・北・東側とも断崖で断たれているが,南西側へはゆるやかな地形をなし,その表面に深い森林がひろがって,あたかも箕をかぶせてあるかのようにみえる.分布の南端のわずかばかりは「八ガ岳」図幅地域にまたがる.露頭は,夏沢峠の東直下など東壁沿いにみられ,厚さは全体としてほぼ一様で約30m,10~15cm大の同源石質岩片に富む.
鳴岩川のオーレン小屋に向う登山道において,すくなくとも標高2,300m付近までの北岸には,すでにのべた横谷峡溶岩が分布しており,箕冠山溶結凝灰岩はこれをおおっている.しかし,その境界部付近には何ら地形上のギャップがない.分布の最高点との比高差は300mである.
箕冠山から夏沢峠に向う縦走路には,幅1.5~2m・深さ3mほどの地われを生じているところがいくつかあり,稲子岳にみられるような“二重山稜”形成の小規模な状態を暗示している.
岩石は肉眼的に緻密~多孔質・灰色・細粒で多数の本質岩片のほか石質岩片にも富んでいる.基地は弱溶結を示す火山灰からなっている.
鏡下の特徴
斜長石・普通輝石・紫蘇輝石・鉄鉱・角閃石(緑褐―赤褐色)
弱溶結構造.ガラス(無―淡褐色)斜長石・普通輝石・紫蘇輝石・鉄鉱・鱗珪石・燐灰石・黒雲母
湯川の牛首川との合流点付近(第22図),および稲子部落から本沢温泉に至る登山道の稲子小屋付近までに分布する溶結凝灰岩.湯川沿いでは,幅150~200mで東西に長くのびた分布を示すが,稲子小屋付近では幅広い分布を示す.厚さは約15mあり,上下各数mはルーズであるが,中部約10mは弱溶結を示し垂直の崖を形成している.黒曜岩は非溶結部の軽石中に岩塊として含まれている.溶結部は1~40cm大の発泡の悪い暗灰色軽石および角礫に富んでおり,多数のflow unitsを識別しうる(第23図).
鏡下の特徴
斜長石・石英・紫蘇輝石・普通輝石・角閃石(緑色)・黒雲母・鉄鉱・かんらん石
斑晶鉱物は破片状で,弱溶結ユータキシチック組織.ガラス・(斜長石・普通輝石・紫蘇輝石・鉄鉱・クリストバル石)
斜長石・普通輝石・石英・紫蘇輝石・角閃石(緑色)・鉄鉱
球顆状組織.ガラス(無~淡褐色)・(鱗珪石)


稲子部落から本沢温泉に至る登山道の,稲子小屋西方から一等三角点1,986.6mにかけて分布する溶岩.溶岩は火砕岩をはさんですくなくとも4枚以上あり,厚さは7・8mから20mに達している.全体はゆるく西に傾斜しており,各溶岩の末端は下位から上位にかけて,階段状の地形をつくっている.いずれにも,板状節理が発達しており,一部では明瞭な流理構造をも認めうる.また,同源捕獲岩を含む.この同源捕獲岩を含む溶岩は,横谷峡溶岩と岩相上の特徴が互いによくにている.
溶岩は肉眼的に,緻密・灰色・細~中粒である.
鏡下の特徴
斜長石・普通輝石・紫蘇輝石・角閃石(褐色)・(かんらん石・鉄鉱・黒雲母・石英)
ガラス基流晶質組織.斜長石・ガラス・普通輝石・紫蘇輝石・鉄鉱・石英・鱗珪石・黒雲母・アルカリ長石・燐灰石
八千穂村宮の下から,小海町馬流にかけての千曲川左岸に分布する礫層.基盤岩類あるいは大石川スコリヤ・相木川泥流などを直接おおい,御岳火山起源のPm-I(小林ほか,1967)をはさむローム層によっておおわれている.厚さ最大20m.千曲川河床から比高40mの段丘面を形成している.
1~100cm大とくに30cm大のものが多い円礫からなり,基地はスコリヤ質である.中に大型の角閃石捕獲結晶を含む本間川溶岩,あるいは千代里牧場溶岩源の円礫を含んでいるのを観察することができる.
丸山の西方1.2km・渋の湯の北にある低平な山を冷山(2,198m)という.この山は東方・丸山方面から流れてきた溶岩が末端でもり上ってできたものであり,直下に火道をもつ独立の火山ではない.この付近での2,160mおよび2,180m等高線が西に凸形にとじていること,独立標高点の南に2,100mおよび2,140mの等高線にかこまれた長径50m(±)の小凹地2つがあることなどは,溶岩のグルーブがそのまま保存されているものであろう.
溶岩は独立標高点の北・西・南で急斜した地形をつくっている.とくに西側へは数条の不明瞭なグルーブを保存した細い流れとなって,奥蓼科温泉の北方・標高1,700m地点にまで達し,横谷峡溶岩をおおっている.東側では丸山溶岩におおわれているが,渋の湯―高見石間の登山道沿いに標高2,160mまで分布している.分布の最高地点と,最低地点との標高差は500mである.
溶岩は緻密~多孔質・灰色・中~細粒で流理構造が顕著であり,同源捕獲岩に富む.
鏡下の特徴
斜長石・普通輝石・紫蘇輝石・(鉄鉱・角閃石(褐色)・かんらん石)
ガラス基流晶質組織.斜長石・ガラス(褐色)・紫蘇輝石・普通輝石・鉄鉱・燐灰石
なお,冷山北西斜面はヤツガタケトウヒの原生林として厳重に保護されている
縞枯山東峯の北東山麓から,雨池の西岸をかすめ,北東方向に流れて大岳本沢と湯沢にはさまれた地帯を通り,白樺平に至って東に方向を変え,めんぼう岩の北西側・標高1,330m付近にまで達している溶岩.分布から推して,現在の縞枯山東峯の,直下付近に開口した火口から流出したものらしい.分布の最高点は標高2,200mであり,したがって,末端との比高差は約870mである.また,大岳本沢の標高1,530m付近では,沢の左岸にまで認めることができる.地質図にみられるように,溶岩は標高1,800~1,900m付近で,古八ガ岳期の春日火山岩類からなる開析された大岳川の谷に流れ込んでおり,空中写真によると,この付近でグルーブが保存されているのを認めることができる.溶岩の幅は雨池の西方では800m,古八ガ岳期山体の谷にさしかかった1,900m付近では,もっとも広くて1km,白樺平では300m,そして末端部では50mである.流下距離は流れに沿って約5kmである.
湯沢西方の標高1,600~1,700mの間では,古八ガ岳期の火山岩類が,この溶岩上面よりわずかに比高の高い境界をつくっている.溶岩上面の起伏は比較的ゆるやかであり,春日火山岩類のつくる地形とは,明瞭なコントラストがある.
溶岩の厚さは1mを越えており,露頭によって板状節理が発達した部分と,30cm~数m大の岩塊状を呈する部分とがある.肉眼的には多孔質~緻密・灰~黒色・細~中粒で同源捕獲岩に富んでいる.
鏡下の特徴
斜長石・普通輝石・紫蘇輝石・かんらん石・(鉄鉱・角閃石(褐色)・石英)
ガラス基流晶質―安山岩質組織.斜長石・普通輝石・紫蘇輝石・ガラス(無~褐色)・鉄鉱・黒雲母・鱗珪石・燐灰石
縞枯山という山名は,その名のとおりこの山の南斜面をおおう森林が,ほぼ等高線と平行に幾筋も縞状に立枯れを生じている(第24図)ためにつけられたものである.
縞枯山は,地形図上では単一の山であるが,この山をとりまく等高線から明らかなように,北60°西方向に,長さ1.8kmに達する長い稜線をもった特徴ある山体をつくっており,地質図に示したように山体の中央部付近を境界にして,東半部と西半部とでは溶岩の岩質に差異がある.したがってこの山体は,東峯溶岩と西峯溶岩との,2回の噴出期にわたって形成されたそれぞれ独立の山体が合体して,単一の山体を形成するに至った双子の火山体である.山体の規模はどちらもほぼ等しい.最高点は西峯溶岩からなっており,東峯の最高点(2,395m)は,郡界が東西から南北に屈曲する角にある.
縞枯山の東峯は,山稜部の東端を除いて満足な露頭がなく,西峯溶岩との境界について正確を期しがたい.地質図では,一応郡界(登山道)のやや西よりの等高線にみられる浅い溝を境界とした.
山麓部では,林道大石川線の切りわりに塊状溶岩の末端が露出している.この付近では,空中写真で不明瞭ではあるが,グルーブが残存しているのを認めうる.同じく東峯の東下・標高2,350m付近からは,ややグルーブの明瞭な溶岩が北東に向って流下し,雨池の西に達している.この溶岩の表層部は径20cm~3m大の岩塊からなり,同源捕獲岩にとみ,かつ流理構造が顕著である.追跡しうる範囲で,幅は最大250m・延長は約1kmである.グルーブの特徴から推して,東に流れ下ったものの上位にあるようである.
溶岩分布の末端標高は2,040mで,頂部との比高差は約460mである.
山体の南面はかなりの急傾斜で,茶臼山との鞍部に達しており,地形図で判断するかぎり,東峯溶岩は茶臼山下部溶岩の上位をおおっているかのようである.これらの溶岩は,小角礫を伴う厚さ約1.5m以上の褐色ローム,およびのちにのべる雨池軽石におおわれている.
岩石は肉眼的に緻密~多孔質・灰~黒色・細~中粒で斑晶斜長石が目だつ.
鏡下の特徴
斜長石・普通輝石・紫蘇輝石・鉄鉱
ガラス基流晶質組織.斜長石・普通輝石・紫蘇輝石・ガラス(無色)・鉄鉱・黒雲母・燐灰石・鱗珪石

主稜をつくる溶岩丘群の西側にあって,渋川の北,蓼科湖の東,滝の湯川の南に,西傾斜の緩斜面(蓼科高原)をつくって広域を占める溶岩.各ルートに沿って多数の溶岩を認めうるが,とくに標高1,400m・1,700m付近などに,数段の地形上の不連続を認めることができ,全体としては非常に多数の溶岩と火砕岩からなっている.すでにのべたように,分布・層序などからみて,縞枯山・茶臼山などの形成に伴って噴出されたものと考えられ,「諏訪」図幅地域内では菅沢火砕流(河内ほか,1967)がこの溶岩に対応している.溶岩は輝石安山岩質であるが,かんらん斑晶の有無および量などの点で,かなりの変異性がある.空中写真を詳しく観察すると,地質図に示したように,多数のグルーブが保存されているのを判読することができる.
この溶岩の南限は,渋川の北岸にあって横谷峡溶岩をおおっているが,標高1,300m・1,450m・明治湯付近などでは現在の谷のへりにまで露出している.また,すでにのべたように,麦草峠(第25図)に至るバス道の一等三角点地点1,939m地点と,その北西の日影木場沢などでは,下位の横谷峡溶岩が一部露出している.
一方,城の平南東約1kmには,地形図にみられるように南北100m・東西200mの凹地がある.この凹地周辺の岩石は,著しい硫気変質をうけ白色化しており,かつての噴気孔の存在を示している.近年この場所に深さ約100mのボーリングが行われて,約90℃の水蒸気がくみ上げられているこの場所は,ちょうどすでにのべた八子ガ峯断層の南方延長部に相当している.
溶岩は30cm~5m大の岩塊状を呈するものを主としているが,厚さ1~15mで板状節理の発達するタイプもすくなくない.肉眼的には一般に緻密~多孔質・黒~灰色であるが,ときにきわめて多孔質・真黒色でアア状を呈するものがある.また,しばしば同源捕獲岩を含む.
鏡下の特徴
斜長石・かんらん石・普通輝石・紫蘇輝石・鉄鉱・(燐灰石)
ガラス基流晶質―安山岩質,ときに隠微晶質あるいは間粒状組織.斜長石・ガラス(無~淡褐~褐色)・普通輝石・紫蘇輝石・鉄鉱・燐灰石・鱗珪石・クリストバル石・黒雲母・ジルコン
斜長石・普通輝石・紫蘇輝石・かんらん石・(石英).かんらん石はしばしば斜長石に次いで多いことがある.
ガラス基流晶質・隠微晶質組織.ガラス(無~淡褐~褐色)・斜長石・普通輝石・紫蘇輝石・鉄鉱・燐灰石・鱗珪石(クリストバル石)・黒雲母・アルカリ長石
斜長石・普通輝石・紫蘇輝石・鉄鉱・(燐灰石)
安山岩質~ガラス基流晶質~隠微晶質組織.斜長石・普通輝石・紫蘇輝石・ガラス・(淡褐―褐色)・鉄鉱・(鱗珪石・クリストバル石・石英)・燐灰石・黒雲母・アルカリ長石
斜長石・普通輝石・紫蘇輝石・鉄鉱・(角閃石,褐~黄褐色)
ガラス基流晶質組織.斜長石・ガラス(淡褐~褐色)・普通輝石・紫蘇輝石・鉄鉱・燐灰石・鱗珪石

蓼科山・茶臼山・横岳・縞枯山・大岳・雨池・雨池東壁・八柱山・浅間山
図幅地域のほぼ中央・大石川本沢と水無川にはさまれた池の平牧場をつくって分布する溶岩.溶岩は茶臼山あるいは縞枯山付近から流出し,大石川の谷に沿って流下したものである.池の平牧場の駒出池付近まではほぼ東西に分布しているが,これより先は北東に向きを変え,大石川佐久平上水道取入口にまで達している.推定噴出源から末端までは10kmを超え,比高差は1,100mを超える.溶岩の幅は池の平牧場内でもっとも広く約1kmあり,駒出池から先では500mである.こうした分布上の特徴は,この溶岩がかなり流動性に富んでいたことを示している.
溶岩の厚さは1~15mで,全体では7~8枚を数えることができる.噴出源付近では,30cm~数m大の岩塊状をなすことが多いが,他では一般に厚さ10~15cmの板状節理が発達した溶岩流からなる.駒出池付近およびその下流では,大石川スコリヤを直接不整合でおおっており,これから山体よりでは春日火山岩類を不整合でおおっている.
岩石は緻密・灰~黒色・細~中粒で同源捕獲岩を含む.
鏡下の特徴
斜長石・普通輝石・紫蘇輝石・鉄鉱・(かんらん石・石英)
ガラス基流晶質組織.斜長石・ガラス(淡褐―褐色)・普通輝石・紫蘇輝石・鉄鉱・鱗珪石・石英・アルカリ長石・燐灰石・黒雲母
丸山の北850m・麦草峠の南500mにある,標高2,215mの偏平な山体を構成する溶岩山体はほぼ円形の整った形をしている.全体に好露頭に乏しく,溶岩流のグルーブはもちろん,火口跡も認められず,果して独立した火山であるか否かなどについては疑問がある.ただ丸山溶岩と接するあたりでは,等高線に明瞭なくびれがみられる.溶岩の分布範囲についても,詳しいことはわからない.地質図に示した範囲で南北500m・東西1km,麦草峠からの比高差は約100mである.
岩石は肉眼的に多孔質・黒色・細粒でかんらん石の斑晶を認めうる.
鏡下の特徴
斜長石・普通輝石・かんらん石・紫蘇輝石・鉄鉱
ガラス基流晶質組織.斜長石・ガラス(無~褐色)・普通輝石・鉄鉱・かんらん石
縞枯山の西半分を構成する溶岩.最高点は2,402mに達する.全山厚い森林におおわれており,好露頭に恵まれていないため,この山を構成する火山岩類の分布や,特徴を正確にとらえることはできない.ただ,空中写真によるかぎり,溶岩は山体の南・西斜面で,不明瞭ではあるがグルーブを保存しており,標高2,190m付近にいたって,真西へ流れる溶岩と南西へ流れる溶岩とに2分して,その末端は1,900mおよび2,040m付近に達しているようである.したがって,溶岩の末端と最高地点との標高差は約500mである.火口跡は残っていない.山頂には径40mたらずでとじる2,400m等高線が,北西と南東とにわかれて2つあり,南東側が2,402mの独立標高点となっている.
溶岩は肉眼的に多孔質~緻密・黒~灰色・細・中粒で同源捕獲岩を含み,流理構造が発達した,径30cm~数m大の岩塊からなっている.
鏡下の特徴
斜長石・普通輝石・紫蘇輝石・鉄鉱・かんらん石・石英
ガラス基流晶質―安山岩質組織.斜長石・普通輝石・紫蘇輝石・ガラス(淡褐色)・鉄鉱・クリストバル石・燐灰石
以上の,溶岩の肉眼的・顕微鏡的特徴は,ともに蓼科高原溶岩によくにている.
北八ガ岳火山群のほぼ中央に,茶臼山(2,365m)をつくる溶岩.山の地形はその名のとおり,やや偏平な円錐形をなす.とくに2,300m等高線より上は,南北500m・東西350mでととのった楕円形をなす.頂部に径30mたらずの,まわりよりほんの少しだけひくい凹地があり,おそらく火口跡であろう.山体の下方は,郡界に沿って南東方向に700mほどのびる尾根があり,南端は大石峠に達している.こうした地形は,茶臼山が大きくわけて前後2回の溶岩の噴出期をへて,形成されたことを示しているのかもしれない.実際,溶岩の岩質をみると,頂部の溶岩には肉眼的にも,かなりの量のかんらん石斑晶が存在しているのを認めうるが,下半の溶岩ではそれほど目立たない.しかし,両者の境界は深い森林におおわれているため,地形上の特徴を除くと不明瞭である.
茶臼山下半の溶岩は,頂上から郡界沿いに南東にのびる尾根をつくっており,その最高点は標高2,300m,最低点は大石峠の2,145mである.この間,溶岩の幅はほぼ一定で約900mである.溶岩の北・西方向への延長部は不明であるが,以上の範囲内での比高差は155mである.尾根の東端に近く,2,232.0mの独立標高点がある.
岩石は多孔質~緻密・灰~黒色・細粒の塊状溶岩からなっている.
鏡下の特徴
斜長石・普通輝石・紫蘇輝石・鉄鉱・(角閃石(褐色))
ガラス基流晶質組織.斜長石・ガラス(淡褐~褐色)・普通輝石・紫蘇輝石・鉄鉱・燐灰石
一方,茶臼山上部の溶岩は頂部の円錐形の山体をつくっており,空中写真によると,下限は山頂の東側では,わりにはっきりしているようにみえる.しかし,西側は露頭に乏しい上,蓼科高原溶岩と岩質がよくにているため,正確な境界はわからない.地質図では一応地形の変る標高2,200m付近にして記してある.露岩は山頂部とその西斜面に,わずかにみられるにすぎず,多孔質~緻密・灰~黒色・細粒の,塊状~スラブ状溶岩で,その表層部の岩塊は径20~30cmから数mに達する.かんらん石斑晶に富む.
この頂部の山体は,雨池山のような形のととのった溶岩丘とも,横岳などのようなるいるいたる岩塊の累積からなる溶岩丘とも異っており,頂部が平坦で不明瞭ながら火口跡をもつなどの特徴がある.岩石はかんらん石を含み,かなり苦鉄質である.
鏡下の特徴
斜長石・普通輝石・かんらん石・紫蘇輝石・鉄鉱
細粒安山岩質~隠微晶質組織.斜長石・普通輝石・紫蘇輝石・鉄鉱・かんらん石
丸山(2,329.6m)を構成する溶岩.丸山はその名のように形のととのった円錐形の山体をなし,山頂まで森林におおわれている.溶岩は,西へは冷山の東山腹まで,およびその北方・逆川の源流部付近まで,東へは白駒池の南・北岸に達している.これらの溶岩には,グルーブが比較的よく保存されており,いくすじもの細い流れとなって流下しているようにみえる.先端は標高1,670m付近に達している.溶岩は地表にみられるかぎり,すべて数m大の岩塊からなる.また丸山の南下,高見石(第26図)に至る登山道北側にひくい尾根をつくる溶岩も,以上にのべた溶岩と同一の溶岩からなり,累々とした岩塊のつみ重なりからなり,賽の河原と呼ばれている.
保存されているグルーブから推定すると,丸山から冷山に至る尾根を構成する溶岩流は,逆川源流部に分布する溶岩流よりも,後期に噴出されたものであるらしい.東へ流れた溶岩は,高見石で1~5m大の累々たる岩塊のつみ重なりからなる岩峯(比高約60m)を形成し,ここから北に向って白駒池の北岸に至るものと,そのまま東に流れ下るものとに2分している.白駒池は,白駒池東峯溶岩とこの丸山溶岩とにかこまれた,凹地に湛水したものである.丸山溶岩の厚さは,地質図に示したように,あちこちで下位の稲子岳溶岩がみられることから推して,あまり厚くないものと考えられる.

岩石は丸山の三角点をとりまく標高2,280mより高い部分では,かんらん石斑晶にやや富んでいるが,その他の部分ではかんらん石はややすくなく,若干の差異があるようである.とくに高見石を構成する溶岩では,かんらん石はまれで同源捕獲岩に富み,流理構造が顕著である.
溶岩分布の末端との比高差およびその到達距離は,西側ではそれぞれ460mと2.5km,東側では200mと1.5kmである.
岩石は肉眼的に,多孔質~緻密・黒色・細~中粒である.
鏡下の特徴
斜長石・普通輝石・紫蘇輝石・かんらん石・(鉄鉱・角閃石(濃赤褐色)・石英)
ガラス基流晶質組織.斜長石・ガラス(淡褐~褐色)・普通輝石・紫蘇輝石・鉄鉱・鱗珪石・クリストバル石・燐灰石
なお,高見石を構成する溶岩は,肉眼的に,多孔質・灰色・細~中粒で鏡下の特徴はつぎのとおりである.
斜長石・普通輝石・紫蘇輝石・(かんらん石)
ガラス基流晶質組織.斜長石・ガラス(淡褐色)・普通輝石・紫蘇輝石・鉄鉱・クリストバル石
白駒池の東にある標高2,070mの低平な山体・白駒池東峯をつくる溶岩.この山体は北東に長いが,同質の溶岩が白駒池の北側にも,2,150mの山峯を形成して分布しており,これらを一括して白駒池東峯溶岩とよぶことにする.溶岩はこの白駒池を西端として北北東に流れ,約7kmへだたった五箇の南方に達している.しかし,その分布の幅は比較的せまく,一般に700~800mで,最狭部は約150mにすぎない.また,白駒池北東の一等三角点2,084.2mの付近は,下位の稲子岳溶岩が露出しており,溶岩はこの尾根をさけて,その南・北両側を流れ,再び合流して流下している.標高1,900m付近から下方では,空中写真によってかなり明瞭なグルーブが保存されているのを認めることができる.
溶岩は1枚の厚さ6・7mで,全体で6・7枚あり,間に火砕岩をはさむ.一般に板状節理が発達しているが,これらの一部には30cm~5m大の岩塊状を呈するものがある.肉眼的には緻密~多孔質・灰~黒色・細粒で流理構造を認めることができ,同源捕獲岩に富む.
鏡下の特徴
斜長石・普通輝石・紫蘇輝石・鉄鉱・(かんらん石・石英・角閃石(緑褐色)・燐灰石)
ガラス基流晶質組織.斜長石・ガラス(淡褐~褐色)・普通輝石・紫蘇輝石・鉄鉱・燐灰石・アルカリ長石・クリストバル石(鱗珪石)・黒雲母
中山峠の北西側にあり,稲子岳溶岩の西斜面に噴出した火山で,前蓼科山とともに,非常に偏平な溶岩丘の一つである.火口あるいは火口跡は認められない.山体の大部分は森林におおわれており,さらに頂部にはハイマツがみられる.最高点(2,507m)の北約300mにも,2,485mの峯があり,この峯と最高点との間は,くびれていて小鞍部を形成しており,この鞍部に向って西側から渋川の源流をなす浅い谷が入りこんでいる.谷の南北両側は,ゆるやかに西に傾斜した尾根を形成している.中山がこのように双頭の山体を形成している原因としては1)2つの峯はそれぞれ独立の噴出中心をもち,中山はこれらがたまたま合体してでき上ったものである.したがって中山は,縞枯山のように“双子”の溶岩丘である.2)侵蝕地形.3)噴出中心は一つで,溶岩流の流出のしかたの差異によって偶然にできた地形など3つの場合が考えられるが,1)は,岩石の特徴がともに全く同一であること,2)は中山の地形が新鮮でこのような侵蝕は考え難いこと,などから3)がもっとも妥当である.
溶岩の分布は,この溶岩が稲子岳溶岩の北西斜面上に噴出されたため,北東から西に広く,東および南にせまい.そして最高点から西へは,渋の湯上の渋川2俣付近までの1.9km,北へは丸山との鞍部まで,また,北東側へは白駒池の南方までの各1.5kmにわたる.溶岩分布の末端高度は,渋の湯東方の1,960m付近であり,したがって最高点との落差は約550mである.
溶岩は肉眼的に多孔質・灰~黒色・細粒で,地表に露出しているかぎり0.5~数m大の岩塊からなり,中山頂部付近ではとくにスラブ状を呈し,流理構造が顕著である.
鏡下の特徴
斜長石・紫蘇輝石・普通輝石・鉄鉱・(角閃石(褐色))
ガラス基流晶質組織.斜長石・ガラス(褐~淡褐色)・紫蘇輝石・普通輝石・鉄鉱・燐灰石・クリストバル石
八ガ岳火山列中,もっとも新期に形成された火山の一つで,南八ガ岳火山群の北端を占める.噴出物の大部分は「八ガ岳」図幅地域内にあり,この図幅地域内にはごく一部がみられるにすぎない.
硫黄岳(2,742m,第27図)の南・西・北側は断崖をなし,それぞれ柳川・鳴岩川・湯川の源流をなす.一方,東側へはゆるやかな裾野をひいている.これらのうち,図幅地域内には湯川の源流に当る部分と,山頂から東側にひろがる裾野の一部のみが含まれている.
湯川源流部の断崖は,稲子岳―天狗岳―箕冠山から一連のもので,この硫黄岳に至って北側に凹面を向けて湾曲している.湾曲部の直径は1km以上あり,山頂と凹地底との比高差は550mをこえる.この凹地は,大月川泥流をもたらしたかつての爆裂火口が,さらに崩壊・侵蝕などによって拡大されてできたものである.火口底には52℃の温泉が湧出している.
硫黄岳北壁には,中央上部に厚い,垂直の崖をつくる著しい溶岩があり,これを下部溶岩とする.これより下位は本沢溶岩・スコリヤ期の比較的うすい溶岩約10枚と,火砕岩の互層からなり,全体にわたって著しい硫気変質をうけている.
下部溶岩の上約40mは,溶岩をはさむ火砕岩からなり,これらを上部溶岩とする.この上部溶岩は火口壁の最奥にあり,その分布位置は「八ガ岳」図幅地域北端にあってこの図幅内には分布しない.
最上部は溶結した火砕岩からなり,現地形に忠実に,以上の下・上部溶岩を明瞭な不整合でおおっている.一方,硫黄岳の山頂付近には,パン皮火山弾が散在している.結局硫黄岳の形成は,下位から下部溶岩・上部溶岩・溶結凝灰岩・パン皮火山弾の4期に分けて考えることができる.

硫黄岳北壁の中央上部に,垂直の壁をつくって露出する柱状節理の顕著な溶岩.厚さ約40m.構造はみかけ上ほぼ水平に近い.南方に追跡すると,ジョーゴ沢の源流に露出している.溶岩の下限は,一部で若干厚さを増し,下方にふくれているところもある.溶岩の東西両端は頂部をおおう溶結火砕岩層で,明瞭な不整合によって被覆されている.
岩石は肉眼的に緻密・黒色・中粒で斜長石斑晶がややめだつ.
鏡下の特徴
斜長石・普通輝石・紫蘇輝石・(角閃石(褐色)・鉄鉱)
隠微晶質組織.ガラス(淡褐色)・(斜長石・普通輝石・紫蘇輝石・鉄鉱・黒雲母・鱗珪石・燐灰石)
硫黄岳の頂部をつくる溶結凝灰岩(第28図)・溶結スコリヤなどの一括呼称.現地形にきわめて忠実に分布し,下位の噴出物とは明瞭な不整合で接している.分布の主部は「八ガ岳」図幅地域内にあり,この図幅地域内では,その北東延長部の一部がみられるにすぎない.硫黄岳の北壁・南西壁に垂直の崖をつくって露出しており,厚さは場所により異り,3~15mである.柱状節理が発達しており,ところによっては弱溶結の凝灰岩およびスコリヤであったり,スコリヤ集塊岩であったりする.中に径30cm大のガラス質岩塊をかなり伴う.一部には溶結度がかなり高く,一見すると溶岩のようにみえるものもある.
本沢温泉の南東に断崖をなす2,460m峯では,岩峯をつくる下部溶岩の直上にうすくのっている.
肉眼的特徴:多孔質~緻密・灰色で暗色岩片に富み,全体は弱い溶結を示す.
鏡下の特徴
斜長石・普通輝石・紫蘇輝石・鉄鉱・(かんらん石・角閃石)
弱溶結(隠微晶質)構造.ガラス(無~褐色)・(斜長石・普通輝石・紫蘇輝石・鉄鉱・鱗珪石・燐灰石)
付)パン皮火山弾
硫黄岳山体の表層に散在する緻密・黒色・細粒・ガラス質のパン皮火山弾(第29図)で,大ダルミ付近で大きさ50cm大のよい標本を観察できる.同じ火山弾は稲子岳上にもみられる.硫黄岳最末期の噴出物を代表している.
鏡下の特徴
斜長石・普通輝石・紫蘇輝石・(かんらん石)
隠微晶質組織.ガラス(褐色)・(斜長石・紫蘇輝石・普通輝石・燐灰石)
なお,硫黄岳大ダルミ付近(標高2,650m「八ガ岳」図幅地域内)は八ガ岳随一の“お花畠”となっている.


小海町豊里牧場・溝の原・宿渡・筆岩西方,八千穂村佐口西方・中畑および下畑西方などに分布する泥流堆積物,泥・砂・礫層,軽石・スコリヤ層などからなる地層の一括呼称.
泥流堆積物は上述の地域で,主として谷沿いおよび低い尾根をつくって分布している.1枚の厚さは2~5mで,他の地層をはさんですくなくとも2枚ある.いずれも径1~30cm大の粘板岩・チャートなどの基盤岩類および各種輝石安山岩・角閃石安山岩およびデイサイトからなる角礫と,ときに数m大の大石川スコリヤの成層岩塊などを伴う.無層理・無淘汰である.木片もしばしば伴われているが,いずれも炭化していない.基地は黄褐~茶褐色,砂質の火山灰からなり,中に数cm大の軽石・黒曜岩片・輝石などを多数伴っている.
泥・砂・礫層は千曲川沿いの地域にのみみられ,おそらく上述の泥流によってせきとめられた各地の,小凹地に推積したものと考えられる.厚さ10~30cmで,10cm前後大の円~亜円礫を主とするスコリヤ質の礫層と,黄・褐・黒色などを呈する砂層からなる.礫層の中には角閃石安山岩質軽石を伴うものがあり,また,泥・砂層にはクロスラミナが発達しているものがある.
軽石層は厚さ50cm,3cm大の白色角閃石安山岩質軽石からなり,スコリヤ層は厚さ10cmで5mm大の褐色スコリヤからなる.ともに降下堆積物としての特徴を保存している.
小海町五箇付近から本間川沿い,本間西方,鎰掛および馬流西方などに小分布するスコリヤ流堆積物(第30図).いずれも谷あるいは斜面にへばりついたような分布を示す.全体に無層理・無淘汰の堆積物で,本間川沿いで最大層厚は5mである.スコリヤは径1~100cm大,5cm大が多く,黒色スコリヤを主体として縞状スコリヤ,および10cm大以下の黄色軽石を伴う.また,パン皮火山弾多数を含む.基地は灰・褐・黒色の火山灰で,中に輝石単結晶を含む.またしばしば炭化木を含む.
岩石は肉眼的に多孔質・細粒で,輝石・かんらん石・斑晶を認めうる.
鏡下の特徴
斜長石・普通輝石・紫蘇輝石・(鉄鉱・かんらん石)
ガラス基流晶質組織.ガラス(褐色)・斜長石・普通輝石・紫蘇輝石・鉄鉱・燐灰石

麦草峠の北・大石峠の東約250mの森林地帯にあって,標高2,130mの等高線が小さな円を画いてとじるところに,径約70m・深さ40mの円形の凹地があり,地獄谷と名付けられている.凹地のまわり約150mぐらいの範囲は,ゆるやかな地形的高まりを示しており,溶岩流の岩質は付近のものとは明瞭な差異がある.よってこの凸地は火口跡であると判断される.八ガ岳では,独立の噴出中心をもった火山として最小のものである.またこの火口は,新八ガ岳期ではもっとも標高のひくいところに位置している.
溶岩の主体は4~5m大の岩塊状を呈し,緻密~多孔質・灰~黒色・細粒で流理構造をもち,同源捕獲岩を含む.表面から5mmぐらいは斜長石斑晶がかなり多い.火口底の岩の隙間には,盛夏でも氷が残存している.
鏡下の特徴
斜長石・普通輝石・紫蘇輝石・鉄鉱・(かんらん石・石英)
隠微晶質~ガラス基流晶質組織.ガラス(無~淡褐~褐色)・(斜長石・普通輝石・紫蘇輝石・鉄鉱・鱗珪石・燐灰石
天狗岳・硫黄岳・稲子岳などの東半の崩壊(おそらく磐梯山式噴火)でもたらされた泥流堆積物で,本沢温泉・みどり池付近から稲子湯をへて大月川沿いに松原湖付近,さらに小海から海尻にいたる国道および千曲川沿い,本間川左俣上流などに好露頭がある.
大型の角閃石斑晶に富む稲子岳溶岩のほか,崩壊地を構成していた各種・大小の安山岩塊と基地からなり,無層理である.各所で多量・炭化していない数m大に達する木片を含む.また岩片として,パン皮火山弾や黒曜岩小片を含む.厚さは低地を埋めて堆積しているため,場所ごとに著しく異なるが,芦平付近では見かけ上50mを越えている.
この堆積物の大きな特徴の1つは,基地が硫気変質によって漂白されていたり,また褐・赤褐色を呈していたりしていて,強い硫気臭を伴うことである.さらに一部では,硫黄そのものの塊りをも含んでいる.全体は多数のflow unitsからなり,場所によっては白・赤褐など異った基地の色を示す堆積物が上下に重っている.
この堆積物のもう一つの特徴は,松原湖付近を中心に大小多数の流れ山を形成していることで,松原湖(群)・みどり池・かっぱ池などは,これらの流れに山間の凹地に湛水したものである.
流れ山の大きさは径数mから400m,比高1mから50mなどさまざまで,5万分の1地形図に表現されているものだけでも30コ以上を数えうる.流れ山を構成する岩塊は,5m大の稲子岳溶岩が主体であり,基地は上述のように漂白された角礫や砂が埋めている.
八ガ岳山麓の泥流堆積物で流れ山を形成しているものには,他に南麓の韮崎型火砕流があるが,これとは堆積物の層相・規模などで著しい差異がある.
この堆積物の上位には,厚さ約70cmのローム層がのっている.
八ガ岳火山列の最北西端に,やや孤立してひときわ高くそびえる大型の溶岩丘(第31図)で,北八ガ岳では天狗岳・箕冠山に次ぐ第3の高峯(2,530.3m)である.すでにのべた前蓼科山から南西にのびて,すずらん峠にいたる山稜のほぼ中間点の頂部に噴出したもので,標高2,100m付近から上はかなり急峻な地形を示す.植生は中腹まで広葉樹・針葉樹の混合林で,頂部はハイマツからなる.頂部に径約120mの火口跡があるが,その深さは2mたらずで,るいるいとした岩塊状の溶岩で完全に埋っている.
溶岩は地質図に示したように,天祥寺原溶岩(Ta1)・西溶岩(Ta2)・番小屋溶岩(Ta3)・南溶岩(Ta4)・桜谷溶岩(Ta5)・山頂溶岩(Ta6)に6分して考えることができ,空中写真によるグルーブを検討すると,これらはさらにTa1~3とTa4~6に2大区分されるようにみえる.しかし,これらのいずれの溶岩も,急斜面にのぞむあたりから上は,植生その他のために,相互の境界を完全にはおさえることができない.ここでは,Ta1から順次に説明を加えることとする.

蓼科山の土台をなす溶岩で,三角点の真南およびその南東下・天祥寺原の北側に分布する.先端は滝の湯川源流部の標高1,880m付近に達している.分布の西端は,前蓼科山の南西延長部をつくる2,161m峯の東山腹である.一方,東端は前蓼科山でさえぎられているが,天祥寺原一帯では,崖錐堆積物におおわれていて詳しいことはわからない.グルーブはほとんど識別できない.
溶岩は厚さ数mの溶岩流であるか,あるいは径数m大の岩塊からなっており,肉眼的に灰色・緻密・細粒である.
鏡下の特徴
斜長石・普通輝石・紫蘇輝石・角閃石(緑褐色)・(鉄鉱・かんらん石)
ガラス基流晶質組織.斜長石・ガラス(淡褐色)・普通輝石・紫蘇輝石・鉄鉱・鱗珪石・燐灰石
蓼科山の真西に流れ,蓼科牧場―大石峠(すずらん峠)間の有料道路の西側に達しいてる溶岩.その主部の幅は,600~750mでほぼ一定であるが,先端部は幅160mで,さらに北西方向に向い塩沢堰の西側・標高1,530m付近に達している.全体にわたってかなり明瞭なグルーブを保存している.推定噴出源と溶岩流の末端との比高差は,700mを超えており,到達距離は約2,700mである.溶岩は主として30~100cm大の岩塊からなり,緻密・黒色・細粒である.
鏡下の特徴
斜長石・普通輝石・紫蘇輝石・角閃石(褐色)・鉄鉱
ガラス基流晶質組織.ガラス(淡褐色)・斜長石・普通輝石・紫蘇輝石・鉄鉱・燐灰石.
蓼科山の頂上付近から北西に流下した溶岩.空中写真上で比較的保存がよいグルーブを
たよりに検討すると,山頂からほぼ直線的に1,842m峯に向って流下した溶岩と,山頂の北側にある桜谷をへて,標高1,700m付近で西へ屈曲し,蓼科牧場―大石峠間の有料道路をこえ,西へ流れて番小屋に達し,さらに1,560.4mの一等三角点をつくっている溶岩などにわけられる.また上述の山頂から直線的に北西に向った溶岩は,1,842m峯にぶつかつて2分されており,全体としては,若干の間隙をおいて流出したすくなくとも数回の溶岩流によって構成されている.これらのうちでは,もっとも遠方に達している番小屋溶岩が,もっとも後期の溶岩であるらしい.これらの溶岩の到達距離は4km近く,幅は最大1kmをこえている.分布の末端の標高は1,480mであり,したがって噴出源との比高差は約800mである.岩石は肉眼的に緻密・黒色・細粒で主として30cm~数m大の岩塊からなる.
鏡下の特徴
斜長石・普通輝石・紫蘇輝石・角閃石(褐色)・鉄鉱・(黒雲母・かんらん石)
ガラス基流晶質組織.斜長石・ガラス(淡褐色)・普通輝石・紫蘇輝石・鉄鉱・燐灰石・鱗珪石
蓼科山三角点の南方にあって,天祥寺原溶岩の上位を南東方向に流れ,滝の湯川の源流に達してその先端が南西に向っている溶岩.幅は最大150mで,長さは1,300mにわたって追跡でき,でき上った形はけものの尾のようにみえる.この溶岩の境界は,地形図上でも標高2,200m付近まではよく追跡できるが,これよりさらに上方ではよくわからなくなる.溶岩の末端は標高1,880mで,大河原峠にいたる登山道わきに達している.
岩石は肉眼的に緻密・灰色・細粒で,主として1~2m大の岩塊のつみ重なりからなる.
鏡下の特徴
斜長石・普通輝石・角閃石(褐・赤褐色)・紫蘇輝石・鉄鉱・石英
ガラス基流晶質組織.斜長石・ガラス(淡褐色)・普通輝石・紫蘇輝石・鉄鉱・燐灰石・鱗珪石
蓼科山の北方・馬返しから,将軍平にいたる登山道の両側に沿ってみられる溶岩を,桜谷溶岩という(実際の桜谷はさらに谷を1つへだてた西方にある).この溶岩は,山頂付近から流出し,ほぼ真北に向って,標高2,020m付近まで流れ下ったもので,その幅は最大150m,全長約1,000m,末端との標高差は約300mである.溶岩は角閃石斑晶がめだち緻密・灰色で,主として30~100cm大,流理構造の発達したスラブ状岩塊からなる.空中写真によると,グルーブはかなり明瞭である.
鏡下の特徴
斜長石・角閃石(赤褐色)・紫蘇輝石・普通輝石
ガラス基流晶質組織.斜長石・ガラス(無~淡褐色)・普通輝石・紫蘇輝石・鉄鉱・鱗珪石・燐灰石・黒雲母
蓼科山山頂部付近の急峻な山体を構成する溶岩で,標高2,300m付近より上位の約230mをつくる.北斜面には,空中写真上明瞭な北に凸のグルーブが発達している.
溶岩は,黒色・緻密・細粒の,径1~5m大の岩塊のつみ重なりからなり,流理構造が顕著で,同源捕獲岩を含む.分布上の特徴から推して,かなり粘性に富んでいたものであろう.
山頂部には,径約120m,深さ2mの火口跡があり,るいるたる溶岩塊で埋まっている.
鏡下の特徴
斜長石・単斜輝石・斜方輝石・角閃石(黄褐・褐・緑色)・鉄鉱・(かんらん石)
ガラス基流晶質組織.斜長石・ガラス(無~淡褐色)・斜方輝石・単斜輝石・鉄鉱・燐灰石
八ガ岳では,もっとも新しい溶岩流を噴出している火山(第32図)の一つである.山頂(2,472.5m)部には,8つの浅い火口跡があり,そのうち,内側にある2つをとりかこむように形成された6つの火口から,四方にグループのきわめて明瞭な7枚の溶岩と,1枚の降下軽石が噴出している.これらをまとめて側火口噴出物という.内側2つの火口から噴出した溶岩は,この側火口噴出物の下位にあって,横岳の三角点をふくむ急峻な山体を形成しており,これを中央火口溶岩という.以上のさらに下位には,横岳の土台をなして基底溶岩からなるかなり大きな山体が存在している.結局,横岳の形成は,1)基底溶岩2)中央火口溶岩3)側火口噴出物の3つの噴出期にわけることができる.

横岳の直下にその土台をなして比較的大きな山体を形成している溶岩.しかし,現在みられる地表の分布は,上位の溶岩におおわれていて分断されていたり,さらに大部分の範囲が深い森林地帯であるため,明瞭な境界はおさえがたい.地質図上の分布の最高点は,横岳三角点の真南500mにある,標高2,340mの小峯で,分布面積はこの西側でもっとも広い.この小峯の南・西斜面は非常に急峻な地形をなしており,すでにのべた蓼科高原溶岩がつくる緩斜面との境界・標高1,860m付近に至っている.おそらく,分布範囲はこの付近に及んでいると考えられる.
横岳北麓では,標高1,900~2,000mの凹凸のある小峯をつくる.また東麓では,三つ岳の東下に小分布がみとめられる.
全体としてみると,分布の最高点は上述したように2,340m,最低点は1,860mで,その比高差は480mあり,分布範囲は東西3.5km,南北2km(+)である.
岩石は双子峯・前蓼科山などを形成したのと同じ時期に属する黒曜岩・安山岩などの30cm~数m大の溶岩塊からなる.そして黒曜岩はガラス光沢~松脂岩状の樹脂光沢をもち,安山岩は緻密―多孔質・灰黒色・細粒で同源捕獲岩を含み,顕著な流理構造を示す.
鏡下の特徴
きわめて少量の斜長石・普通輝石・紫蘇輝石・かんらん石・角閃石(褐色)
ガラス基流晶質―球顆状組織.ガラス(無・褐色)・斜長石・普通輝石・紫蘇輝石・鉄鉱・燐灰石
斜長石・普通輝石・紫蘇輝石・角閃石(褐色)・鉄鉱
隠微晶質―ガラス質組織.ガラス(淡褐~無色)
基底溶岩の上位にあり,グルーブの明瞭な側火口溶岩群におおわれている溶岩を,中央火口溶岩という.溶岩は非常に急峻な地形をつくっており,横岳の三角点はこの溶岩上にある.
三角点の南西および北西に,横岳ではもっとも大きい径100m・深さ50m;径150m・深さ30mの円形の火口跡2つがみられる.この2つの火口の形成順序や,それぞれが流出した溶岩を野外で識別することはむずかしい.
溶岩の一部,とくに北側へ流下したものには,空中写真でグルーブが認められるが,他は全体として不明瞭である.北東方向に流下した溶岩は,双子池の南岸にまで達している.分布をみると,南側では2,230mより上位にあって,八丁平の北縁を東西にのばした線に一致し,西はじは標高2,300m,北側では2,000mまで流下しており,基底溶岩のつくる山体の頂部にのっかつて,さらに一部が北および北東側にあふれ出たようにみえる.溶岩の分布のへりは一般に急地形を形成しており,この溶岩がかなりの粘性をもっていたことがうかがえる.
溶岩は多孔質~緻密・灰~黒色・細粒・径1~3m大の,岩塊からなり,同源捕獲岩に富み,流理構造が明瞭である.一部の表面はアア状を呈する.厚さは最大約200mである.
鏡下の特徴
斜長石・普通輝石・紫蘇輝石・角閃石(褐色)・鉄鉱
ガラス基流晶質組織.斜長石・ガラス(淡褐色)・普通輝石・紫蘇輝石・鉄鉱・燐灰石・鱗珪石・黒雲母
横岳中央火口溶岩のつくる山体のへりにできた,6つの火口からもたらされた噴出物の一括呼称で,これらは地名あるいはでき上った溶岩流のつくる分布形態などによって;
ポイント状溶岩・くつ下状溶岩・エプロン状溶岩→双子池溶岩・三つ岳溶岩→大岳溶岩→八丁平溶岩(→は比較的明瞭な時間間隙の存在を示す)
に7分される.いずれも顕著なグルーブを保存している.
注8)横岳三角点の北西約750m・標高2,350mに,径約75mの浅い火口跡があり,溶岩はこの火口からほぼ真北に向って,中央火口溶岩のつくる急斜面を流れ下っている.グルーブの保存は比較的よく,空中写真でもいくつかのもようを識別できる.
溶岩流の最大幅は650m,火口から末端までの距離は750m,分布の最高点と末端(1,960m)との比高差は約390mである.
1~5m大の塊状溶岩からなり,肉眼的には,多孔質~緻密・灰~黒色・細~中粒で同源捕獲岩に富む.
鏡下の特徴
斜長石・紫蘇輝石・角閃石(赤褐色)・普通輝石・鉄鉱
ガラス基流晶質組織.斜長石・ガラス(淡褐色)・普通輝石・紫蘇輝石・鉄鉱・燐灰石
横岳三角点の西方約300m・標高2,400m等高線の位置にある露岩の記号の南側に開口した径約100mの火口から,西に向って流下したくつ下状をなす溶岩.
中央火口溶岩および基底溶岩のつくる急斜面を,約160mの一定幅で1km流れおちたのち,蓼科高原溶岩のつくる緩斜面に到達してもり上り,さらに約600m下方に流れて“くつ下”のかかとをつくり,さらに北東へ600m流れてつま先を形成している.足のうらをつくる部分は,有料道路のすぐ近くまで達している.
この溶岩のすねに相当する部分は,原地形が急なため,表面の溶岩がすべて流れおちてしまい,下位の基底溶岩が直接露出している部分すらある.一方基底地形がゆるくなるかかと相当部では,急斜面ですべりおちた溶岩が厚くたまって,約50mの高さにもり上っており,つま先は後述のエプロン状溶岩の近くにまで達している.溶岩分布の最低地点は1,780mであり,噴出源との落差は620mである.
岩石は緻密~多孔質・灰~黒色・細粒で,主として1~3m大の岩塊のつみ重なりからなり,同源捕獲岩に富む.
鏡下の特徴
斜長石・紫蘇輝石・普通輝石・角閃石(褐色)・鉄鉱
ガラス基流晶質組織.斜長石・ガラス(淡褐色~褐色)・普通輝石・紫蘇輝石・鉄鉱・燐灰石
横岳三角点の北西750m・標高1,330mに開口した径75mの火口から,ほぼ真西に向って基底溶岩上の急斜面を流下した溶岩で,ちょうど横岳がエプロンをかけたようにみえる.表面には明瞭なグルーブが保存されており,西山麓からもよくその模様を望見することができる.
溶岩は流れの下方でより幅が広く,最大750mに達している.噴出口から末端までの距離は1,500mをこえ,末端は有料道路のすぐ近くに達している.くつ下状溶岩と同じく,厚さは斜面ではうすく,蓼科高原溶岩の上位に達して厚くなっている.
溶岩は肉眼的に緻密~多孔質・灰~黒色・細粒で,主として一般に数m大・しばしば15m大をこえる岩塊からなり,同源捕獲岩に富む.分布の最低地点は1,620mで,噴出源との落差は750mである.
この溶岩の一つの特徴は,末端から南西方向に向って幅50~150m・長さ600mの細長い二次溶岩流が形成されていることである.これは,末端で溶岩が一旦厚くたまったのち,内部の流動性を保持していた部分が,外部の皮殻を破ってさらに前方に流下したために生じたものである.この二次溶岩流の末端は,有料道路わきに露出している.
鏡下の特徴
斜長石・普通輝石・紫蘇輝石・角閃石(褐~赤褐色).
ガラス基流晶質組織.斜長石・ガラス(淡色)・普通輝石・紫蘇輝石・鉄鉱・燐灰石
大岳の北側にあって,南佐久郡と茅野市の境界を形成する尾根にのびる溶岩.三つ岳・大岳溶岩の下位にあり,大岳直下を北流して双子峯から真南にのびる細長い尾根の南端にぶつかり,先端が2分して,一方は北東に向って双子池の中間に達し,他方は亀甲池の東岸に達している.溶岩上には独立標高点(2,182m)がある.
この溶岩の噴出源は不明であるが,分布からみて大岳溶岩の火口付近と推定される.グルーブは明瞭である.
双子池は元来単一であったものが,この溶岩によって2分され,亀甲池は東側にさらにひろがっていたものが,その大半を埋めたてられて今日の姿になったものである.これらの池は,元来は溶岩丘間の凹地に形成されたもので,その時期はほぼ同時であったと考えられるが,このように今日の姿に完成されたのも同時である.なお,亀甲池底にはその名のとおり,きれいな亀甲状の構造土が発達している(第33図).
溶岩は郡界尾根の部分で幅約500m,厚さはおそらく60mをこえている.到達距離は大岳溶岩と,同一の火口から流出したものとして約2kmあり,分布の最低点は2,140m,最高点は約2,400mである.
岩石は緻密・灰~黒色・中粒,数m大までの塊状溶岩からなり,同源捕獲岩を含む.
鏡下の特徴
斜長石・紫蘇輝石・普通輝石角閃石・角閃石(褐・赤褐色・鉄鉱)
ガラス基流晶質組織.斜長石・ガラス(無~淡褐色)・紫蘇輝石・普通輝石・鉄鉱・鱗珪石・燐灰石

三つ岳(2,362m)を構成する溶岩で,その噴出中心は横岳三角点の東方約350mにある七つ池付近にあり,つぎにのべる大岳溶岩とほとんど共通の火口から流出したものと考えられる.溶岩はここから中央火口溶岩のつくる山体の斜面に沿って東へ流れているが,この溶岩のほとんど真上を大岳溶岩がおおっており,したがって現在みられる露出部分はこれからはみ出した部分,すなわち南側は三つ岳を形成する部分,北側は郡界をまたぐ天狗の露地を形成する部分である.
三つ岳付近では,郡界をつくってほぼ東西の細長い尾根をつくっている.噴出源から末端までの距離は1.3kmで,溶岩の流動方向に平行な東西性のグルーブが顕著である.
北側の天狗の露地を形成する溶岩は,郡界沿いに北へ約350m流れて止っている.噴出源から末端までは,溶岩の流路に沿って約850mである.天狗の露地付近で,溶岩の流動方向に直交するグルーブが顕著である.
岩石は多孔質・灰色・細粒,1~数m大の塊状溶岩からなり,同源捕獲岩に富む.
鏡下の特徴
斜長石・普通輝石・紫蘇輝石・角閃石(褐・濃赤褐色)・鉄鉱
ガラス基流晶質組織.斜長石・ガラス(無・褐色)・普通輝石・紫蘇輝石・鉄鉱・燐灰石・鱗珪石
大岳(2,381m)を構成する溶岩で,その噴出中心は横岳三角点の東方約350mにある七つ池にある.七つ池は,いくつかの浅い池あるいは湿地の集合体であるが,空中写真によると火口は地質図に示したようにそのうちの2つであり,他はグルーブの凹地であるらしい.火口の大きさは約70mの円形,および40×60mの南北に長い楕円形である.この2つの火口形成の前後関係はわからない.溶岩はこれら2つの火口から東北東方向に流れ,三つ岳の東縁から大岳川の最源流部に向ってなだれおちるように流下している.その到達距離は約1.8km,最大幅は600m,厚さは約40mである.全体にわたって明瞭なグルーブがそのまま保存されており,とくに基底地形に段差のある,三つ岳の北方でその密度が著しい.溶岩は灰~黒色・細粒・多孔質で,一部にはコークス状を呈するものすらあり,同源捕獲岩に富む.1~5m大の塊状溶岩からなる.
鏡下の特徴
斜長石・紫蘇輝石・普通輝石・角閃石(褐色)・鉄鉱
ガラス基流晶質組織.斜長石・ガラス(淡褐~褐色)・普通輝石・紫蘇輝石・鉄鉱・燐灰石・鱗珪石・黒雲母
横岳三角点の真南約350mの,中央火口溶岩と基底溶岩の境界に近い,標高2,315mに開口した径約30mの小火口から南東に流下し,雨池山の西麓に達している溶岩.
溶岩は火口から約200mは,基底溶岩の急斜面を幅100mで流れ,八丁平の平地に達して,幅を約400mに広げ,さらに約500m流れて雨池山の西麓に達している.末端の標高は2,240m,噴出源との落差は75m,八丁平での厚さは約10mである.
溶岩上には,径12・3cmのモミ・ハイマツ・ツガザクラなどをはじめとする針葉樹が一面に生いしげっているが,これらはまわりの山体の深い森林とは明確な差異(第34図)がある.また岩石の新鮮さ,グルーブの明瞭さなどの諸点から,八ガ岳火山列全体で,もっとも新しい溶岩であることは疑いない.おそらく沖積世初期の噴出によるものであろう.つぎにのべる雨池軽石は,この溶岩に関連して噴出されたものであると考えられる.
溶岩は黒色・緻密・ガラス質で,大部分は50cm(±)大,まれに数m大に達する岩塊からなる.
鏡下の特徴
斜長石・斜方輝石・単斜輝石・鉄鉱・(角閃石)
ガラス基流晶質組織.ガラス(褐色)・斜長石・斜方輝石・単斜輝石・鉄鉱・燐灰石・鱗珪石

(ほぼ屋根の高さで左右に広がる)
雨池山の東麓,あるいは林道大石川線に沿う雨池の南西・南方などにみられる発泡のわるい,黄色輝石安山岩質の特徴ある軽石層で,黒曜岩・ガラス質安山岩の小片を伴う.同様な軽石層は林道大石川線に沿って標高1,840m・1,770m・1,140m付近,茅野・佐久町線に沿うNHK受信所付近,同じく1,200m付近などの諸点で,いずれも現地形にほぼ平行に堆積している.軽石の粒径と厚さは,分布地点の西側では5~10cm大・1m;東側では3~5cm・60cmなどで分布の軸が東北東に向いていること,および岩質上の特徴などから,八丁平溶岩に伴う活動によって,噴出されたものと考えられる.八千穂村八郡奥の谷沿いで,この軽石層は上位30cm,下位60cm(+)の褐色ローム層にはさまれている.
鏡下の特徴
斜長石・紫蘇輝石・普通輝石・角閃石・鉄鉱
ガラス基流晶質組織.ガラス
ここでは崖錐堆積物・ローム層・段丘堆積物・河川堆積物などについて記す.
背後に急崖をひかえた位置にみられる角礫・砂などを主とする堆積物で,図幅地域内では八子ガ峯北側・滝の湯川沿い・前蓼科山周辺・亀甲池・冷山西方;八千穂村崎田・小海町筆岩・本間川源流部および稲子岳東面・にうから根石岳に至る東向きの崖の直下などにみられる.
この図幅地域は,小林ほか(1967)により明らかにされたPm-Iの分布の北限に近く位置している.ローム層あるいは北山地域(河内ほか,1967)の火砕流堆積物の鍵層としては,このPm-Iがもっとも有効である.
図幅地域内におけるもっとも高位の平坦面は,西麓では笹原―須栗平付近の広見面と南平面;東麓では野辺山原面・大月川北側の豊里牧場面・小海原面・溝の原から佐口に至るいくつかに分断された面などで,つぎに高い地形面としては海瀬の海瀬面・本間の宮の下面などがある.
すでにのべたように,広見面は長倉礫層・南平面は南平火砕流,野辺山原面は野辺山原層上部,豊里牧場面および小海原面・海瀬面は稲子岳火砕流,さらに溝の原―佐口間の面は鶯の口礫層,宮の下面は宮の下礫層などによって構成されている.Pm-Iは,これらすべての面を風成でおおっている.Pm-Iの下位のローム層がもっとも厚いのは,豊里牧場面上(II-1900,柱状図参照)で8.2mに達している.一方,これらの地形面中もっともひくい海瀬面では,同じローム層の厚さは約2.7mで,さらにひくい面上にはPm-Iは認められない.
また,このPm-Iは北山地域では中村泥炭層(河内ほか,1967)中に挟在している.蓼科高原溶岩から大月川泥流,あるいは大塩火砕流(河内ほか,1967)に至る地層をおおうローム層は,すべて上部ロームあるいは新期ローム(北沢,1965・1967)である.
石堂川・大石川・抜井川・滝の湯川などの流域で,川床から7・8mの低位段丘面をつくって分布する堆積物で,礫・砂・泥・粘土などからなり,場所によってうすいローム層を挟在している.
千曲川流域をはじめ,山体をきざむ現河川沿いに分布し,礫・砂・泥・粘土などからなる.
八ガ岳周辺は,多数の先史時代遺跡の分布地として著名である.またとくに最近,縄文前早期の人骨が発堀されて,注目を集めた北相木栃原岩陰遺跡は,本図幅地域の中央・東端がらわずか約1.5km東方の北相木川沿いにあり,すでにのべた相木川泥流中に形成されている.
第35図に図幅内の無土器文化遺跡の分布を示す.また第20表には宮坂・宮坂(1966)による総括を示す.


図幅地域内の地下資源としては,石材・褐鉄鉱・硫黄・および温泉などがある.
この地方から産する主要石材としては,石塀・墓石・建築用土台石などとして使用されている佐久石(志賀溶結凝灰岩)・装飾用の鉄平石(板石山安山岩)などがある.図幅地域内では,前者は北東端に小分布するにすぎず,後者は分布しない.
図幅地域内では道路の敷石用として,蓼科高原の蓼科高原溶岩,白井出付近の横谷峡溶岩などをはじめ,各地で採石が行われているがいずれも小規模である.
諏訪鉄山・稲子湯付近で厚さ約1mに達する.かつて稼行されたことがあるにすぎない.
関東山地西縁部に分布する,酢性火成岩類の風化分解物からなる白土を陶磁器・ガラス・碍子などの原料として利用している.図幅地域内では八千穂村穴原で稼行されている.
硫黄岳本沢温泉および稲子湯などに産し,戦後一時稼行されたことがあるが,現在は放置されたままになっている.
南牧村海尻の合羽坂層群中のものを,徳川末期より石灰製造用として採掘し,昭和21年には長野県経済連が露天掘りを行って,炭カルの肥料としたという.最盛時は年産3万tに達したが,現在は休止している.
図幅地域内における温泉の分布を第36図に示す.注目すべきことは,すでにのべた八子ガ峯断層の南方延長線上において,とくに温泉の分布密度が高いことであり,またつぎにのべる三室6号のガスくみ上げ地も,この同じ地帯に入ることである.蓼科高原の温泉群の多くのものが,火山の大配列構造と密接な関連をもっていることは疑えない.
中村ほか(1971)による温泉の分析結果を第22表Aに,長野県衛生研究所による温泉の分析結果(諏訪市役所・稲垣益次氏の私信による)を第21表A・Bに引用した.これらの温泉の泉温は本沢温泉でボーリングされた52℃を除き一般に低温(第22表Bの三室6号は-100mのボーリング底からair liftで汲み上げている)であり,中性から酢性のものが大部分である.




八ガ岳における岩石の化学分析値はこれまで,北原(1949),TAKESHITA and OJI(1968)およびOJI and TAKESHITA(1970)による合計5コ(うち3コは捕獲岩)のみしか知られていなかった.この図幅報告書の作製に当って第22表のように,火山列全体の配列・発達史・岩石の多様性などを配慮しつつ合計11コの標本が選ばれ,大森・大森によって分析値が得られた.これらをまとめて第23表に示す.また第24表には,分析された火山岩の造岩鉱物容量比を示す.以下若干の特徴を記す.
なお,比較のため,八ガ岳の北西延長部に位置する霧ガ峯・和田峠・美ガ原地域の火山岩類について,遠藤(1929)・本間(1931)・神津ほか(1940)・松崎ほか(1952)・ASAYAMA(1953)・飯島(1962)・TANIDA(1961)・YAMAZAKI(1965)・TAKESHITA and OJI(1968)などによってすでに公表されている合計29コの分析値についての検討結果についても1・2言及する.
1)分析された火山岩類のSiO2範囲は48.94~62.78%にわたる.岩石名では玄武岩からデイサイトにわたる.
Al2O3量は全体を通じて高く,16.33%から最高20.87%に達している.これは八ガ岳の火山岩類が全体として斑晶斜長石に富むこととよく調和しており,とくに20.87%に達する岩石では,全斑晶量約45%中の90%以上が斜長石からなっている.


2)Pecockのアルカリ―ライム指数は第37図のように62.6であり,那須火山帯の紫蘇輝石質岩系の平均値64.8(YAMAZAKI,1965)よりかなりひくく,鳥海火山帯の紫蘇輝石質岩系の平均値61.3(勝井,1954)とのほぼ中間の値を示す.霧ガ峯・和田峠・美ガ原地域の指数は60.0である.
3)Na2O・K2O量はともにかなり高い.ここでとくに興味深いのは第38図のようにK2O/Na2O-S.I.(MgO×100/(MgO+FeO+Fe2O3+Na2O+K2O))図上で八ガ岳と霧ガ峯・和田峠・美ガ原地域の火山岩とを比較した場合である.八ガ岳は日本の平均値に近いがS.I.値の小さいものほどK2O/Na2O比が高く,図上のJとCをつなぐように分布している.これらS.I.の値が小さくK2O/Na2O比が大きいものは,北八ガ岳火山群の角閃石安山岩類であり,したがって火山の配列でいうと北西方向に,急速に霧ガ峯などに近づく傾向を示していて両者は漸移している.さらに,この図は,八ガ岳において東列と西列の火山を較べると西列の方がK2Oに富んでいることをも示している.


最近の10余年間,八ガ岳の自然破壊はすさまじい勢いで進んでいる.筆者がはじめて八ガ岳に入ったころは,稜線上の登山道を除くと大部分が未開発の地であり,とくに,北八ガ岳には深い森林におおわれた美しい自然があった.登山道すら目じるしをつけつつ,道を探して歩く状態であった.白樺湖―蓼科牧場,蓼科高原―大石峠(すずらん峠),蓼科牧場―大河原峠,鹿曲川―大河原峠,大河原峠―雨池,茅野―八千穂,八千穂―雨池などをはじめとする,ほとんど無数に近い車道は全く開通していなかった.これらの開通に加えて,横岳にはロープウェイができ,奥蓼科・大河原峠・八千穂高原・豊里牧場などには,つぎつぎに別荘地化の波がおしよせ,灯明平にはゴルフ場すら建設された.さらに,雑木の伐採は稜線の直近にまで達している.松原湖をはじめとする湖沼の汚染はひどく,とくに双子池雌池の汚染は頂点に達している.こうした自然破壊は当然の帰結として鹿・熊・猿などの貴重な大型哺乳動物の生態系の破壊を伴い,いまや,八ガ岳におけるこれらの動物は絶滅に瀕しているといってよい.
古来,八ガ岳は,ヤツガタケトウヒはもちろん,貴重で多数の高山植物の群落があることで知られてきたが,以上の実態を直視するならば,直ちに強力な自然保護対策を講じなければならないであろう.